EasyManua.ls Logo

Optek 156 - Wiring Plan AF56 to 156 Converter

Optek 156
49 pages
Print Icon
To Next Page IconTo Next Page
To Next Page IconTo Next Page
To Previous Page IconTo Previous Page
To Previous Page IconTo Previous Page
Loading...
Wiring
- 23 -
optek-Manual--1004-1022-02--156-US-2017-12-11
www.optek.com
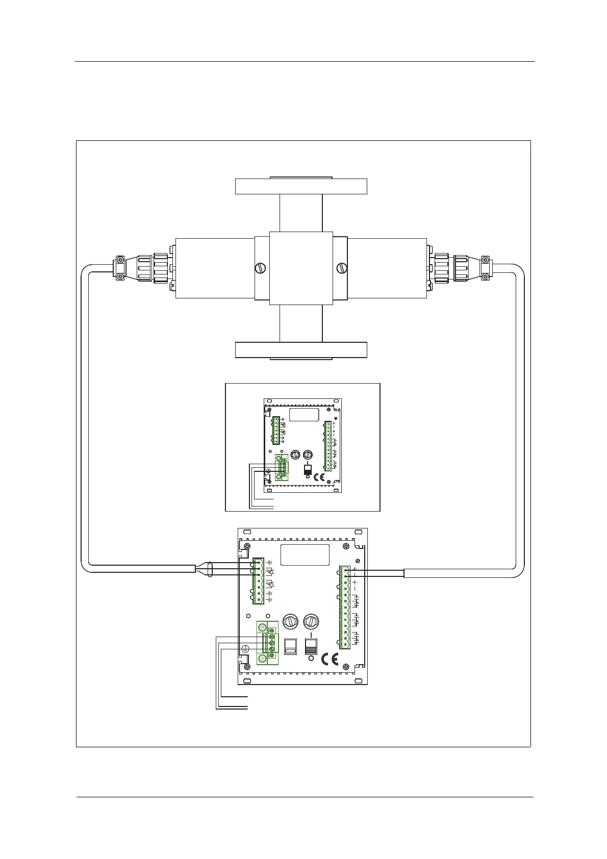
8.4.1 Wiring plan AF56 to 156 converter
Fig. 14 Wiring plan AF56 to 156 converter
19 2120
212019
MADE IN GERMANY
3
4
1
2
5
5
5
DETECTORINPUTS
LAMP AL
17
L
MADE IN GERMANY
PE
N
OPTEK-DANULAT
230V
18
50/60Hz, 30VA
230VAC, T0,315A
115VAC, T0,630A
115/230V
VOLTAGE
11
14
12
13
16
15
10
8
9
6
7
ALARM IALARM II mA LAMP
LAMP -
PE
N
L
DETECTORINPUTS
5
5
3
4
2
1
5
50/60Hz, 30VA
24V, T1,25A
OPTEK-DANULAT
24V DC
ALARM I
12
13
15
18
17
16
14
LAMP AL ALARM II
10
11
7
6
9
8
VOLTAGE
LAMP -
LAMPmA
A5 BK
A1 WH
A2 BN
6 WH (BU)
7 BN
115/230 V AC
PA / PE
PA / PE
24 V AC/DC
Option: 24 V AC/DC

Table of Contents

Related product manuals