EasyManua.ls Logo

OPTICOM 764 - Page 37

OPTICOM 764
73 pages
Print Icon
To Next Page IconTo Next Page
To Next Page IconTo Next Page
To Previous Page IconTo Previous Page
To Previous Page IconTo Previous Page
Loading...
Intersection Equipment Installation Instructions
37
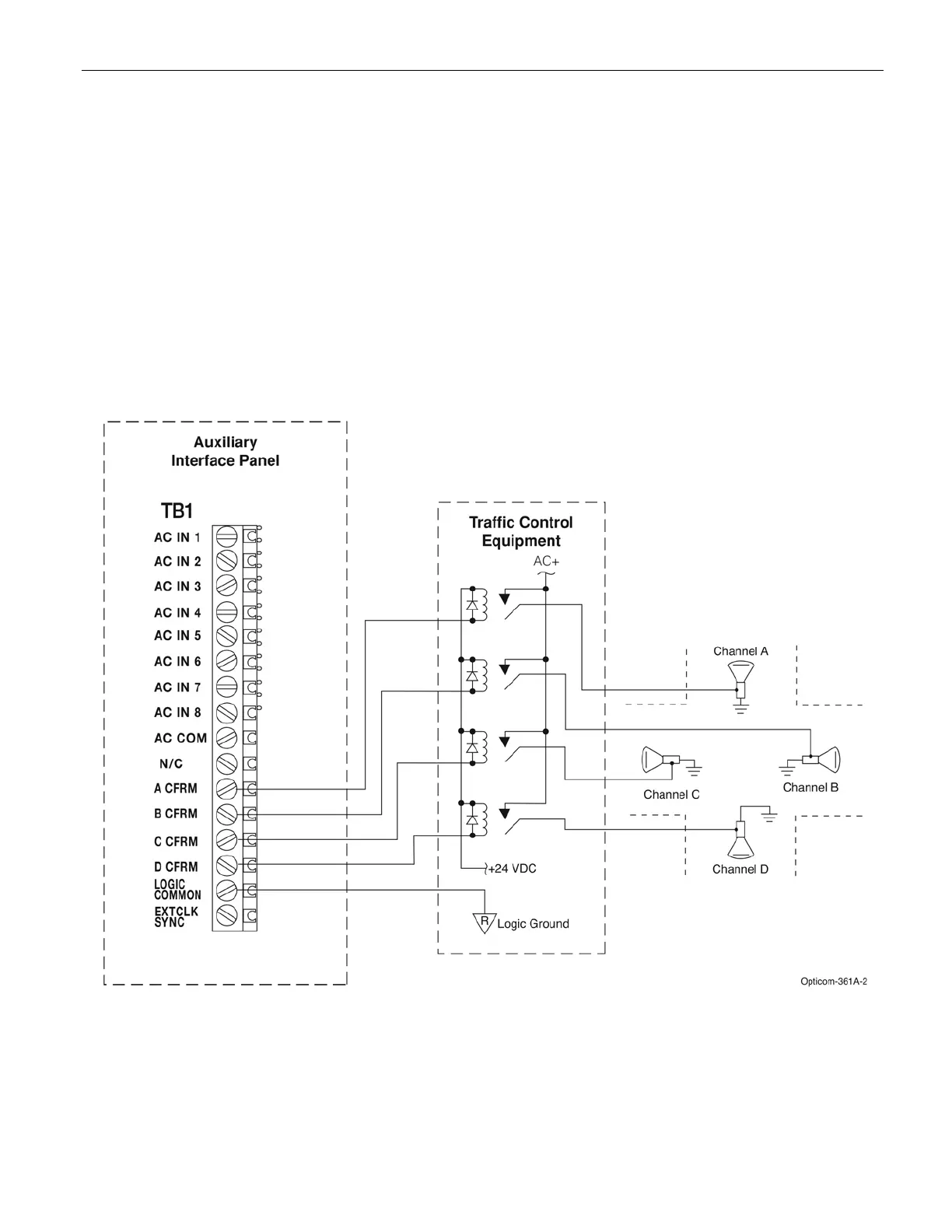
9. Connect a wire to one of the LOGIC COMMON terminals of the auxiliary interface panel. Install a spade
lug on the other end of the wire and connect it to the traffic controller logic ground. See Figure 9-4.
10. Connect a +24 VDC power source to each of the four confirmation light relays as shown in Figure 9-4.
11. Complete the configuration light interface wiring and field wiring as shown in Figure 9-4.
12. Verify that your wiring is correct, and the connections are tight.
13. Select the appropriate confirmation light pattern using the On-site software. See the On-site help file for
details.
Figure 9-4. Confirmation Light Wiring with Electromechanical Relay Interface

Table of Contents