EasyManua.ls Logo

OPTICOM 764 - Appendix B: Driving a Relay from a Phase Selector; Driving Relays with Phase Selector Output

OPTICOM 764
73 pages
Print Icon
To Next Page IconTo Next Page
To Next Page IconTo Next Page
To Previous Page IconTo Previous Page
To Previous Page IconTo Previous Page
Loading...
Intersection Equipment Installation Instructions
66
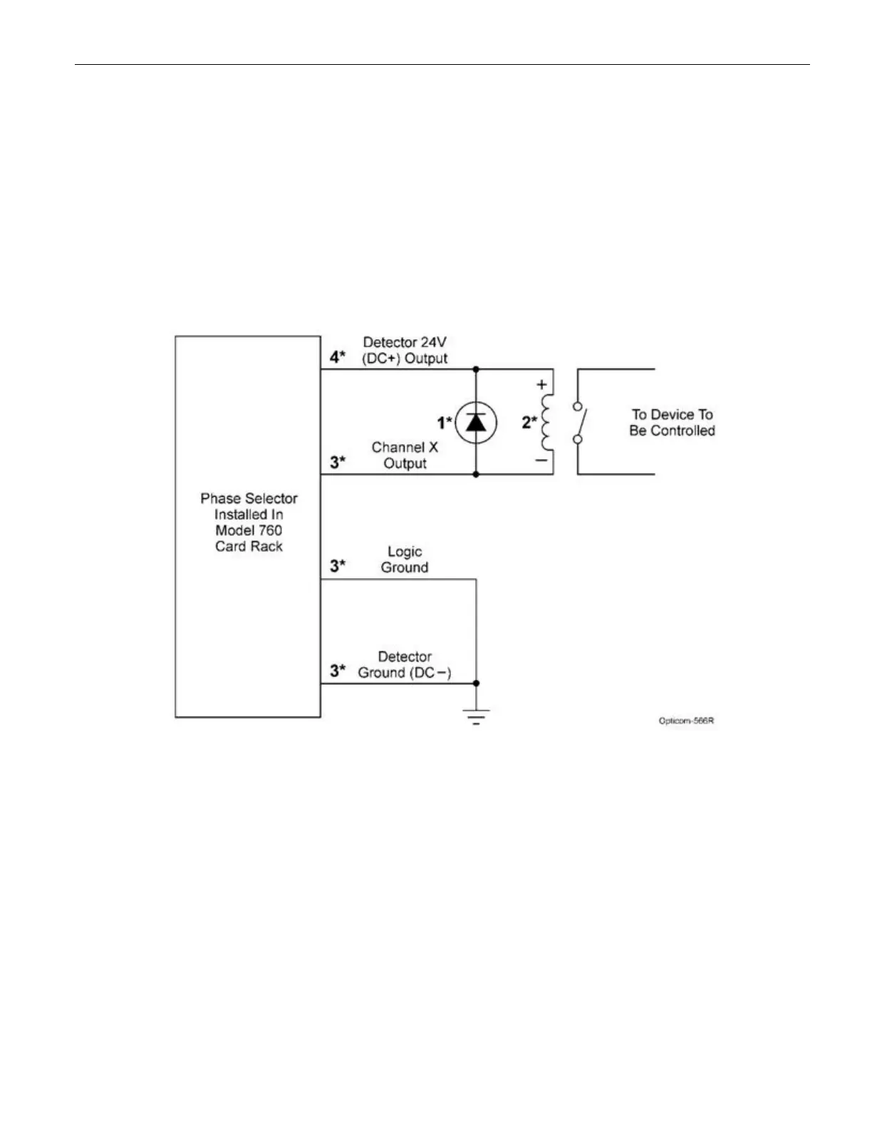
Appendix B: Driving a Relay from a Phase Selector
It is possible to drive an electro-mechanical or solid-state relay from a phase selector output. However, this
application falls outside of the intended use of the Opticom™ GPS System and the system was not designed
for this application. Should you do so on your own, it is important to use a relay that falls within the
parameters described below to prevent damage to the phase selector. It is recommended that you use a
Model 770 or 1045 Gate opener card rack which includes a relay. See Appendix C for details.
Figure 19-1 is a wiring diagram that shows how the relay is connected to the phase selector.
This section only applies when using a 760 card rack. Contact technical service if you are using a
different model card rack.
Figure 19-1 Wiring Diagram
*Numbers 1 4 correspond to the numbers in the following Recommendations section.

Table of Contents