EasyManua.ls Logo

OPTICOM 764 - Rear Edge RS-232 Port Configuration

OPTICOM 764
73 pages
Print Icon
To Next Page IconTo Next Page
To Next Page IconTo Next Page
To Previous Page IconTo Previous Page
To Previous Page IconTo Previous Page
Loading...
Intersection Equipment Installation Instructions
49
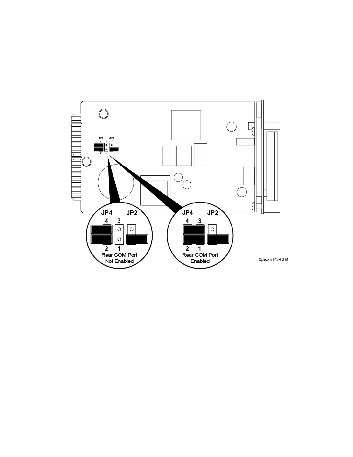
12.3.1 RS-232 COM Port on the Rear Edge Connector
When shipped from the factory, the rear edge RS-232 communication port is not enabled.
To enable the rear edge communication port, remove the two jumpers from their storage positions in
positions 2 and 4 on JP4 and place one across pins 1 and 2 and the other across 3 and 4 on JP4. See Figure
12-1.
Figure 12-1 Enabled Rear Edge Communication Port

Table of Contents