EasyManua.ls Logo

Ossa TR280i - Front suspension

Ossa TR280i
61 pages
Print Icon
To Next Page IconTo Next Page
To Next Page IconTo Next Page
To Previous Page IconTo Previous Page
To Previous Page IconTo Previous Page
Loading...
24
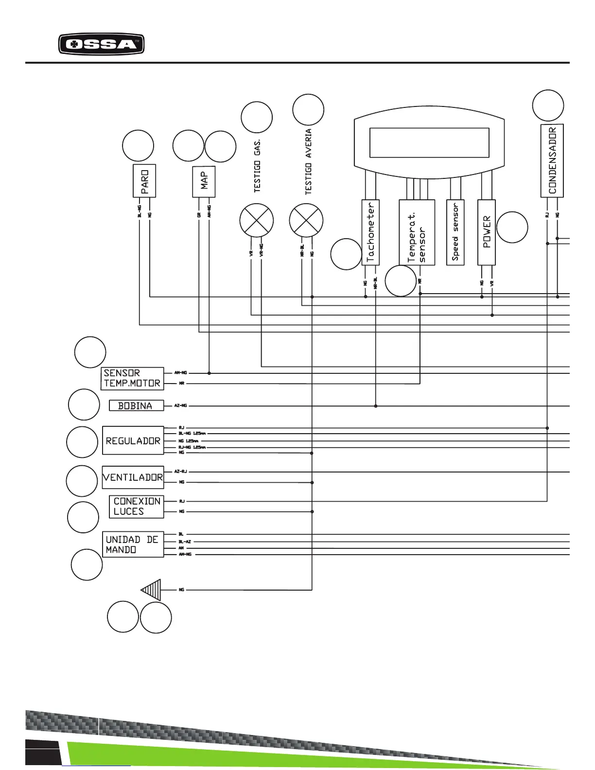
ELECTRICAL PARTS
16
15
17
21
24
11
27
2518
12
13
23
20
19
22
14
26

Other manuals for Ossa TR280i

Related product manuals