EasyManua.ls Logo

Ossa TR280i - Rear suspension

Ossa TR280i
61 pages
Print Icon
To Next Page IconTo Next Page
To Next Page IconTo Next Page
To Previous Page IconTo Previous Page
To Previous Page IconTo Previous Page
Loading...
25
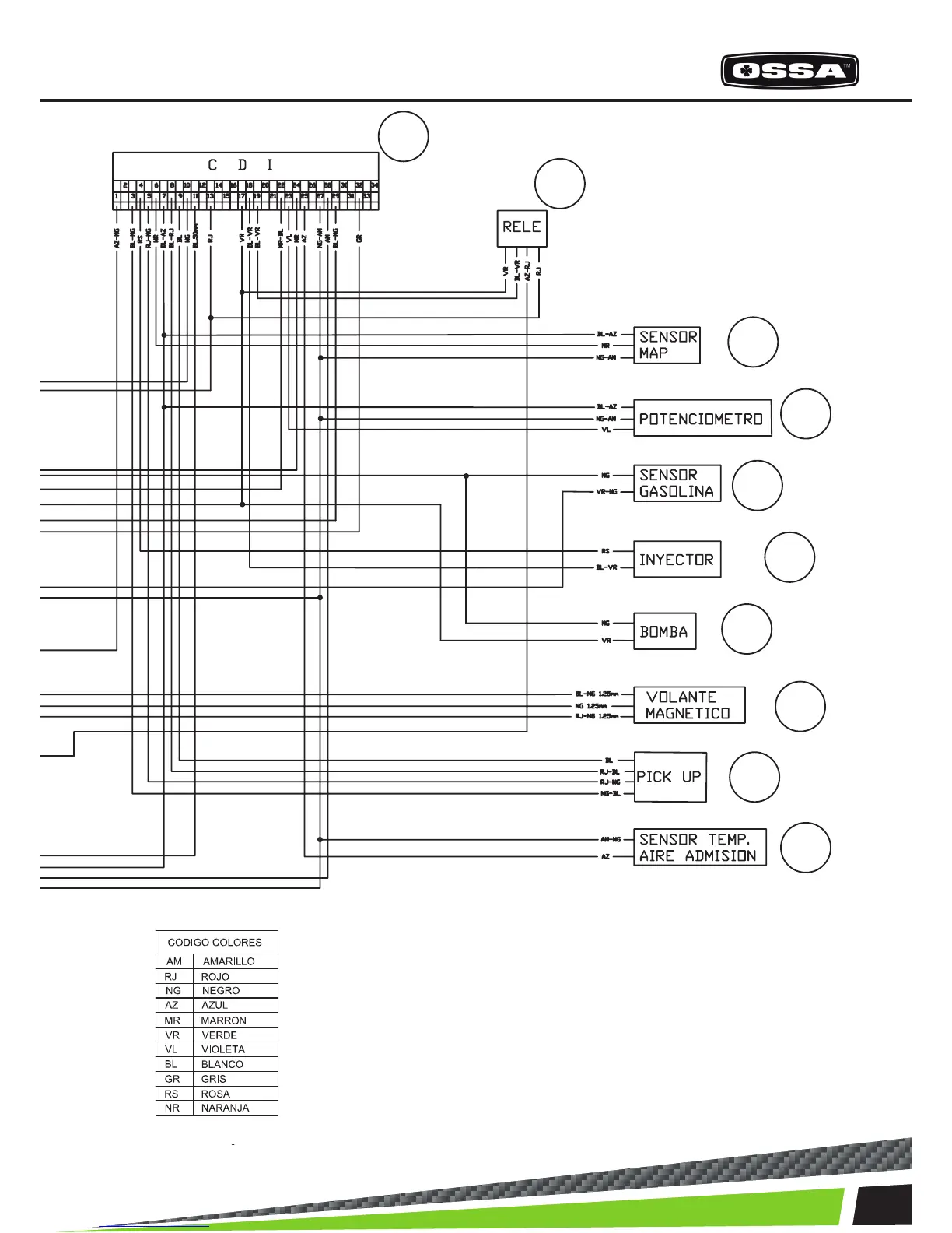
ESQUEMAS ELÉCTRICOS
2
3
5
9
4
6
7
1
8
10

Other manuals for Ossa TR280i

Related product manuals