EasyManua.ls Logo

Panasonic DMR-ES35VP

Panasonic DMR-ES35VP
118 pages
To Next Page IconTo Next Page
To Next Page IconTo Next Page
To Previous Page IconTo Previous Page
To Previous Page IconTo Previous Page
Loading...
B
A
C
2
IP6001
1
L
H
H
H
8CS
8CS
(DR P ON OUT)
QR11601
DIGITAL P.C.B.
TO
DIGITAL P.C.B.
TO
MAIN P.C.B.
TO
TO
DVD-RAM
DRIVE
DIGITAL P.C.B.
TO
ANA +3.3V
DRIVE POWER ON
ANA +5V
DR +12V
DR +5V
AU +5V
DI POWER ON
D +3.8V
3,414,16
122,24
P31903 P6003
6
P31905 P6001
8
P31903 P6003
7
P31903 P6003
17
P37101 P59001
56
P37101 P59001
76
P37101 P102
P37101 P102
P37101 P9001
25
P37101 P9001
60,62
AD+5V PS31902 PP7701
1
ON
5
V OUT 18
IC31503
V IN
(REG.ANA +3.3V)
CONT
3
V OUT 51
IC31501
V IN
(REG.ANA +5V)
CONT
5
V OUT 18
IC7402
V IN
(REG.+5V)
+5V
JC REG.+5V
ON
3
V OUT 14
IC6301
V IN
(REG.+5V)
2
V OUT 31
IC3002
V IN
(REG.JC+5V)
ON
3
V OUT 14
IC2001
V IN
(REG.A+5V)
A+5V
+5V
ON
3
V OUT 54
IC45001
V IN
(REG.AU +5V)
D
S
G45
(DR +12V SELECT SWITCH)
Q11601
8
3
72
1
6
(DC-DC CONVERTER)
IC11801
(DC-DC CONVERTER)
IC11601
5
7
2
1
FBON/OFF
V IN EXT
D
(REG.D +12V)
D
Q11801
GS
D
D
3
6
25
4
1
(DI P ON OUT)
QR11602,QR11603
5
7
2
1
FB
EXT
ON/OFF
V IN
Q11602
(REG.DR +5V)
TO
IC3701-
FROM
IC7501-
D
D
G
D
D
S
1
2
3
6
5
4
ON/OFF
1
V OUT
+9V
JC POWER ON
4
55
5
IC4801
(REG.+9V)
V IN
X SW +12.5VX SW +12.5V
D+12V
X SW +6V
MECHA+12.5V
P31902 P6004
8
P31903 P6003
12,13
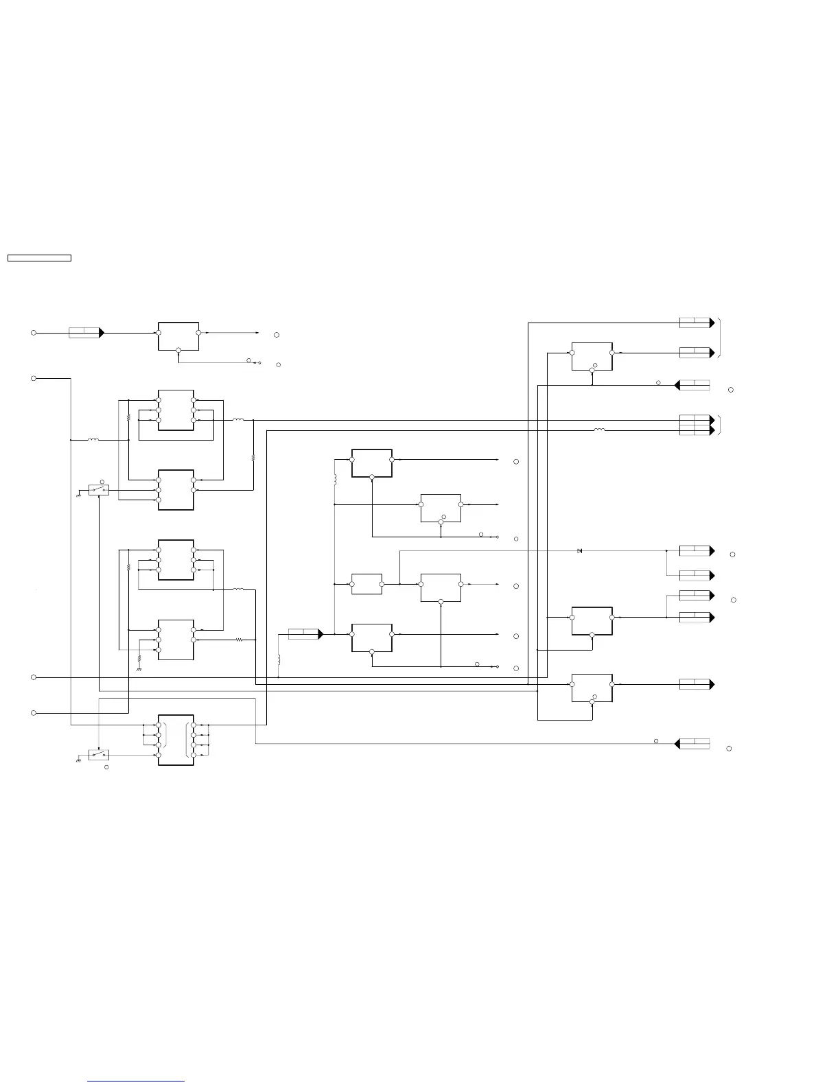
DMR-ES35VP/PC
Power Supply Block Diagram
DMR-ES35VP/PC
Power Supply Block Diagram
H
7
FROM
IC7501-
7
FROM
IC6001-
POWER ON
H
75
TO
IC6001-
98
TO
IC7301-
19
TO
MAIN P.C.B.
TO
IC2501-
19
H
FROM
MAIN P.C.B.
IC7501-
71
TO
MAIN P.C.B.
JK4801-
22
TO
FRONT R P.C.B.
IC7701-
3
FROM
MAIN P.C.B.
IC7501-
23
D
H
ON
H
JC POWER ON
H
DMR-ES35VP / DMR-ES35VPC
62

Table of Contents

Related product manuals