EasyManua.ls Logo

Panasonic DMR-ES35VP

Panasonic DMR-ES35VP
118 pages
To Next Page IconTo Next Page
To Next Page IconTo Next Page
To Previous Page IconTo Previous Page
To Previous Page IconTo Previous Page
Loading...
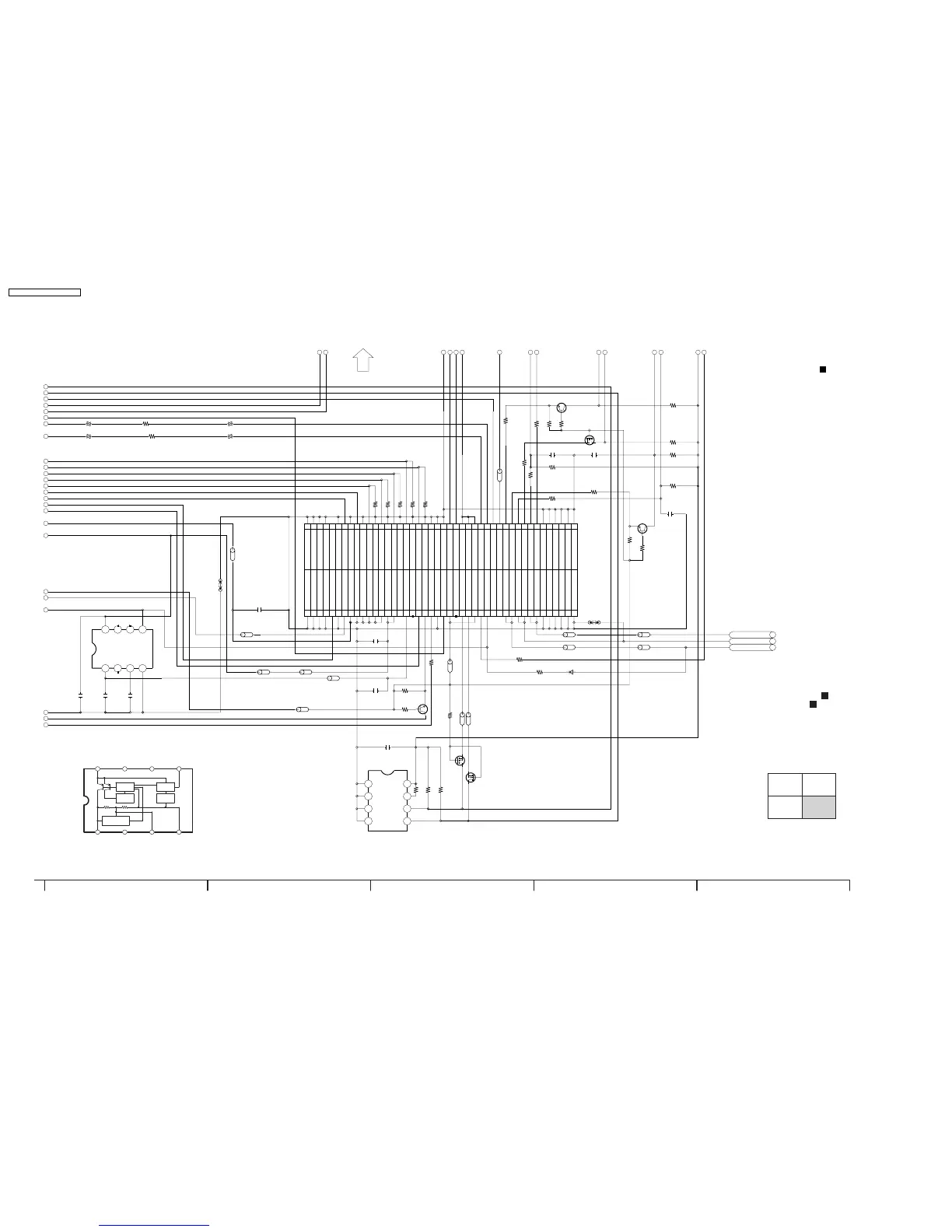
14.6. Digital I/F (4/4) Section (Power & Digital I/F P.C.B.(2/2)) Schematic Diagram (IF)
100
R37004
R37515 47K
R37514
47K
S
D
G
Q37507
B1CFHC000003
C37006
100P
R37513
47K
Q37506
10K
R37510
R37007 100
4700
R37511
C37005 100P
R37005 100
LB37012
ERJ3GEY0R00V
R37006
100
47K
R37008
C37012
0.1[KB]
LB37001
J0JHC0000048
LB37002
J0JHC0000048
R33501
4700[0.5%]
4700
R37502
$(4700)
R37501
0.1[KB]
C37011
0.1[KB]
C37501
R37505
4700
4700
R37504
6 75
24 3
8
1
IC37501
C3EBFC000053
C3EBFC000042
R33505
4700[0.5%]
4700[0.5%]
R33502
4700[0.5%]
R33504
4700[0.5%]
R33503
R37017
ERJ3GEYJ223V
LB37011
J0JKB0000032
LB37009
J0JKB0000032
K37003
VWJ0795=7.5
DR5V
DR12V
DR_GND
D37001
B0AACK000004
LB37008
ERJ3GEY0R00V
LB37010
ERJ3GEY0R00V
S
D
G
B1CFHC000003
Q37502
LB37004 J0JHC0000048
S
D
G
B1CFHC000003
Q37501
R37016
0
R37508
10K
4700
R37509
100
R37014
LB37003
J0JHC0000048
LB37007
ERJ3GEY0R00V
4700
R37503
0R37015
Q37503
2
6
8
4
1
7
9
15
13
25
29
43
41
39
51
49
61
57
59
67
65
73
77
81
85
87
83
79
75
69
71
63
53
55
45
47
31
33
37
35
27
19
17
23
21
11
3
5
16
14
22
20
30
44
42
38
40
52
50
60
58
68
66
74
78
82
86
88
84
80
76
70
72
62
64
54
56
46
48
32
34
36
24
28
26
18
10
12
P37101
K1KY64A00002
R37012
47K
C37010
100P
Q37505
R37010
100
R37009
100
ECA1CAK100XBC45008
C45007 ECA1CAK100XB
VWJ0795=5C45017
ERJ3GEY0R00VR45001
VWJ0795=5
C45018
R45002
ERJ3GEY0R00V
LB37014
J0JKB0000032
VWJ0795=10K31001
C37013
0.1[KB]
C31506
F1H0J1050010
C31507
F1H0J1050010
C31508
0.01[KB]
67 5
2 43
8
1
IC31503
C3EBFC000053
ERJ3GEY0R00V
LB37006
LB37013
J0JKB0000032
LB37005
J0JKB0000032
P
P
P
TO P59001
DIGITAL P.C.B.
(MODE SELECT SECTION)
CSYNC_IN
D3R8V
D3R8V
ANA3R3V
EPG_ON_H/BUSY
DR5V
XFWE
DR5V
DGND
DGND
DGND
DGND
DGND
DGND
D3R3V
ITA2M
I2C5DT
IT_CK
I2C5CK
DR12V
DR12V
DRGND
ITM2A
DRGND
DGND
IECOUT
P_OFF_L2
X_SW_3R2V/D3R3V
UARTM2P
UARTP2M
P_OFF_L3
SCK
SDA
VCC
/VE
D1R2V
D1R2V
DGND
DGND
DGND
DGND
DGND
ANA5V
NC
NC
NC
V OUT
V IN
GND
CN
ON[H]
EPG_VIDEO
D1R2V
D1R2V
D1R2V
D1R2V
NC
NC
VSS
NC
or
DGND
DGND
DGND
DGND
AU5V
DGND
DGND
SCLK
DGND
DGND
DGND
DGND
DGND
AUGND
AUGND
AUGND
DGND
DGND
COUT_DM
RPROUT_DM
SBPTM
XINTM
SBMTP
XINTP
AADC_L
AADC_R
XMPREQ
XDMUTE
YOUT_DM
MIXLOUT_DM
MIXROUT_DM
DGND
DGND
DGND
DGND
DGND
DGND
BS_ON
DGND
DGND
BPBOUT_DM
V_YIN_DM
CPNCIN_DM
GPYOUT_DM
AE AF AG AH AI AJ AK AL AM AN AO AP AQ AR AS
1
2
3
4
5
6
7
8
9
10
11
12
13
14
15
16
17
18
19
20
21
22
23
24
25
NOTE:DO NOT USE THE PART NUMBER SHOWN ON THIS DRAWING FOR ORDERRING.
THE CORRECT PART NUMBER IS SHOWN IN THE PARTS LIST,AND MAY BE
SLIGHTLYDIFFERNT OR AMENDED SINCE THIS DRAWING WAS PREPARED.
109876
B
TO
DIGITAL I/F SECTION
(2/4)
LOCATION MAP
1/4 2/4
3/4 4/4
DMR-ES35VP/PC
Digital I/F(4/4) Section
(Power & Digital I/F P.C.B.(2/2))
Schematic Diagram(IF)
P:Power Supply Section:(Page: )
A
IF:Digital I/F Section:(Page: )
B
NC
NC NC CONTVIN
VOUT GNDCN
SHUTDOWN
THERMAL
LIMITTER
CURRENT
DRIVER BIAS
REFERENCE
8765
4321
IC31503
ANA +3.3V SWITCHING REG.
IC-DETAIL BLOCK DIAGRAM
DMR-ES35VP / DMR-ES35VPC
76

Table of Contents

Related product manuals