EasyManua.ls Logo

Panasonic DMR-ES35VP

Panasonic DMR-ES35VP
118 pages
To Next Page IconTo Next Page
To Next Page IconTo Next Page
To Previous Page IconTo Previous Page
To Previous Page IconTo Previous Page
Loading...
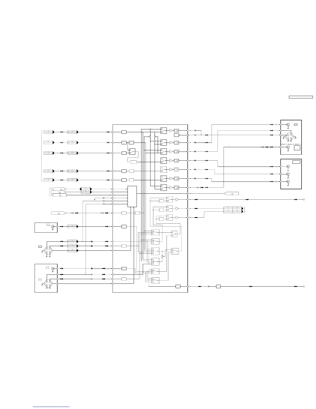
13.2. Analog Video Block Diagram
B
A
PS6001
PS6001
PS6001
3
PS6001
SECTION
SYSTEM CONTROL
FROM
9
11
P6005P31901
P6005P31901
CPN V OUT
CPN Y OUT
CPN C OUT
V/YIN DM
CPN CIN DM P31902
P31902P6004
P6004
9
12 59
63
P59001
P59001P37101
P37101
PR OUT
PB OUT
PY OUT
P.C.B.
DIGITAL
TO
SECTION
SYSTEM CONTROL
FROM
1
IC6001-
VHS L1/L2 SW DET.
+
+
Y/Py/G-SW
V-SW
Pr/R-SW
Pb/B-SW
Py/G-SW
Y-SW
V-SW
Q7401
AMPGCL
TU VIDEO INTUNER IN
VHS L1/L2 SW DET.
18
GCL
GCL
17
CL
CL
LPF
6.7M
ON
OFF
45
Y/V OUT VHS
+
V/Y-SW
V/Y-SW
V/Y-SW
C-SW
COMP
SEP
MIX
V/Y-SW
LPF
6.7M
ON
OFF
49
Y/V OUT DVD
L1
L2
TU
L1
L2
V-SW
V-SW
TU
COMP
SEP
DVDC
DVDY
C1
C2
C3
Y1
Y2
Y3
C1
C2
C3
Y1
Y2
Y3
C-SW
Y-SW
C-SW
Y-SW
LPF
6.7M
ON
OFF
C OUT DVD
51
-6/0CL
52
IC6001-
OSD V OUT
VIDEO IN
VTR OSD
1
2
S1/S2 DET3
Y
PY
13.5MLPF
6.7MLPF
LPF
6.7M
LPF
6.7M
DEC
756
Pb/B OUT
34
LPF
6.7M
DVD
VCR
DEC
DEC
DVD
VCR
756
DVD
VCR
DVD
VCR
C-SW
756
756
675
675
BIAS
S1/S2
675
C75 OUT
30
BIAS
CL
BIAS
CL
CL
CL
LPF
6.7M
VIDEO OUT
COMPONENT
P37101
P37101
P37101
P37101
P37101
JK3802
DVD L1/L2 SW DET.
6
S-VIDEO IN
L2
12
65
34
S-VIDEO IN
6
5
REAR A/V OUT JACK
JK4801
OUT
COMMON
VHS/DVD
DVD
PR(RED)18
PB(BLUE)19
Y(GREEN)20
IC37501-
IIC CLOCK
IC37501-
IIC DATA
SYSTEM CONTROL
SECTION
TO/FROM
V1 OUT
Pr/R/C OUT
Py/G OUT
Y75 OUT
Y/C MIX
C75 SAG
DVD R/Pr IN
DVD B/Pb IN
DVD G/Py IN
DVD Y IN
DVD C IN
CONTROL
IIC-BUS
SDA
SCL
4
23
22
S1/S2 DET1
8
S1/S2 DET2
C2 IN
Y2 IN
Y1 IN
C/S DET2
C1 IN
VIDEO1 IN
C/S DET1
VIDEO2 IN
15
11
9
79
77
5
7
13
41
36
35
38
40
39
21
32
28
29
(VIDEO I/O PROCESSOR)
IC3701
43
L2
19
L2 SW
2
P6005P31901
P31901 P6005
6
14
P6004P31902
4
P6005P31901
P31901 P6005
5
L1
L1
IC7501-
DVD L1/2 SW DET.
L1 CS DET
CPN Y IN1
CPN C IN1
LINE 1V IN
OUT
VIDEO
OUT
VIDEO
REAR A/V OUT JACK
JK3902
4
3
14
16
Y
C
OUT
S-VIDEO
Y
C
C
Y
L2 CS DET
CPN Y IN2
CPN C IN2
6
PP4801
10
PP4801
8
PP4801
PP4801
VIDEO IN 7
FRONT A/V JACK
JK4600
4
6
3
16
VIDEO IN
REAR A/V JACK
JK3903
P.C.B.
DIGITAL
FROM
47
P59001
P59001
55
51
P59001
39
P59001
43
P59001
R PROUT DM
B PBOUT DM
G PYOUT DM
Y OUT DM
C OUT DM
DMR-ES35VP/PC
Analog Video Block Diagram
DMR-ES35VP / DMR-ES35VPC
63

Table of Contents

Related product manuals