EasyManua.ls Logo

Panasonic DMR-ES35VP

Panasonic DMR-ES35VP
118 pages
To Next Page IconTo Next Page
To Next Page IconTo Next Page
To Previous Page IconTo Previous Page
To Previous Page IconTo Previous Page
Loading...
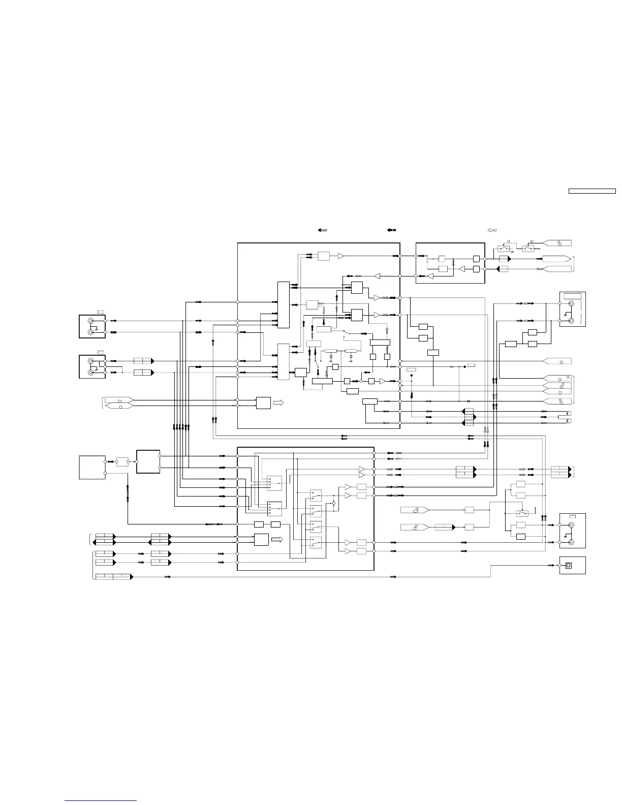
13.3. Analog Audio Block Diagram
MUTE
P-ON
MUTE
P-ON
AGC
MUTE
6
6
P-ON
MUTE
P-ON
MUTE
6
6
P-ON
+
L CH
DVD
VCR
R CH
DVD
VCR
L CH
DVD
VCR
R CH
DVD
VCR
L
L
H
H
H
L
H
H
MIX R OUT DM
MIX L OUT DM
TUN R
8
13
TUN L
56
70
69
58
59
23
22
74
76
78
80
IC3701
71
72
(AUDIO BUFFER & SELECTOR SWITCH)
INTERFACE
IIC BUS
TUNER IN L
TUNER IN R
L1 IN R
L1 IN L
L2 IN R
L2 IN L
I2C5DT
I2C5CK
2AUDIO
SECTION
CONTROL
SYSTEM
FROM
P6003
19
P31903
P6003
18
P31903
FL7301
31
PB :ON
Q4002
Q4001,
MUTE
QR4802
QR4802
MUTE
IC7301
(AUDIO MULTIPLEX DECODER)
INPUT21
U/V TUNER
TU7401
15SIF OUT
P59001 P37101
8
P31901 P6005
32
IEC OUT
BITSTREAM
PCM/
DIGITAL AUDIO OUT
JK4801
23
IECOUT
2
TIMER
SECTION
FROM
100
16
73
COM MUTE
IC6001-
COMMON MUTE
DRIVE
MUTE
QR4809
MUTE
MUTE
QR4806
QR4806
20
IC6001-
D.REC
:ON
QR4001
A+5V
LCH
RCH
QR4807
QR4808
QR4808
DRIVE
MUTE
MUTE
MUTE
63
P31902
DRIVE
MUTE
DRIVE
MUTE
IC4402-
XDMUTE
IC7501-
XTMUTE
QR4804
X SW5.8V
MUTE
QR4805
MUTE
QR4805
QR4803
QR4801,
QR4803
QR4801,
P.C.B.
DIGITAL
FROM
DMR-ES35VP/PC
Analog Audio Block Diagram
P6004
6
SW NOISESW NOISE
TIMING
HOLD
FO
VCO
CTL
MUTE
SECTION
CONTROL
SYSTEM
FROM
IC6001-
AUDIO HEAD SW
19
IC6001-
FM MUTE
28
36
(AUDIO PROCESSOR)
L OUT
R OUT
30
29
9
8
P3001
P3001
7
P3001
FM MIX
TW4501
ENVE
TW4502
IC3001
(AUDIO PROCESSOR)
3
P4002
4
P4002
AMP
PRE
EQ.
REC
TRAP
fh
VCA
P
R
96
98
6
2
43
42
DVD R
DVD L
64
15
10
14
63
9
22
24
29
27
21
30
57
53
62
61
VHS L
VHS R
ADC L
LINE OUT R
LINE OUT L
ADC R
DVD OUT L
DVD OUT R
P.C.B.
DIGITAL
TO
P59001
P59001
19
P37101
17
P37101
24
20
(L)
OUT
(R)
OUT
REAR OUTPUT JACK
JK3902
DVD
P6004P31902
P6004
5
2
P31902
27
P37101P59001
29
P37101P59001
P.C.B.
DIGITAL
FROM
HEAD
AUDIO
Hi-Fi
R
L
CONTROL
SYSTEM
TO/FROM
P.C.B.
DIGITAL
TO/FROM
72
IC6001-
IIC DATA
IC6001-
IIC CLOCK
71
20
IC6001-
D.REC
45
SECTION
VIDEO
FROM
IC3001-
FSC
COMMON OUT
VHS/DVD
LINE
REAR JACK
JK3903
(R)
OUT
(L)
OUT
18
22
A/C HEAD
TO/FROM
A.HEAD(W)
A.HEAD(R)
INTERFACE
IIC BUS
SWITCH
PREAMP &
AGC
SWITCH
&
AGC
+
LPF
DEMODULATOR
FM MODULATOR/
BPF
BPFLPF
DEMODULATOR
FM MODULATOR/
PNR L CH
PNR R CH
SWITCH
&
AGC
5
PP4801
5
PS6001
77
PS6001PP4801
P31901
11
P6005
9
P6005P31901
24
P37101P59001
26
P59001 P37101
LCH
SWITCH
SELECT
INPUT
L1(REAR JACK)
JK3903
L1 IN L
L1 IN R
(R)
IN
(L)
IN
20
24
L CH
SWITCH
SELECT
OUTPUT
R CH
SWITCH
SELECT
OUTPUT
SWITCH
SELECT
NORMAL
L2
DVD AUDIO SIGNAL
(FRONT JACK)
JK4600
L2 IN R
L2 IN L
5
3
(R)
IN
MONO
IN L/
RCH
SWITCH
SELECT
INPUT
AUDIO MAIN SIGNAL PATH IN PLAYBACK MODEAUDIO MAIN SIGNAL PATH IN REC MODE
IC4501
61
62
66
65
VCR
L1
L2
TU
L CH
INPUT
SELECTOR
SWITCH
INPUT
SELECTOR
SWITCH
VCR
L1
L2
TU
R CH
53
54
DMR-ES35VP / DMR-ES35VPC
65

Table of Contents

Related product manuals