EasyManua.ls Logo

Panasonic KX-TCD705RUM - 6 Circuit Operation (Handset)

Panasonic KX-TCD705RUM
80 pages
Print Icon
To Next Page IconTo Next Page
To Next Page IconTo Next Page
To Previous Page IconTo Previous Page
To Previous Page IconTo Previous Page
Loading...
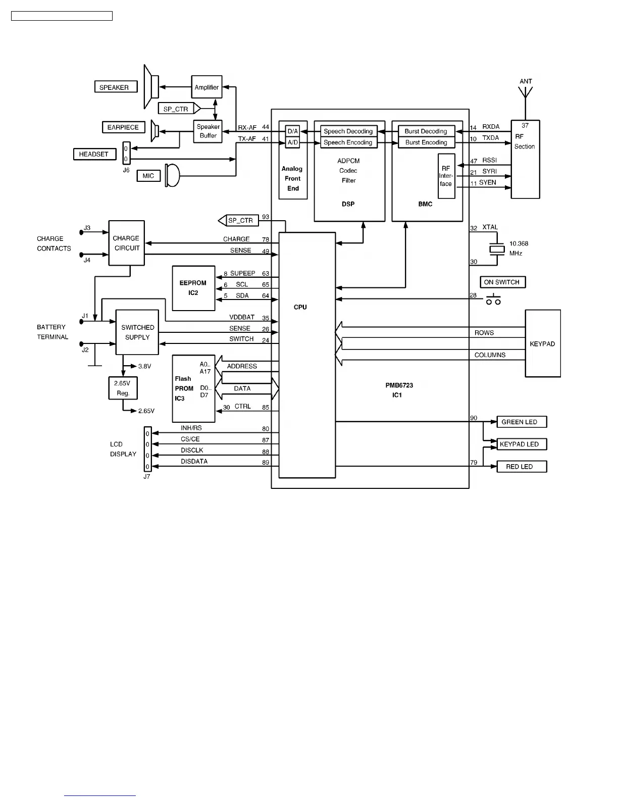
6 CIRCUIT OPERATION (HANDSET)
BLOCK DIAGRAM BASEBAND SECTION (HANDSET)
24
KX-TCD705RUM / KX-TCD705RUS

Table of Contents

Related product manuals