EasyManua.ls Logo

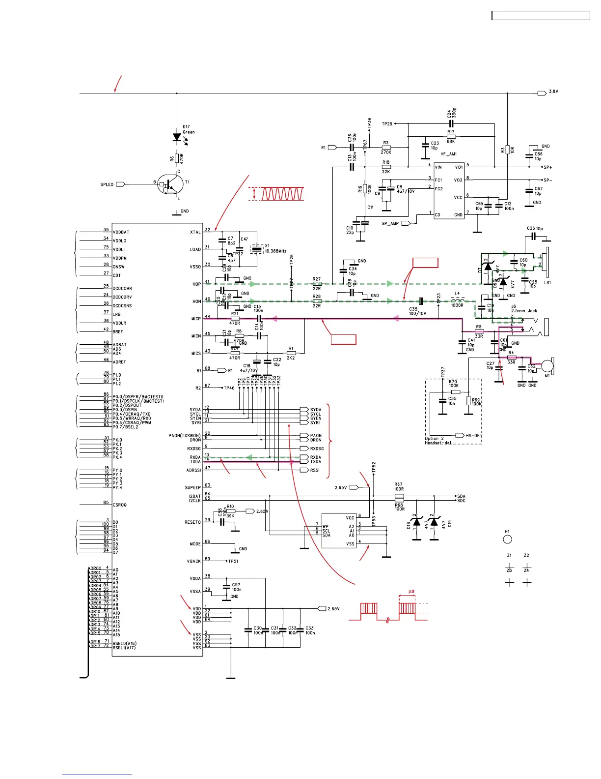
Panasonic KX-TCD705RUM - 17 Schematic Diagram (Handset)

Panasonic KX-TCD705RUM
80 pages
Print Icon
To Next Page IconTo Next Page
To Next Page IconTo Next Page
To Previous Page IconTo Previous Page
To Previous Page IconTo Previous Page
Loading...
47K
N.M
N.M
N.M
(1)
(2~9) (11~15) (16~20) (21~28) (29~31)(32~35) (36~41) (42~47)
(48)
(10)
IC1
IC2
3.8V DC
2.65V
0V
RX-AF
TX-AF
1.8V DC IN TALK MODE
To RF SECTION
2.65V
RX-DATA
TX-DATA
0V
Frequency
10.368MHz
1V
10.368MHz burst
2V
400
m
s typically
0.8V
0V
KX-TCD705RUM/ KX-TCD705RUS: SCHEMATIC DIAGRAM (HANDSET) Handset
75
KX-TCD705RUM / KX-TCD705RUS

Table of Contents

Related product manuals