EasyManua.ls Logo

Panasonic KX-TCD705RUM - Rf Module

Panasonic KX-TCD705RUM
80 pages
Print Icon
To Next Page IconTo Next Page
To Next Page IconTo Next Page
To Previous Page IconTo Previous Page
To Previous Page IconTo Previous Page
Loading...
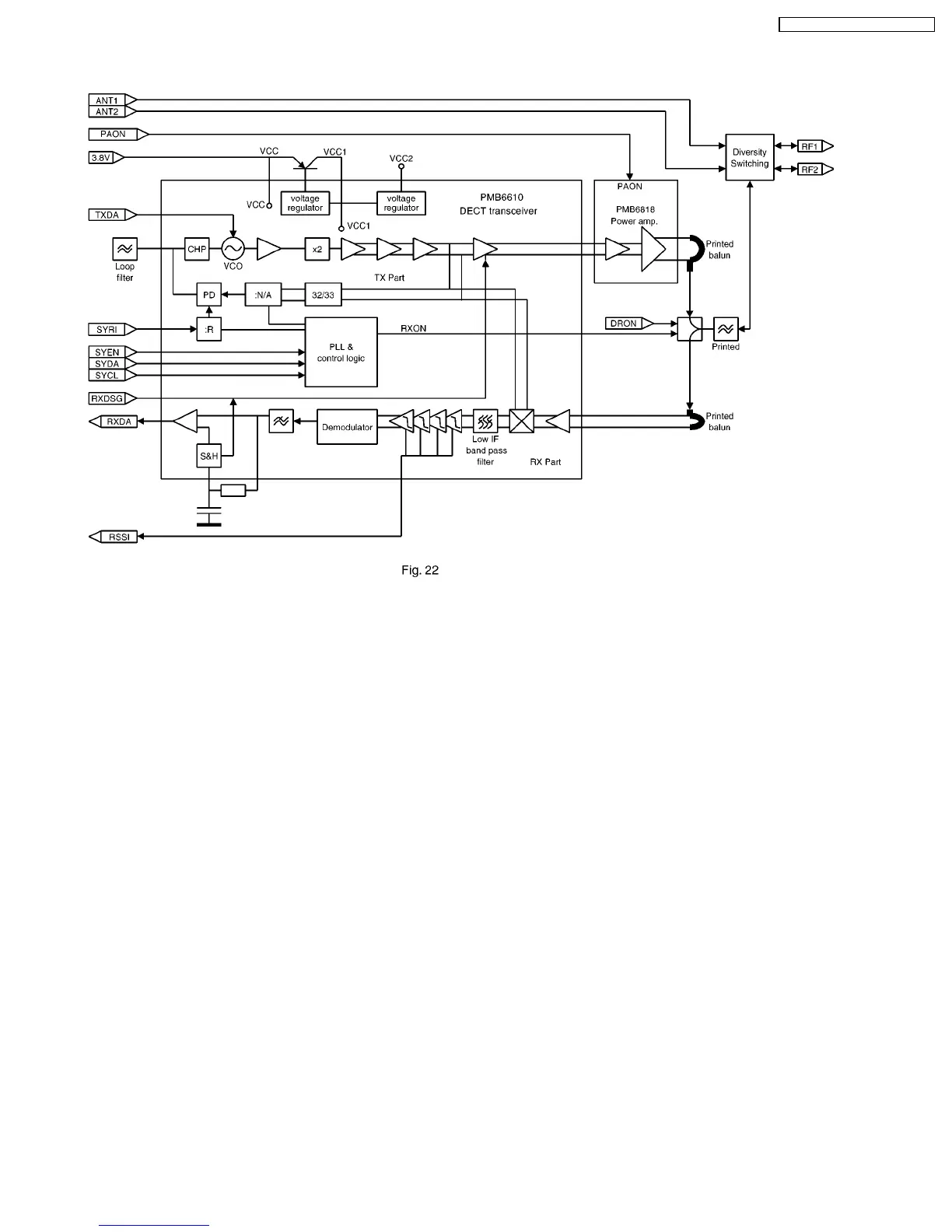
5.3. RF MODULE
BLOCK DIAGRAM RF MODULE
5.3.1. RF MODULE (SEE BLOCK DIAGRAM Fig.22)
The RF Module consists of two main components: the PMB6610 transceiver and the PMB6818 power amp.
In the transceiver the 10.368MHz clock signal SYCL is multiplied to around 1.9GHz using PLL (Phase Locked Loop) control.
The TXDA signal is used to control the modulation of this frequency by up to +/- 400 kHz.
Received signals are demodulated, filtered and sent to the BBIC via the RXDA line.
The RSSI (Radio Signal Strength Indicator) signal enables the implementation of diversity switching whereby two antennae can
be mounted in different orientations and their signals compared. The one with better reception can be selected by the BBIC
using the ANT1 and ANT2 lines.
23
KX-TCD705RUM / KX-TCD705RUS

Table of Contents

Related product manuals