EasyManua.ls Logo

Panasonic KX-TCD705RUM - Handset

Panasonic KX-TCD705RUM
80 pages
Print Icon
To Next Page IconTo Next Page
To Next Page IconTo Next Page
To Previous Page IconTo Previous Page
To Previous Page IconTo Previous Page
Loading...
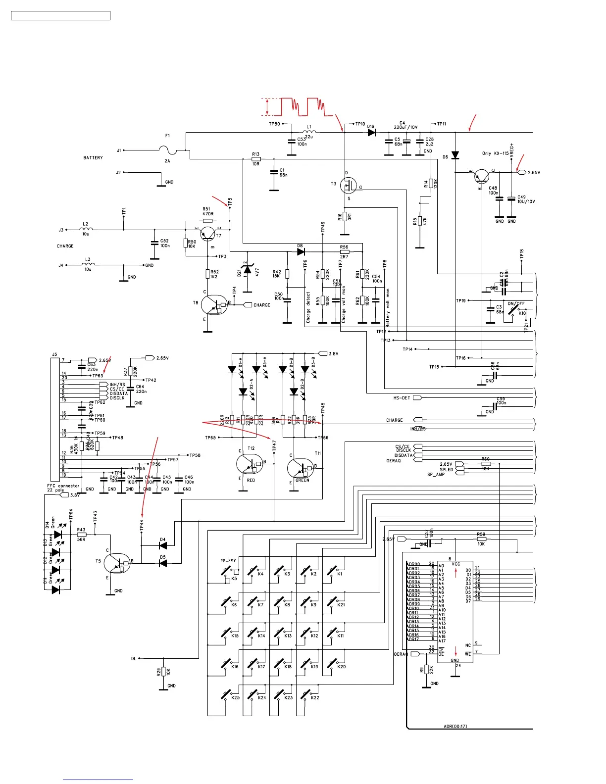
17 SCHEMATIC DIAGRAM (HANDSET)
17.1. Handset
(1)
(2~9) (11~15) (16~20) (21~28) (29~31)(32~35)
(48)
(10) (36~41) (42~47)
IC3
3.8V DC
Frequency
160kHz
7.2V
3.4V to 4.8V SWITCHING DURING CHARGE
2.2V LED ON
0V LED OFF
2.65V DC
2.4V
2.65V
0V
0V
4.1V
DTC143X
74
KX-TCD705RUM / KX-TCD705RUS

Table of Contents

Related product manuals