EasyManua.ls Logo

Panasonic KX-TCD705RUM - THE LINE INTERFACE SECTION (SEE BLOCK DIAGRAM Fig. 17)

Panasonic KX-TCD705RUM
80 pages
Print Icon
To Next Page IconTo Next Page
To Next Page IconTo Next Page
To Previous Page IconTo Previous Page
To Previous Page IconTo Previous Page
Loading...
5.2. THE LINE INTERFACE SECTION (SEE BLOCK DIAGRAM Fig. 17)
5.2.1. INTRODUCTION
This section consists of the telephone line interface, bell detector, charge-pulse detector, hook switch, pulse dialing circuits,
audio circuits, DC mask & line impedance circuits, power supplies, and battery charger circuits.
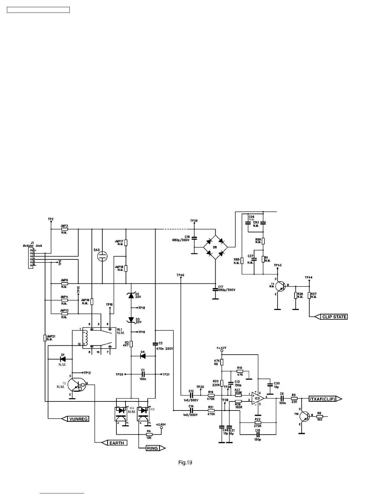
5.2.2. TELEPHONE LINE INTERFACE (SEE Fig. 19)
The telephone line is connected to a bridge rectifier D8. Surge suppressor SA3 protects against excessive line voltages. Test
points are TP40 (A), TP26 (B). A 16 kHz notch filter L3 and L5 block the 16 kHz “charge pulse” signal from the rest of the line
input circuitry. Bridge rectifier D8 provides for lines of either polarity. The output of D8 is “Line +” (TP39) and “Line -” which is
ground.
5.2.3. BELL DETECTOR (SEE Fig. 19)
The AC ringing signal is detected by phoptocoupler IC2, using its internal diode in conjunction with D4. DC from the line is
blocked by C2. The other components D2, D3, and R3 reduce current and increase the circuit impedance in line with national
requirements. When ringing is detected IC2 will turn on, and the RING line will be dragged to a low voltage.
5.2.4. CLIP CIRCUITS (SEE Fig. 19)
The CLIP signal is detected by IC3 and sent to the BBIC through the /TXAF line as a square waveform. The CLIP_STATE
signal from the BBIC is used to provide a CLIP impedance through a combination of components selected from R85, R86, C93,
C37, C97 and R1. The combination depends upon the CLIP requirements of the specific country - often there is no
requirements for the CLIP_STATE impedance.
T10 disables the CLIP signal during the off-hook condition.
Circuit Diagram
20
KX-TCD705RUM / KX-TCD705RUS

Table of Contents

Related product manuals