EasyManua.ls Logo

Panasonic KX-TCD705RUM - RF Section

Panasonic KX-TCD705RUM
80 pages
Print Icon
To Next Page IconTo Next Page
To Next Page IconTo Next Page
To Previous Page IconTo Previous Page
To Previous Page IconTo Previous Page
Loading...
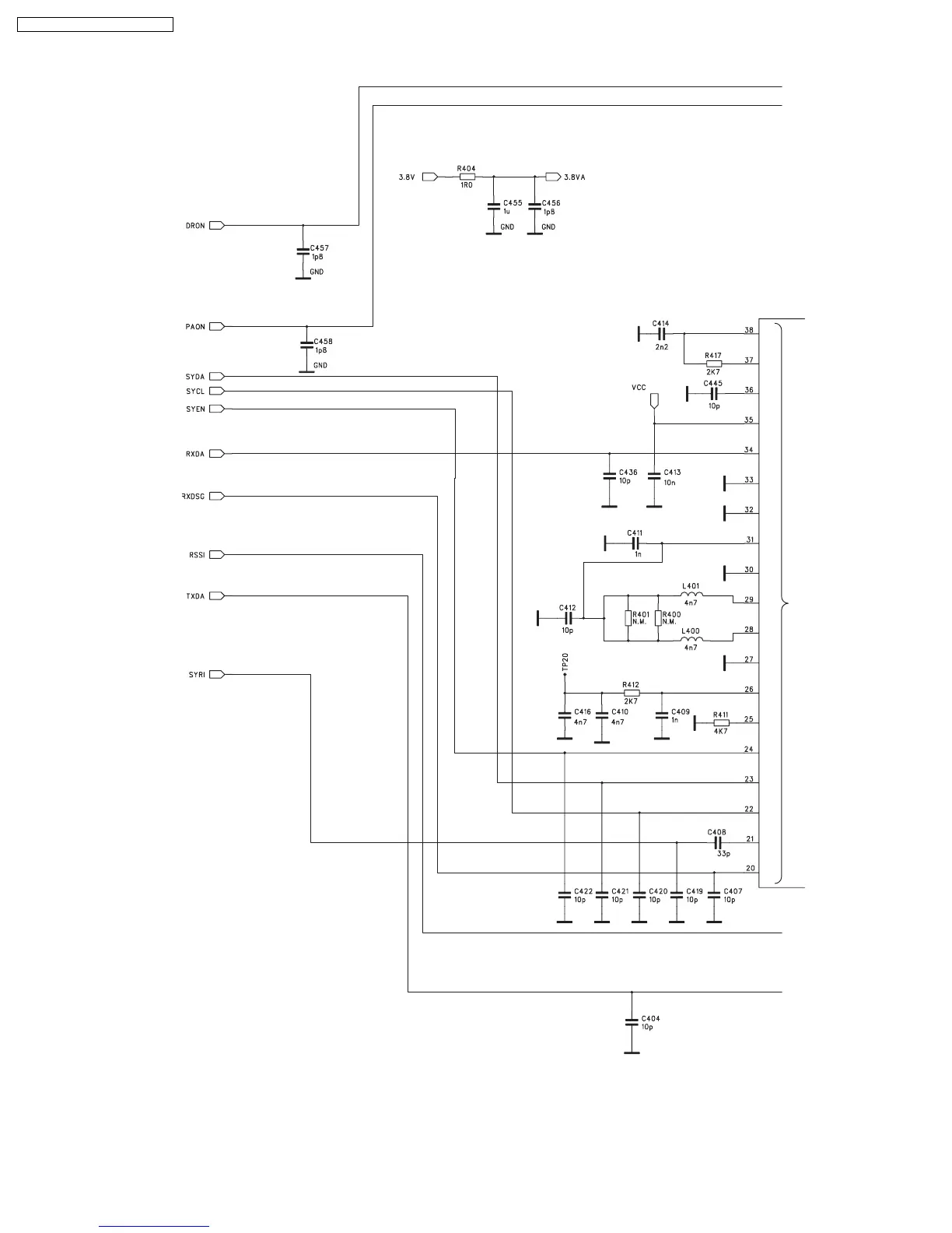
17.2. RF Section
IC402
(3) (4)(5)(2)(1)
76
KX-TCD705RUM / KX-TCD705RUS

Table of Contents

Related product manuals