EasyManua.ls Logo

Panasonic KX-TCD705RUM - Page 76

Panasonic KX-TCD705RUM
80 pages
Print Icon
To Next Page IconTo Next Page
To Next Page IconTo Next Page
To Previous Page IconTo Previous Page
To Previous Page IconTo Previous Page
Loading...
IC400
IC402
(3) (4)(5)(2)(1)
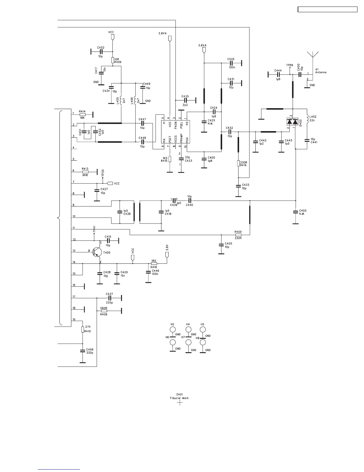
KX-TCD705RUM/ KX-TCD705RUS: SCHEMATIC DIAGRAM (HANDSET) RF Unit
77
KX-TCD705RUM / KX-TCD705RUS

Table of Contents

Related product manuals