EasyManua.ls Logo

Panasonic KX-TCD705RUM - Page 22

Panasonic KX-TCD705RUM
80 pages
Print Icon
To Next Page IconTo Next Page
To Next Page IconTo Next Page
To Previous Page IconTo Previous Page
To Previous Page IconTo Previous Page
Loading...
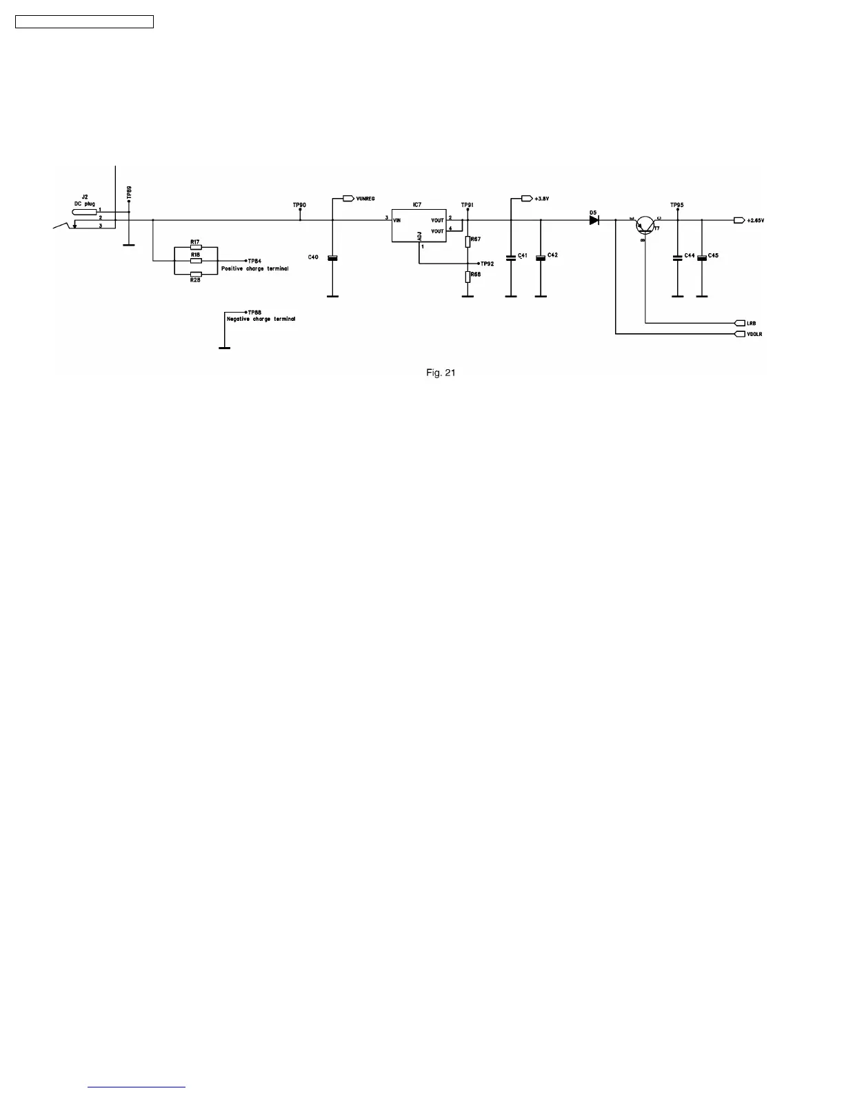
5.2.8. POWER SUPPLIES (SEE Fig. 21)
The AC adaptor for the KX-TCD705 provides unregulated DC through J2 for the handset charge terminal, the 3.8V regulator
(IC7) and the Relay coil (RL1) when fitted.
The 3.8V supply from IC7 is used for the RF module, and is further reduced by T7 to 2.65B for the BBIC supply.
R17, 18 and 28 provide short circuit/over current protection at the handset charge terminal.
Circuit Diagram
22
KX-TCD705RUM / KX-TCD705RUS

Table of Contents

Related product manuals