EasyManua.ls Logo

Panasonic KX-TCD705RUM - Page 70

Panasonic KX-TCD705RUM
80 pages
Print Icon
To Next Page IconTo Next Page
To Next Page IconTo Next Page
To Previous Page IconTo Previous Page
To Previous Page IconTo Previous Page
Loading...
IC1
RX-DATA
10.368MHz burst
+2.5V peak
70ns 700ms
(1)(2)(3)(4)(5)(6)(7~10)(11)(12)(13)
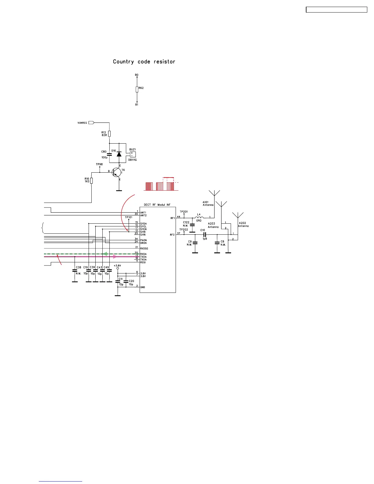
KX-TCD705RUM/ KX-TCD705RUS: SCHEMATIC DIAGRAM (BASE UNIT) Base Band
6K2
71
KX-TCD705RUM / KX-TCD705RUS

Table of Contents

Related product manuals