EasyManua.ls Logo

Panasonic SA-PM45E - 15 Block Diagram; CD Servo; Optical Pickup Unit

Panasonic SA-PM45E
94 pages
Print Icon
To Next Page IconTo Next Page
To Next Page IconTo Next Page
To Previous Page IconTo Previous Page
To Previous Page IconTo Previous Page
Loading...
15 Block Diagram
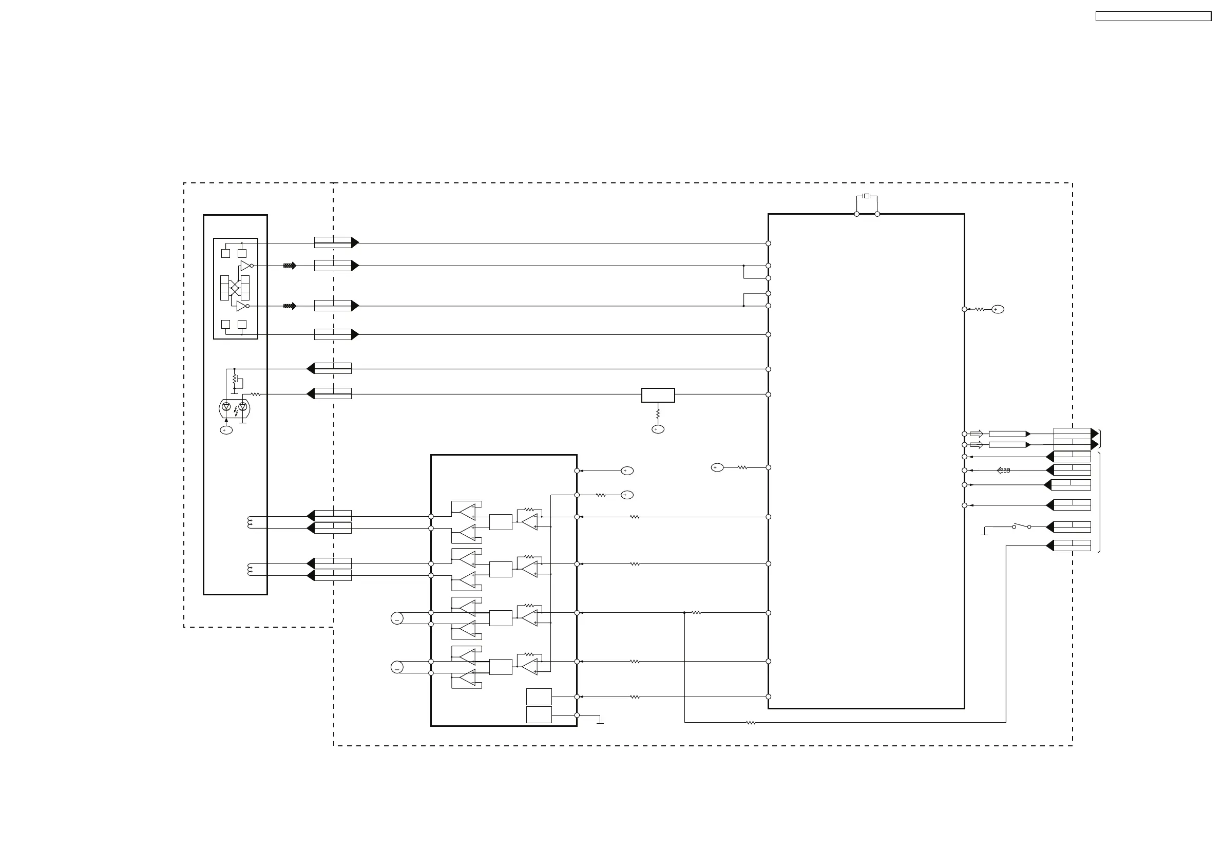
15.1. CD SERVO/ OPTICAL PICKUP UNIT
61/#+0
$.1%-&+#)4#/
61/#+0
$.1%-&+#)4#/
5
=?/&#6#
=?':6
=?':6
=?':6
=?56#6
=?/%.-
=?$.-%-
=?456
=?/.&






%2
%2
%2
%2
%2
%2
%2
%2

%2
%2
%2
%2

%2
%2

%2
%2


%2
%2
%2
%2
/76'
=%*?
.'8'.
5*+(6
=%*?
.'8'.
5*+(6
=%*?
.'8'.
5*+(6
=%*?
.'8'.
5*+(6
=%*?
/76'
=%*?
=?2&
=?.&
=?(12
+%
$#(2'
%*&4+8'
+0

=?642
+0

+0
=?6482
=?52176
=?2%
+0
2%
84'(
28%%
28%%
8%%


&

&

&

&

&

&

/
64#8'45'
/1614
&

&

/
52+0&.'
/1614
126+%#.2+%-722%$
%&5'4812%$
$
(1%75
%1+.
64#%-+0)
%1+.
6
126+%#.2+%-72
2*161&'6'%614
5'/+%10&7%614
.#5'4
(
(
6
%&A8
2%
$
$
$
/
/
=?84'(
84'(
84'(
8
$
8
$
+%
3
59+6%*
/0/#
5'481241%'5514
&+)+6#.5+)0#.241%'5514
&+)+6#.(+.6'4&#%108'46'4
=?%
'' ''
'('(
& %
# $
& %
=?$
=?'
=?#
=?&
=?(
=?176.
=?#8&&
=?+1&&
=?24#/8&&
=?+1&&
=?4')10
=?06'56
%&4+)*6%*
%&.'(6%*
:
=?:
=?:
%0
%0
%0
%0
=?1764
%0
%0
%0
%0
%0
%0
%0
%0
%0
%0
%0
%0
5#2/'''')%&5'481126+%#.2+%-7270+6$.1%-&+#)4#/
4'5'659+6%*
SA-PM45E / SA-PM45EG / SA-PM45EE
59

Table of Contents

Related product manuals