EasyManua.ls Logo

Panasonic SA-PM45E - Main Circuit

Panasonic SA-PM45E
94 pages
Print Icon
To Next Page IconTo Next Page
To Next Page IconTo Next Page
To Previous Page IconTo Previous Page
To Previous Page IconTo Previous Page
Loading...
17.2. MAIN CIRCUIT
B1
A
B
C
ABC I JKLM TUVW
B7
B11
A
B
C
B16
A
B
B18
B12
B13
B14
B15
B17
AB
B2
AB
B8
AB
B9 B10B3 B4 B5 B6
220
R941
R940 0
0R893
R939
0
R802 100
D804
D804, D805
B0ACEL000004
D805
16V10
C816
Q807
B1GBCFGJ0016
MOTOR SWITCH
Q807
Q808
B1GBCFGJ0016
PLUNGER SWITCH
Q808
B0ACEL000004
D802
470K
R815
15KR806
15K
R865
1K
R891
10KR856
R948 1K
R801
100
R864
15K
100R817
15K
R805
100R816
C420 50V1
330p
C781
4R7K
R750
Q750
B1GDCFGG0026
MUTING SWITCH
Q751
B1GBCFJJ0044
MUTING SWITCH
Q803
B1GBCFJJ0044
MUTING SWITCH
ZJ
100pC426
100pC226
LOADING
FL_CS
D_MPUTX
PL_L
D_MPUMOD
MUTE_A
D_MPUCLK
VOL_JOG1
CL
TUNED
VOL_JOG2
R441 33
4.7K
R445
4.7K
R442
C448 50V33
3.3K
R444
3.3KR443
C465
47P
C906 50V2.2
C902 0.22
C903 0.22
C918
16V10
C901 0.22
C900
0.22
C904 0.22
C905 0.22
C462
0.1
C461
0.1
C950
16V10
C456
0.12
0.12
C455
C433 50V1
C233 50V1
C443
50V0.1
50V0.1C445
C463
25V47
R446
10K
R447
10K
C440 0.015
0.1
C446
C441 0.015
C442 0.015
C449 0.015
C444 0.1
C907 50V2.2
C447
25V47
2
1
31
7
26
8
25
5
4
29
28
6
27
17
18
15
16
13
11
9
10
12
21
20
23
24
22
14
19
3
30
32
IC800
C1BB00000732
ASP IC
C464
47P
MOTOR_L
ASP_DATA
ASP_CLK
C953
1000P
L806
G0C101JA0027
L807
G0C101JA0027
4
3
7
5
6
1
2
9
10
8
Z401
ENG07823QF
TUNER PACK
R209
18K
SDA
DET
STEREO
A9V
TUNED
CL
CD_LCH
CD_RCH
6.8K
R204
R403
2.7K
2.7K
R203
PB_RCH
6.8K
R404
C202
220P
220P
C403
C203
220P15K
R206
R406
15K
C405
220P
C401
220P
C201
220P
5.6K
R201
MP_RCH
MP_LCH
8.2K
R211
R207
4.7K
4.7K
R205
5.6K
R401
TUNER_LCH
TUNER_LCH
TUNER_RCH
TUNER_RCH
8.2K
R411
C210
220P
220P
C410
5.6K
R202
5.6K
R402
R210
1K
18
16
14
8
9
11
12
10
2
3
1
5
7
6
4
13
15
17
19
CN804
AN7
MOTOR_L
PL_L
AN6
RECH
PHOTO
TAPE_EJECT
DMT
REC_RIN
REC_RIN
REC_LIN
REC_LIN
PB_RCH
PB_LCH
PB_LCH
R409
18K
C209
1000P
R410
1K
C409
1000P
MNF1
MNF2
BNF1
A1
SEL2OUT
B1
A2
VIN2
MOUT2
MOUT1
REC1
REC2
VIN1
SEL1OUT
LEFT
S1
VCC
CAP
RIGHT
D1
E1
E2
D2
FILTER
BNF2
BOUT1
BOUT2
C1
B2
C2
REC_LIN
REC_RIN
TAPE EJECT
VREF-
RECH
9VGND
DMT
9V(D9V)
PHOTO
MOTOR_GND
AN7
AGND
VREF+
PL_L
A9V
AN6
PB_ROUT
PB_LOUT
MOTOR_L
SCGND
D9V
D9V
A9V
VREF+
VREF+
W581
0
W578
0
W580
0
W570
0
W569 0
W587
0
W583
0
W582
0
W589
0
W560
0
W584
0
W550
0
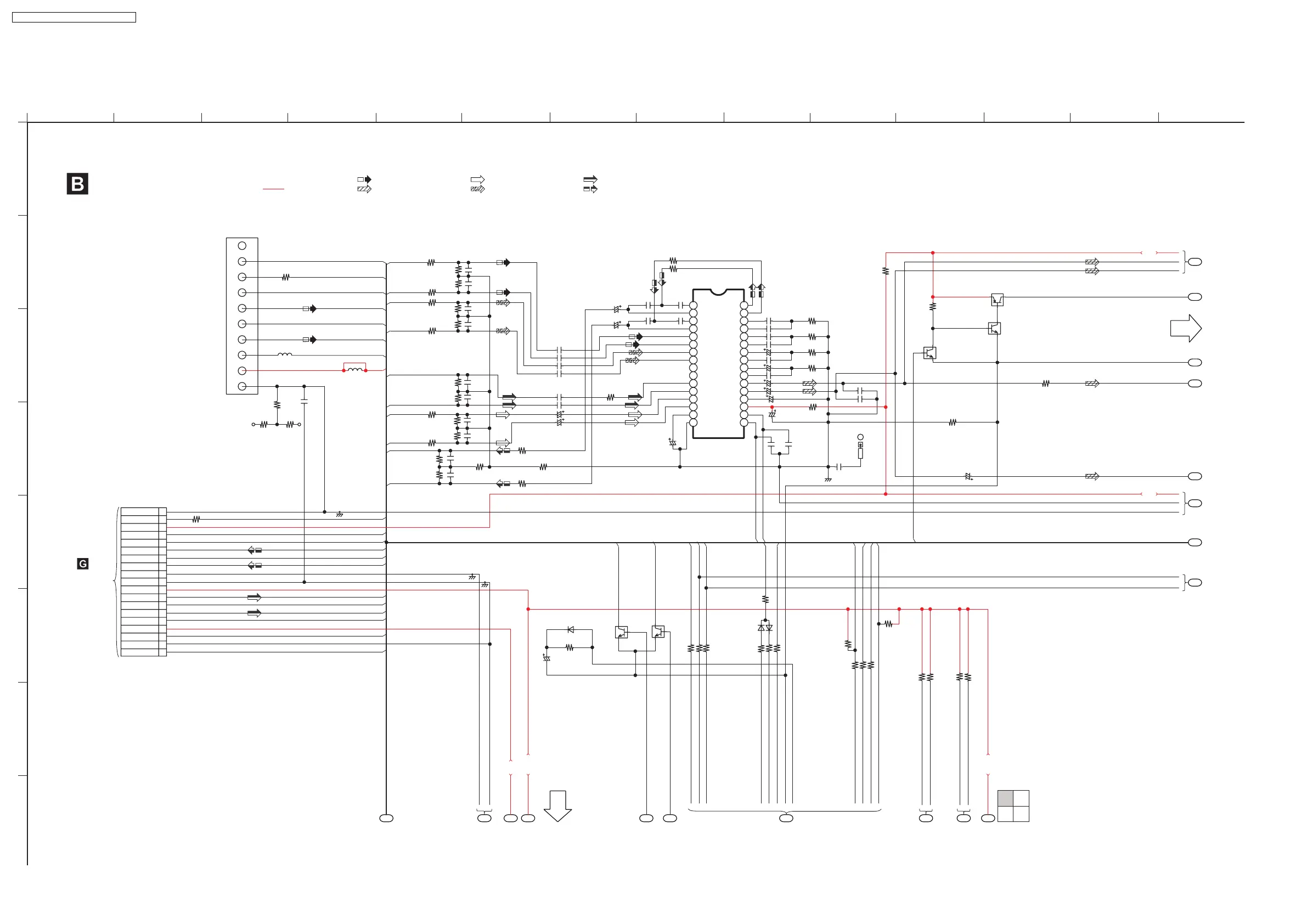
MAIN CIRCUIT
SCHEMATIC DIAGRAM - 2
: + B SIGNAL LINE
SA-PM45E/EE/EG MAIN CIRCUIT
3/4 4/4
1/4 2/4
: MAIN SIGNAL LINE
TO MAIN
SECTION (2/4)
TO MAIN
SECTION (3/4)
TO
DECK CIRCUIT
(CN1303) IN
SCHEMATIC
DIAGRAM-8
A
B
C
D
E
F
G
H
1234567891011121314
: AUX SIGNAL LINE
: FM/AM SIGNAL LINE : CD SIGNAL LINE
: TAPE RECORDING SIGNAL LINE
: TAPE PLAYBACK SIGNAL LINE
SA-PM45E / SA-PM45EG / SA-PM45EE
66

Table of Contents

Related product manuals