EasyManua.ls Logo

Panasonic SA-PM45E - 17 Schematic Diagram; CD Servo Circuit

Panasonic SA-PM45E
94 pages
Print Icon
To Next Page IconTo Next Page
To Next Page IconTo Next Page
To Previous Page IconTo Previous Page
To Previous Page IconTo Previous Page
Loading...
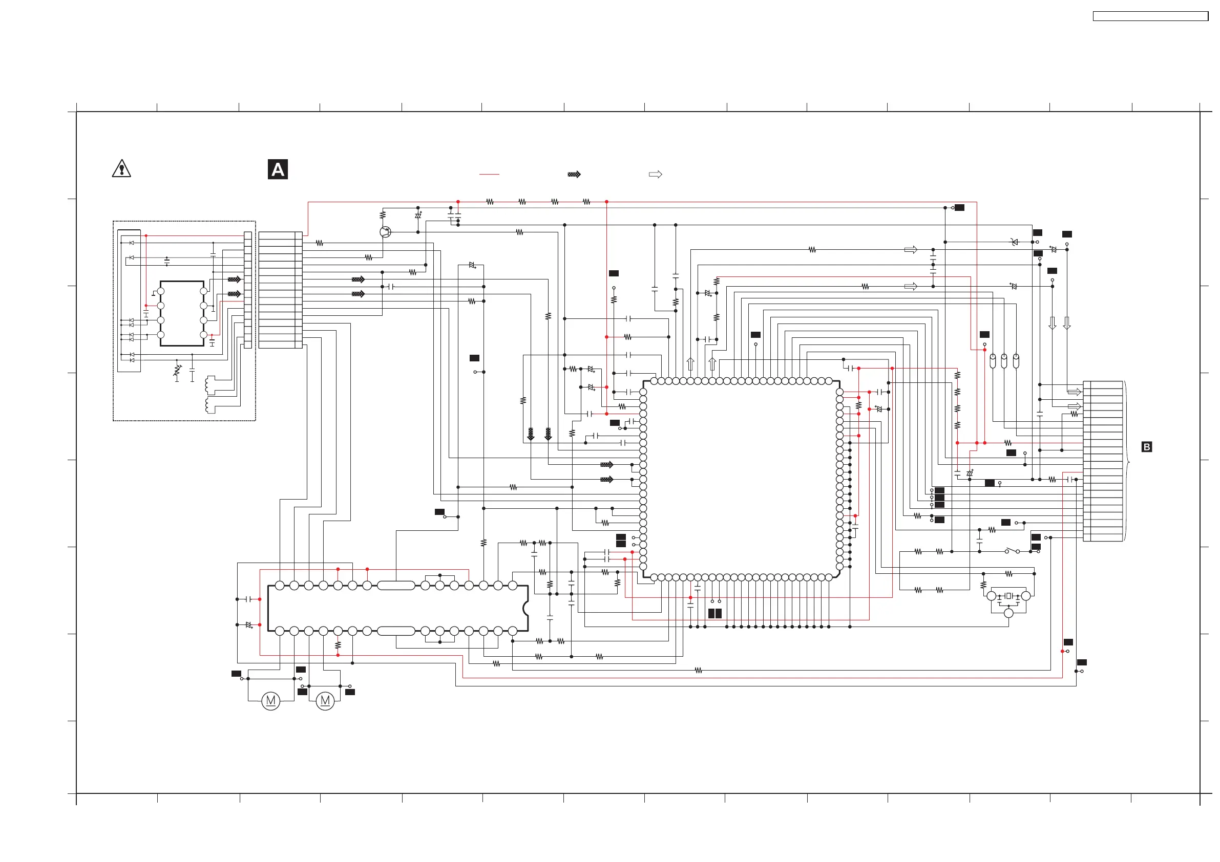
17 Schematic Diagram
17.1. CD SERVO CIRCUIT
TP
39
TP
38
TP
37
TP
36
TP
88
TP
89
TP
90
TP
50
TP
87
TP
86
TP
10
TP
11
TP
1
TP
2
TP
3
TP
4
TP
31
TP
9
TP
8
TP
7
TP
12
TP
13
TP
19
TP
17
TP
18
TP
14
TP
16
TP
24
TP
51
(RF)
TP
28
VREF
C7223
6.3V4.7
D7650
MAZ80560ML
C7225
1000P
50V1
C7227
1k
R7217
LB7262
0.1
C7263
R7218
1k
LB7264
LB7263
LB7262-LB7264
D0GBR00JA008
50V1
C7228
C7226
1000P
C7217
0.1
C7244
0.015
82k
R7211
100
R7221
C7231
6.3V220
C7230
0.1
820
R7212
C7241
1000P
C7218
0.082
C7216
680P
0.47
C7102
0.1
C7204
6.3V10
C7235
C7234
0.1
C7161
0.1
C7203
6.3V220
C7315
0.47
C7339
0.018
3.3k
R7315
10k
R7328
R7330
5.6K
10k
R7111
C7142
3300P
10
R7253
C7166
0.01
S7201
REST SW
1M
R7220
R7214
470
31
2
X7201
H2B169500005
1K
R7254
C7155 0.1
0.1C7154
10u
C7164
10u
C7165
470P
C7253
0.1
C7233
C7232
6.3V220
0.1
C7243
6
5
8
9
11
12
10
18
15
17
16
20
19
13
14
7
2
1
4
3
22
21
CN7002
0.022
C7107
79
77
76
78
49
47
48
50
7471 7267 685655
58
575251
54
53 65 6661 6259 60 6463 7069 73 75
10 8 7912 11
99
100
95
94
96
97
90
91
89
93
92
98
465 213
81
82
80
86
87
88
84
83
85
45
19 17 15 141618
43
23 21 2022
41
24
39
37
33
35
34
29
30
27
26
28
32
31
36
38
25
40
42
44
13
46
IC7001
MN6627954MA
SERVO PROCESSOR/
DIGITAL SIGNAL PROCESSOR/
DIGITAL FILTER D/A CONVERTER
C7264
0.1
C7601
6.3V33
4.7
R7601
C7614
6.3V100
C7670
0.1
C7626
0.1
Q7601
B1ADCF000001
LASER POWER DRIVE
Q7601
5.6
R7650
+
SPINDLE MOTOR
C7334
10V220
C7335
0.1
+
TRAVERSE MOTOR
C7613
0.1
GND1
6
5
8
9
10
12
11
7
2
1
4
3
14
13
16
15
CN7001
1k
R7327
18k
R7349
10
R7336
100
R7335
1k
R7332
22k
R7331
3.3k
R7323
330
R7325
1k
R7329
C7352
0.018
1k
R7339
C7338
0.056
191817 2015 16
14 12 911 1013
22 233021 282724 25 26
2167298345
IC7002
BA5948FPE2
4 CH DRIVE IC
MLD
7.5V
MCLK
MDATA
RST
STAT
BLKCK
PGND
3.3V
ST_IN
TX
LD SW
DGND
ST_CLK
AGND
AGND
DGND
ST_REQ
RESET_SW
LCH OUT
RCH OUT
LOADING
A9
A11
TRP
TRVP
BA1
A0
A2
A4
A6
A8
A7
A5
A3
A1
A10
NWE
BA0
PC
NRAS
NCAS
PRAMVDD15
PRAMVDD33
PRAMVSS33
SPOUT
F
A
B
E
GND
T-
F-
F+
T+
LPD
VREF
LD GND
GND (GUARD)
GND (GUARD)
LD
VCC
6
5
8
9
10
12
11
7
2
1
4
3
14
13
16
15
PVCC1
D4+
D1-
PVCC2
NC
NC
NC
NC
NC
NC
NC
IN2
NC
PC1
PC2
IN1
GND
PGND1
FO GAIN
GND
IN4
IN3
VCC
FOP
VREF
PGND2
D3+
D2-
D3-D2+
D1+
D4-
TRV GAIN
[50] ARFFB
RFIN
A
B
F
E
D
C
PD
LD
VREF
CENV
AVDD2
RFENV
AVSS2
IODD2
[26] DVSS1
DVDD1
OSCIN
RFOUT
ARFDC
[49] ARFOUT
CTRCRS
SRVMON0
SRVMON1
DVDD2 [76]
X2
X1
REGON
D5
D7
D8
D9
D15
D13
D11
D10
D12
D14
D6
SDRCK [100]
DRVDD
NTEST
D1
D3
D4
D0
D2
IODD1 [77]
DVSS2
ARFIN
IREF
OUTL
TX
MLD
EXT1
FLAG
STAT
NRST
MCLK
EXT2
OUTR
EXT0
PLLF
AVSS1
SMCK
PMCK
DVSS3
BLKCK
MDATA
AVDD1
PLLF0
DSLF
DQSYTXT
NSRVMONON
C
C
C
C
LASER DIODE
11
12
6
8
2
3
GND
VCC
AIN
BIN
VREF
NAOUT
GND
NBOUT
1
2
3
4
5
6
7
8
10
5
4
9
C
W7025
0
W7023
0
W7017
0
W7026
0
W7021
0
W7016
0
W7024
0
W7013
0
W7012
0
W7014
0
W7022 0 W7020 0 W7019 0 W7018 0
W7015
0
W7027
0
W7005
0
W7029
0
W7028
0
W7007
0
W7006
0
W7008
0
W7009
0
W7010
0
W7011
0
W7001
0
W7003
0
W7004
0
W7002
0
A
B
C
D
E
F
G
H
1234567891011121314
1234567891011121314
A
B
D
E
F
H
G
C
: + B SIGNAL LINE
SA-PM45E/EE/EG CD SERVO CIRCUIT
CD SERVO CIRCUIT
TO
MAIN CIRCUIT
(CN807) IN
SCHEMATIC
DIAGRAM - 4
SCHEMATIC DIAGRAM - 1
OPTICAL PICKUP CIRCUIT
(FOR REFERENCE ONLY)
: CD DA SIGNAL LINE
: CD SIGNAL LINE
SA-PM45E / SA-PM45EG / SA-PM45EE
65

Table of Contents

Related product manuals