EasyManua.ls Logo

Panasonic SA-PM45E - Transformer Circuit, Deck Mechanism Circuit, Tape Eject Circuit

Panasonic SA-PM45E
94 pages
Print Icon
To Next Page IconTo Next Page
To Next Page IconTo Next Page
To Previous Page IconTo Previous Page
To Previous Page IconTo Previous Page
Loading...
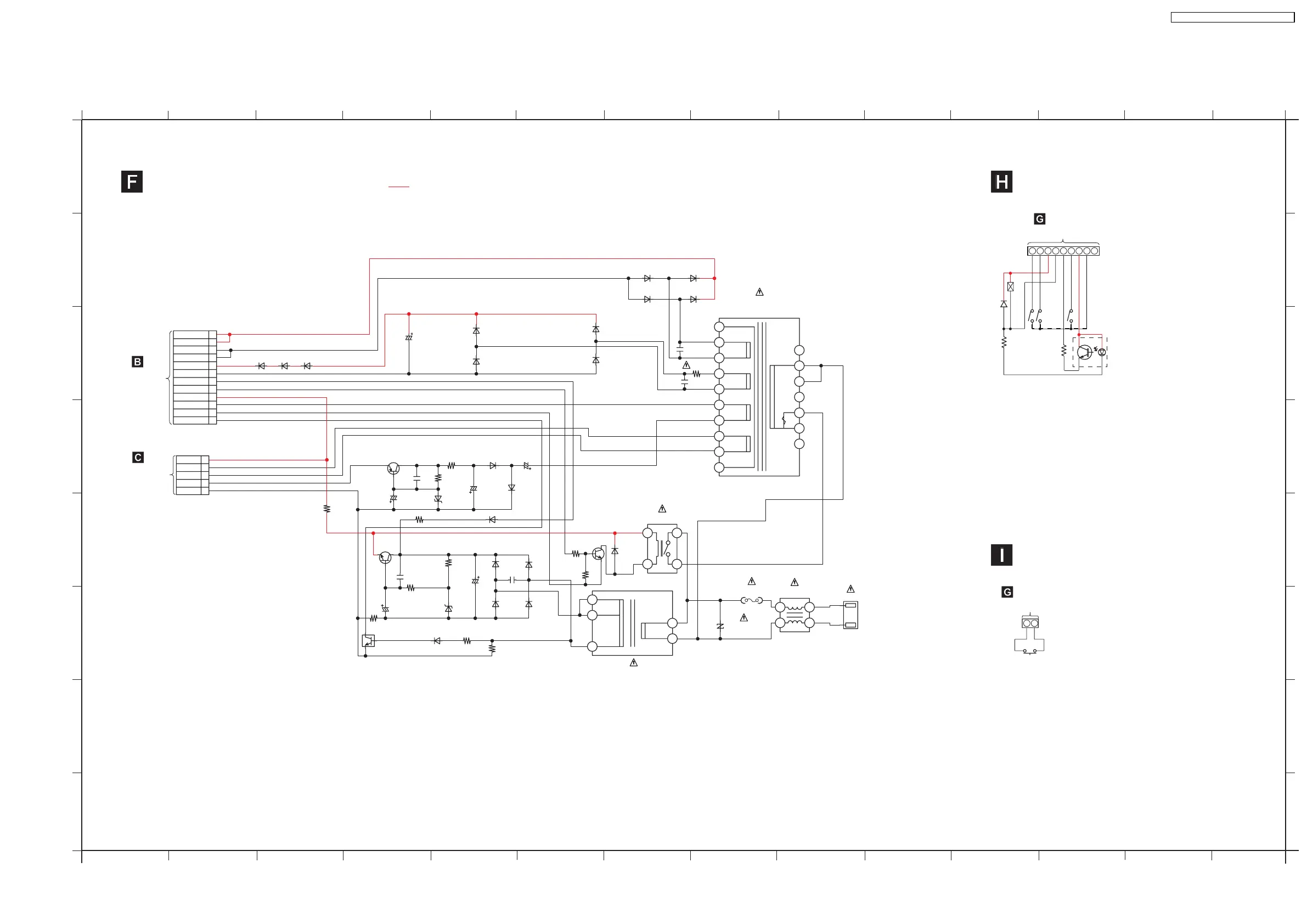
17.4. TRANSFORMER CIRCUIT, DECK MECHANISM CIRCUIT, TAPE EJECT CIRCUIT
S1000
TAPE EJECT
JW308A
1
2
D613
D615
B0ACEL000004
D600
D602, D609
B0EAKM000117
D602
C612
50V100
D625
Q603
2SB0621AHA
VOLTAGE REGULATOR
C611
50V47
7
9
10
8
4
5
1
3
2
6
12
11
CN505B
C609
50V100
D611
B0EAKM000117
D611
D610
B0BC02900004
D626
D609
D627
C610
0.01
R611
3.3K
R608
12
0.01
C601
C603
16V1000
D604
Q601
2SC3940ARA
VOLTAGE REGULATOR
Q601
R601 22
0.01
C604
R603
820
D606
R600
47K
D614
D612
D625 - D627
B0EAKM000168
D612 - D615
B0EAKM000168
Q600
B1AACF000063
PCONT SWITCH
Q600
SYS6V
25V100
C602
MOTOR_9V
R604
4.7K
PCONT_1
R606
10K
150
R605
D605
D607
B0BC6R700006
D603
D603 - D606
B0EAKM000117
R607
10K
25V47
C605
GND2
D608
B0ACEL000004
Q602
Q602
B1GACFJJ0018
VOLTAGE REGULATOR
HALT
D616
D616 - D619
B0EAMM000038
SCHEMATIC DIAGRAM - 7
SA-PM45E/EE/EG TRANSFORMER / DECK MECHANISM / TAPE EJECT CIRCUIT
TRANSFORMER CIRCUIT
F2 F1
Z600
ERZV10V511CS
JK600
AC IN
230V 50Hz
4
3
1
2
L600
G0B371HA0005
10
8
9
7
16
15
17
12
11
14
13
4
5
2
1
3
6
T601
G4CYAYY00139
POWER TRANSFORMER
FP601
5A
3
4
1
2
RL600
K6B1AEA00015
7
6
3
2
9
T600
G4CYAYY00137
SUB TRANSFORMER
50V0.1u
C613
50V0.1u
C614
ECQE2104KF3
D617 D619
D618
F1
250V T630mA
-VP 2
3
1
5
4
CN900B
SYS6V
FL1
FL2
GND2
GND
GND
SUB+B_GND
+VCC_16V
SUB+B_11V
GND1
+VCC_16V
987654321
IC971
CNB13030R2AU
PHOTO INTERRUPTOR
IC971
MODE
HALF
PL
PL_GND
PHOTO_T
RECINH_F
VREF+
VREF-
CS971
S971
MODE
S975
RECINH_F
S972
HALF
PL
R972
820
R973
39K
D971
MA2C16500E
W523
0
W521
0
A
B
C
D
E
F
G
H
1234567891011121314
1234567891011121314
A
B
D
E
F
H
G
C
: + B SIGNAL LINE
TO
MAIN CIRCUIT
(CN803) IN
SCHEMATIC
DIAGRAM-5
TO
PANEL CIRCUIT
(WH900) IN
SCHEMATIC
DIAGRAM-6
TAPE EJECT CIRCUIT
DECK MECHANISM CIRCUIT
TO
DECK CIRCUIT (CP1902)
IN SCHEMATIC DIAGRAM-8
TO
DECK CIRCUIT (JW308B)
IN SCHEMATIC DIAGRAM-8
SA-PM45E / SA-PM45EG / SA-PM45EE
71

Table of Contents

Related product manuals