EasyManua.ls Logo

Panasonic SA-PM45PC - Disassembly of Panel P.C.B, Headphone P.C.B & Music Port P.C.B

Panasonic SA-PM45PC
76 pages
Print Icon
To Next Page IconTo Next Page
To Next Page IconTo Next Page
To Previous Page IconTo Previous Page
To Previous Page IconTo Previous Page
Loading...
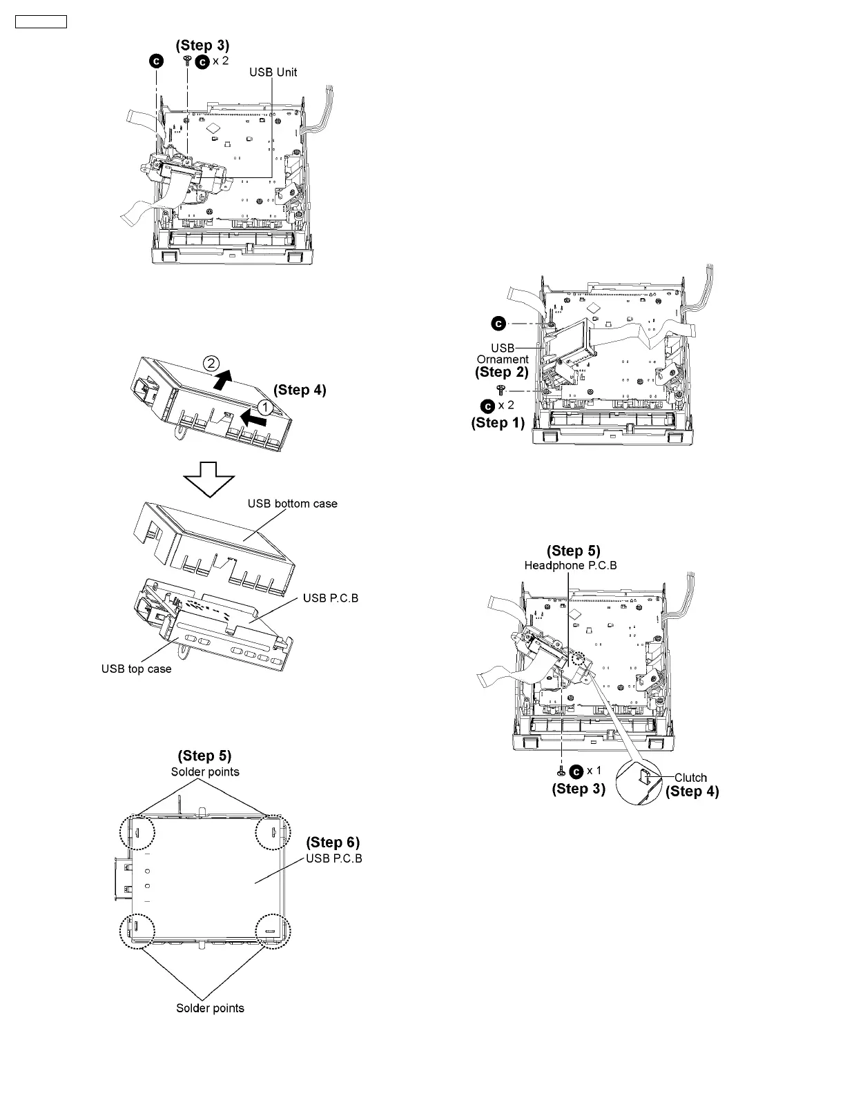
Step 3 : Remove 2 screws and USB Unit.
Step 4 : Remove USB bottom case as arrow shown.
Step 5 : Unsolder 4 points.
Step 6 : Remove USB P.C.B.
9.9. Disassembly of Panel P.C.B,
Headphone P.C.B & Music
Port P.C.B
·
Follow the (Step 1) - (Step 6) of Item 9.4.
·
Follow the (Step 1) of Item 9.5.
·
Follow the (Step 1) - (Step 6) of Item 9.6.
·
Follow the (Step 1) - (Step 3) of Item 9.7.
·
Disassembly of Headphone P.C.B
Step 1 : Remove 2 screws.
Step 2 : Remove the USB Ornament.
Step 3 : Remove 1 screw.
Step 4 : Release the clutch.
Step 5 : Remove the Headphone P.C.B.
·
Disassembly of Music Port P.C.B
24
SA-PM45PC

Table of Contents

Related product manuals