EasyManua.ls Logo

Panasonic SA-PM45PC - Panel, Headphone, and Music Port Circuit Schematic

Panasonic SA-PM45PC
76 pages
Print Icon
To Next Page IconTo Next Page
To Next Page IconTo Next Page
To Previous Page IconTo Previous Page
To Previous Page IconTo Previous Page
Loading...
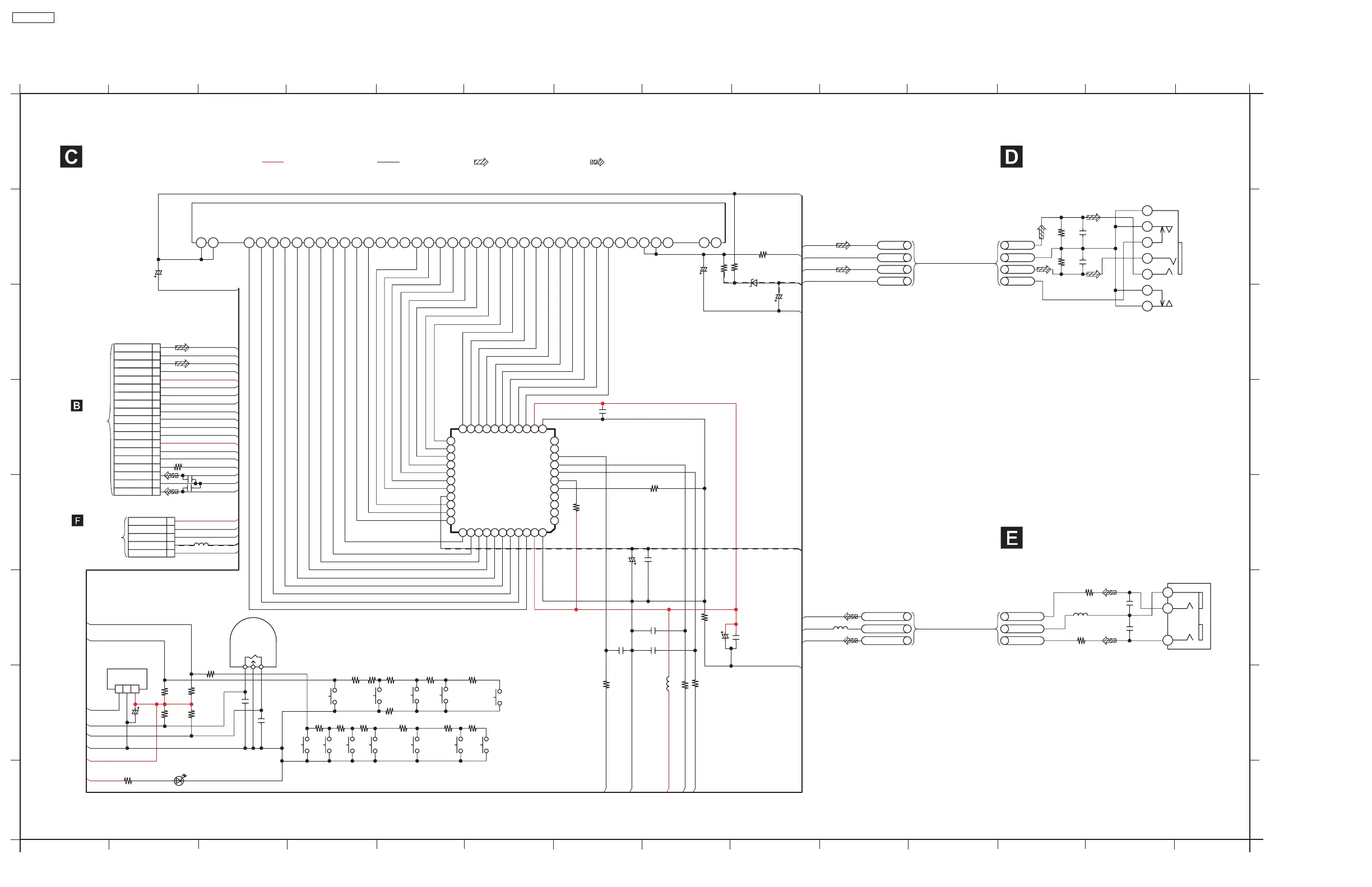
15.3. PANEL CIRCUIT, HEADPHONE CIRCUIT and MUSIC PORT CIRCUIT
SEG8
SEG7
SEG4
SEG3
SEG2
SEG1
SEG17
GRID11
SEG6
SEG5
L901
G0C3R3JA0027
R918 1K
R917 1K
GND2
10V22
C924
C913
0.01
R927
10K
C923
50V22
1K
R920
C927
100P
C914
0.1
21
5
6
3
1
2
4
19
9
7
8
1617
11
10
1215 14 131820
35 37 42 44433938 414036
33
22
31
29
27
24
23
26
25
28
30
32
34
IC900
C0HBB0000057
FL DRIVER
C925
100P
100P
C926
R926
100K
-VP
C912
0.1
R923
68
C910
50V22
R922
68
FL1
FL2
GND2
-VP
B0BC5R600003
D900
C915
50V22
SEG12
SEG14
SEG13
SEG10
SEG9
SEG11
SEG15
SEG16
FL_CS
FL_DATA
D3.3V
VOL_JOG1
RMT
FL_CLK
GND
GND
HP_R
HP_L
HP_SW
GRID10
GRID9
GRID8
GRID7
GRID6
GRID5
GRID4
GRID3
GND2
C911
50V22
GRID2
GRID1
435612 8 3736 383231 343327 2825 26 3029 35 40391312 15 161491110 23 2418 1917 21 22207 44
FL900
A2BB00000166
FL DISPLAY
GND
L204
G0C3R3JA0027
S906
FL_CS
FL_CLK
D3.3V
FL_DATA
MUSIC_LCH
MUSICP_RCH
MUSIC_LCH
MUSICP_RCH
WH301A
HP_R
HP_SW
HP_SW
HP_L
GND
GND
GND2
-VP
FL2
FL1
S900
1.2K
R892
SYS6V
1.2K
R910
S907
R821
10K
KEY1
MUSIC_LCH
VREF-
GND
MUSICP_RCH
C212
1000P
C412
1000P
KEY2
VREF+
VOL_JOG2
18
16
14
8
9
11
12
10
2
3
1
5
7
6
4
13
15
17
19
CN901A
132
Z901
B3RAD0000143
REMOTE SENSOR
31
VR900
EVEKE2F2524B
VOLUME JOG
KEY2
R915
1K
VREF-
SYS6V
RMT
VOL_JOG1
C922
6.3V47
VREF+
D906
B3AAA0000489
STANDBY LED
100P
C921
C920
100P
10K
R822
R924
100K
R925
100K
VOL_JOG2
KEY1
S912
R914
3.3K
S905
4.7K
R906
4.7K
R905
R912
1.5K
S909
2.2K
R913
S911
S910
GND2
L905
G0C101JA0027
2
3
1
5
4
WH900
1.5K
R907
S901
S902
3.3K
R904
S904
2.2K
R903
S903
MUSIC PORT
AM
PRESET EQ
/FF/
/REW/
OPEN/CLOSE
STOP
BASS/TREBLE
USB
CD
GND2
WH401A
WH301B
WH504
GND
FL1
FL2
SYS6V
POWER
FM
-VP
[21]SEG9
[22]SEG8
[32]GRID11
[33]GRID10
NC[11]
NC[01]
SEG5
SEG6
SEG2
GRID9
-Vp
SEG1
SEG4
SEG3
SEG17
SEG7
SEG11
SEG14
SEG12
SEG13
DOUT
FLDATA
VSS
FL_CS
NC
SEG16
SEG15
VDD
FL_CLK
GRID4
GRID3
GRID6
GRID5
NC
GRID1
VDD
GRID2
VSS
NC
NC
OSC
SEG10
GRID8
GRID7
(GND)
ABC
AGND
MUSICP_RCH
MUSICP_LCH
VREF-
VOL_JOG1
AGND
FL_CS
FL_CLK
RMT
HP_SW
FL_DATA
D3.3V
HP_L
HP_GND
HP_R
VREF+3.3V
KEY1
KEY2
VOL_JOG2
C411
1000P
1000P
C211
2
1
3
JK303
MUSIC PORT
L203
J0JBC0000019
1R8K
R212
R412
1R8K
MUSICP_RCH
MUSIC_LCH
GND
5
4
1
7
6
3
2
JK900
HEADPHONE
0.01
C230
100K
R230
0.01
C430
100K
R430
HP_L
GND
HP_R
HP_SW
W506 0
W506
0
W503
0
W507
0
W504
0
W500
0
A
B
C
D
E
F
G
H
1234567891011121314
1234567891011121314
A
B
D
E
F
H
G
C
: + B SIGNAL LINE : - B SIGNAL LINE
SCHEMATIC DIAGRAM - 6
SA-PM45PC HEADPHONE / MUSIC PORT / PANEL CIRCUIT
PANEL CIRCUIT
TO
MAIN CIRCUIT
(CN901B) IN
SCHEMATIC
DIAGRAM-3
TO
TRANSFORMER
CIRCUIT (CN900B)
IN SCHEMATIC
DIAGRAM-7
MUSIC PORT CIRCUIT
HEADPHONE CIRCUIT
: MAIN SIGNAL LINE : AUX SIGNAL LINE
SA-PM45PC
56

Table of Contents

Related product manuals