EasyManua.ls Logo

Panasonic SA-PM45PC - Main Circuit Schematic

Panasonic SA-PM45PC
76 pages
Print Icon
To Next Page IconTo Next Page
To Next Page IconTo Next Page
To Previous Page IconTo Previous Page
To Previous Page IconTo Previous Page
Loading...
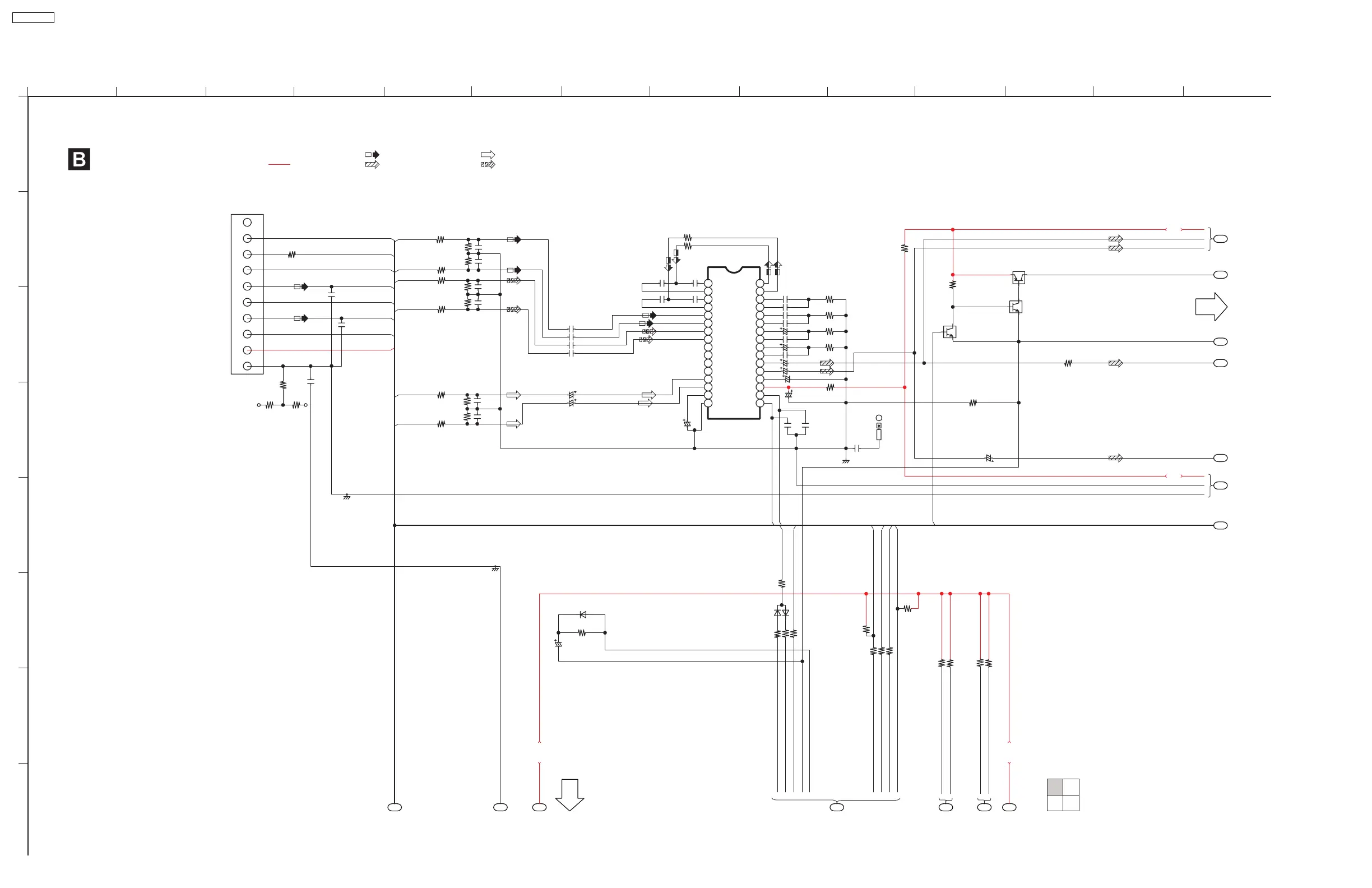
15.2. MAIN CIRCUIT
AB
B8
10KR856
B1
A
B
C
IJKLM TUVW
B7
B11
A
B
C
B16
B12
B13
B14
B15
B17
B2
AB
B9 B10B4
220
R941
R802 100
D804
D804, D805
B0ACEL000004
D805
16V10
C816
B0ACEL000004
D802
470K
R815
15KR806
15K
R865
1K
R891
R948 1K
R801
100
R864
15K
100R817
15K
R805
100R816
C420 50V1
330p
C781
4R7K
R750
Q750
B1GDCFGG0026
MUTING SWITCH
Q751
B1GBCFJJ0044
MUTING SWITCH
Q803
B1GBCFJJ0044
MUTING SWITCH
ZJ
LOADING
FL_CS
MUTE_A
VOL_JOG1
CL
TUNED
VOL_JOG2
R441 33
4.7K
R445
4.7K
R442
C448 50V33
3.3K
R444
3.3KR443
C465
47P
C906 50V2.2
C901 0.22
C900
0.22
C904 0.22
C905 0.22
C462
0.1
C461
0.1
C456
0.12
0.12
C455
C433 50V1
C233 50V1
C443
50V0.1
50V0.1C445
C463
25V47
R446
10K
R447
10K
C440 0.015
0.1
C446
C441 0.015
C442 0.015
C449 0.015
C444 0.1
C907 50V2.2
C447
25V47
2
1
31
7
26
8
25
5
4
29
28
6
27
17
18
15
16
13
11
9
10
12
21
20
23
24
22
14
19
3
30
32
IC800
C1BB00000732
ASP IC
C464
47P
ASP_DATA
ASP_CLK
C953
1000P
4
3
7
5
6
1
2
9
10
8
Z401
ENG06836QF
TUNER PACK
SDA
DET
STEREO
A9V
TUNED
CL
CD_LCH
CD_RCH
6.8K
R204
R403
2.7K
2.7K
R203
6.8K
R404
C202
220P
220P
C403
C401
220P
C201
220P
5.6K
R201
MP_RCH
MP_LCH
8.2K
R211
R207
4.7K
4.7K
R205
5.6K
R401
TUNER_LCH
TUNER_LCH
TUNER_RCH
TUNER_RCH
8.2K
R411
C210
220P
220P
C410
5.6K
R202
5.6K
R402
MNF1
MNF2
BNF1
A1
SEL2OUT
B1
A2
VIN2
MOUT2
MOUT1
REC1
REC2
VIN1
SEL1OUT
LEFT
S1
VCC
CAP
RIGHT
D1
E1
E2
D2
FILTER
BNF2
BOUT1
BOUT2
C1
B2
C2
SCGND
D9V
D9V
VREF+
VREF+
W581
0
W578
0
W580
0
W570
0
W589
0
W560
0
W584
0
W550
0
C107
6800P
C106
6800P
MAIN CIRCUIT
SCHEMATIC DIAGRAM - 2
: + B SIGNAL LINE
SA-PM45PC MAIN CIRCUIT
3/4 4/4
1/4 2/4
: MAIN SIGNAL LINE
TO MAIN
SECTION (2/4)
TO MAIN
SECTION (3/4)
A
B
C
D
E
F
G
H
1234567891011121314
: AUX SIGNAL LINE
: FM/AM SIGNAL LINE : CD SIGNAL LINE
SA-PM45PC
52

Table of Contents

Related product manuals