EasyManua.ls Logo

Panasonic SA-PM45PC - Transformer Circuit Schematic

Panasonic SA-PM45PC
76 pages
Print Icon
To Next Page IconTo Next Page
To Next Page IconTo Next Page
To Previous Page IconTo Previous Page
To Previous Page IconTo Previous Page
Loading...
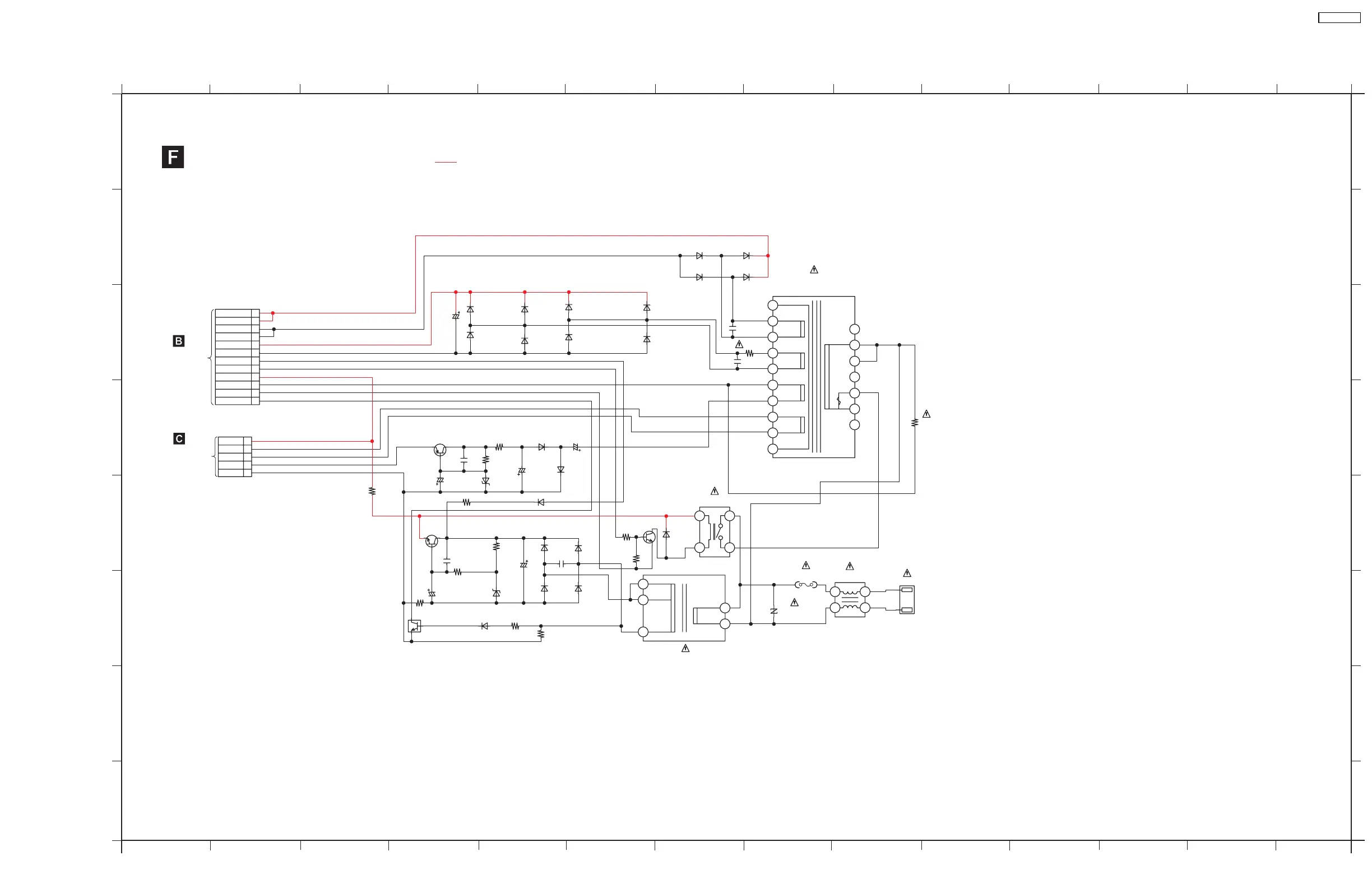
15.4. TRANSFORMER CIRCUIT
3.3M
R609
D613
D615
B0ACEL000004
D600
D602, D609
B0EAKM000117
D602
C612
50V100
Q603
2SB0621AHA
VOLTAGE REGULATOR
C611
50V47
7
9
10
8
4
5
1
3
2
6
12
11
CN505B
C609
50V100
D611
B0EAKM000117
D611
D610
B0BC02900004
D609
C610
0.01
R611
3.3K
R608
12
0.01
C601
C603
16V1000
D604
Q601
2SC3940ARA
VOLTAGE REGULATOR
Q601
R601 22
0.01
C604
R603
820
D606
R600
47K
D614
D612
D612 - D615
B0EAKM000117
Q600
B1AACF000063
PCONT SWITCH
Q600
SYS6V
35V1000
C602
MOTOR_9V
R604
4.7K
PCONT_1
R606
10K
150
R605
D605
D607
B0BC6R700006
D603
D603 - D606
B0EAKM000117
R607
10K
25V47
C605
GND2
D608
B0ACEL000004
Q602
Q602
B1GACFJJ0018
VOLTAGE REGULATOR
HALT
D616
D616 - D619
B0EAMM000038
SCHEMATIC DIAGRAM - 7
SA-PM45PC TRANSFORMER CIRCUIT
TRANSFORMER CIRCUIT
F2 F1
Z600
ERZVA5Z471
JK600
AC IN
120V 60Hz
4
3
1
2
L600
G0B371HA0005
10
8
9
7
16
15
17
12
11
14
13
4
5
2
1
3
6
T601
G4CYAYY00153
POWER TRANSFORMER
FP601
5A
3
4
1
2
RL600
K6B1AEA00015
7
6
3
2
9
T600
G4C2AAD00004
SUB TRANSFORMER
50V0.1u
C613
50V0.1u
C614
ECQE2104KF3
D617 D619
D618
F1
125V 1.6A
-VP 2
3
1
5
4
CN900B
SYS6V
FL1
FL2
GND2
GND
GND
SUB+B_GND
+VCC_16V
SUB+B_11V
GND1
+VCC_16V
W523
0
W521
0
D622
B0EAKM000117
D623
B0EAKM000117
D624
B0EAKM000117
D621
B0EAKM000117
A
B
C
D
E
F
G
H
1234567891011121314
1234567891011121314
A
B
D
E
F
H
G
C
: + B SIGNAL LINE
TO
MAIN CIRCUIT
(CN803) IN
SCHEMATIC
DIAGRAM-5
TO
PANEL CIRCUIT
(WH900) IN
SCHEMATIC
DIAGRAM-6
SA-PM45PC
57

Table of Contents

Related product manuals