EasyManua.ls Logo

Panasonic SA-PM45PC - Replacement of the Power IC; Disassembly of Transformer P.C.B

Panasonic SA-PM45PC
76 pages
Print Icon
To Next Page IconTo Next Page
To Next Page IconTo Next Page
To Previous Page IconTo Previous Page
To Previous Page IconTo Previous Page
Loading...
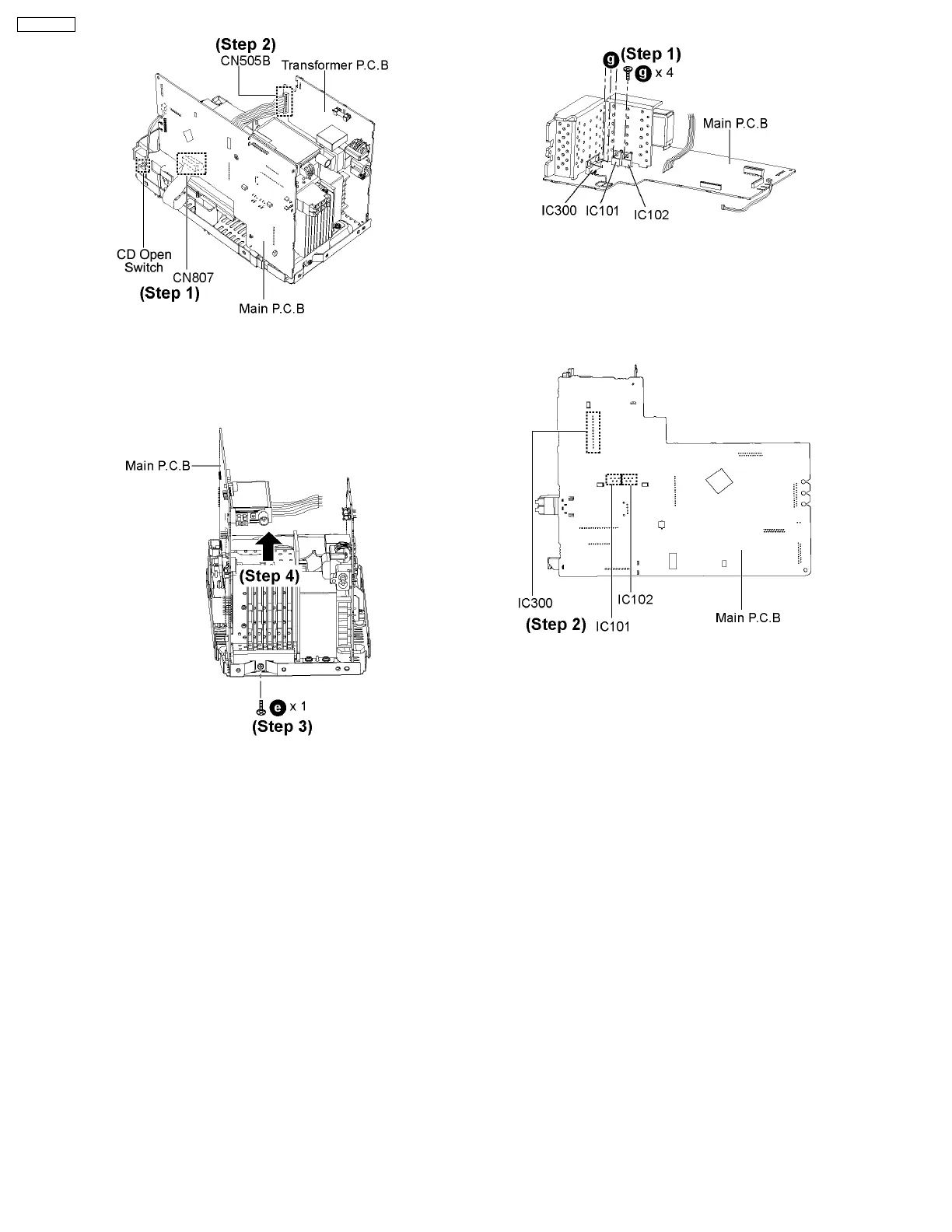
Step 1 : Detach FFC (CN807) at Main P.C.B & CD Open
Switch.
Step 2 : Detach cables (CN505B) at Transformer P.C.B.
Step 3 : Remove 1 screw.
Step 4 : Remove Main P.C.B as arrow shown.
9.12. Replacement of the Power IC
·
Follow the (Step 1) - (Step 6) of Item 9.4.
·
Follow the (Step 1) of Item 9.5.
·
Follow the (Step 1) - (Step 6) of Item 9.6.
·
Follow the (Step 1) - (Step 3) of Item 9.7.
·
Follow the (Step 1) - (Step 2) of Item 9.10.
·
Follow the (Step 1) - (Step 4) of Item 9.11.
·
Replacement of Power IC (IC300) / USB Regulator (IC101)
/ CD Regulator (IC102)
Step 1 : Remove 2 screws (For IC300).
Step 1 : Remove 1 screw (For IC101).
Step 1 : Remove 1 screw (For IC102).
Step 2 : Unsolder the terminal to replace the component.
Note : For replacement of USB Regulator IC (IC101) or CD
Regulator (IC102), repeat Step 1 & 2.
9.13. Disassembly of Transformer
P.C.B
·
Follow the (Step 1) - (Step 6) of Item 9.4.
·
Follow the (Step 1) of Item 9.5.
·
Follow the (Step 1) - (Step 2) of Item 9.10.
26
SA-PM45PC

Table of Contents

Related product manuals