EasyManua.ls Logo

Panasonic SA-PM45PC - Block Diagrams; CD Servo;Optical Pickup Unit Block Diagram

Panasonic SA-PM45PC
76 pages
Print Icon
To Next Page IconTo Next Page
To Next Page IconTo Next Page
To Previous Page IconTo Previous Page
To Previous Page IconTo Previous Page
Loading...
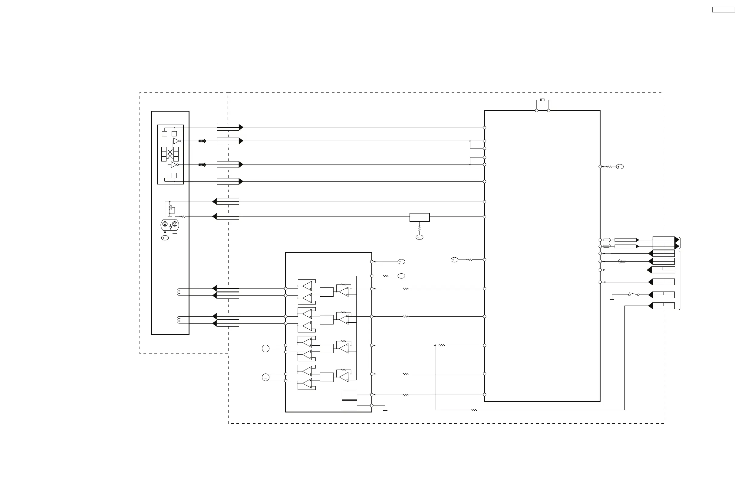
13 Block Diagram
13.1. CD SERVO/ OPTICAL PICKUP UNIT
61/#+0
$.1%-&+#)4#/
61/#+0
$.1%-&+#)4#/
5
=?/&#6#
=?':6
=?':6
=?':6
=?56#6
=?/%.-
=?$.-%-
=?456
=?/.&






%2
%2
%2
%2
%2
%2
%2
%2

%2
%2
%2
%2

%2
%2

%2
%2


%2
%2
%2
%2
/76'
=%*?
.'8'.
5*+(6
=%*?
.'8'.
5*+(6
=%*?
.'8'.
5*+(6
=%*?
.'8'.
5*+(6
=%*?
/76'
=%*?
=?2&
=?.&
=?(12
+%
$#(2'
%*&4+8'
+0

=?642
+0

+0
=?6482
=?52176
=?2%
+0
2%
84'(
28%%
28%%
8%%


&

&

&

&

&

&

/
64#8'45'
/1614
&

&

/
52+0&.'
/1614
126+%#.2+%-722%$
%&5'4812%$
$
(1%75
%1+.
64#%-+0)
%1+.
6
126+%#.2+%-72
2*161 &'6'%614
5'/+%10&7%614
.#5'4
(
(
6
%&A8
2%
$
$
$
/
/
=?84'(
84'(
84'(
8
$
8
$
+%
3
59+6%*
/0/#
5'481241%'5514
&+)+6#.5+)0#.241%'5514
&+)+6#.(+.6'4&#%108'46'4
=?%
'' ''
'('(
& %
# $
& %
=?$
=?'
=?#
=?&
=?(
=?176.
=?#8&&
=?+1&&
=?24#/8&&
=?+1&&
=?4')10
=?06'56
%&4+)*6%*
%&.'(6%*
:
=?:
=?:
%0
%0
%0
%0
=?1764
%0
%0
%0
%0
%0
%0
%0
%0
%0
%0
%0
%0
5#2/2%%&5'481126+%#.2+%-7270+6$.1%-&+#)4#/
4'5'659+6%*
SA-PM45PC
45

Table of Contents

Related product manuals