EasyManua.ls Logo

Panasonic SC-HC30EF - Disassembly of Passive Radiator (SP3)

Panasonic SC-HC30EF
120 pages
Print Icon
To Next Page IconTo Next Page
To Next Page IconTo Next Page
To Previous Page IconTo Previous Page
To Previous Page IconTo Previous Page
Loading...
37
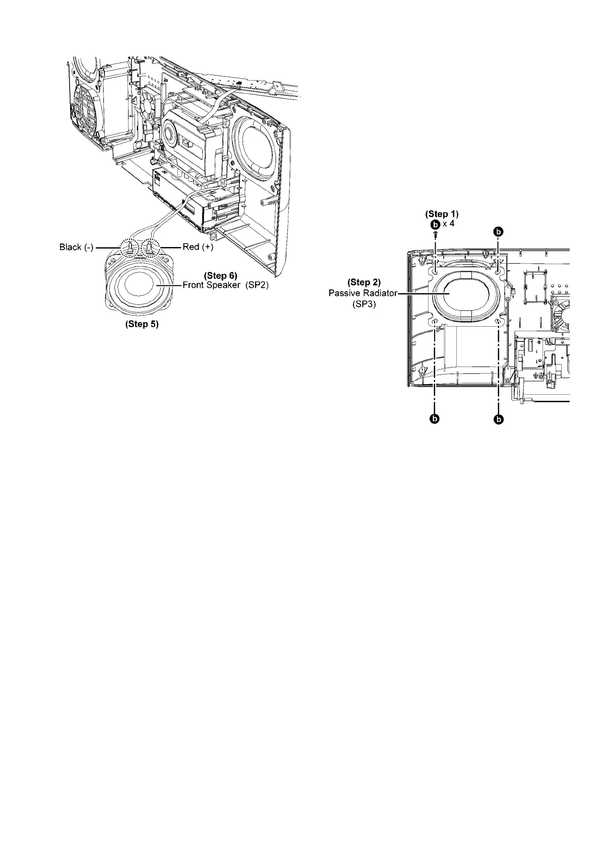
9.14. Disassembly of Passive Radia-
tor (SP3).
Refer to “Disassembly of Stand Unit”.
Refer to “Disassembly of CD Door Unit”.
Refer to “Disassembly of Net Frame Assembly”.
Refer to “Disassembly of Front Panel Block”.
Refer to “Disassembly of Top Ornament Unit”.
Refer to (Step 1) - (Step 2) of item 9.12.
Step 1 : Remove 4 screws.
Step 2 : Remove Passive Raidator (SP3).

Table of Contents

Related product manuals