EasyManua.ls Logo

Panasonic SC-HC30EF - Schematic Diagram; CD Servo Circuit

Panasonic SC-HC30EF
120 pages
Print Icon
To Next Page IconTo Next Page
To Next Page IconTo Next Page
To Previous Page IconTo Previous Page
To Previous Page IconTo Previous Page
Loading...
87
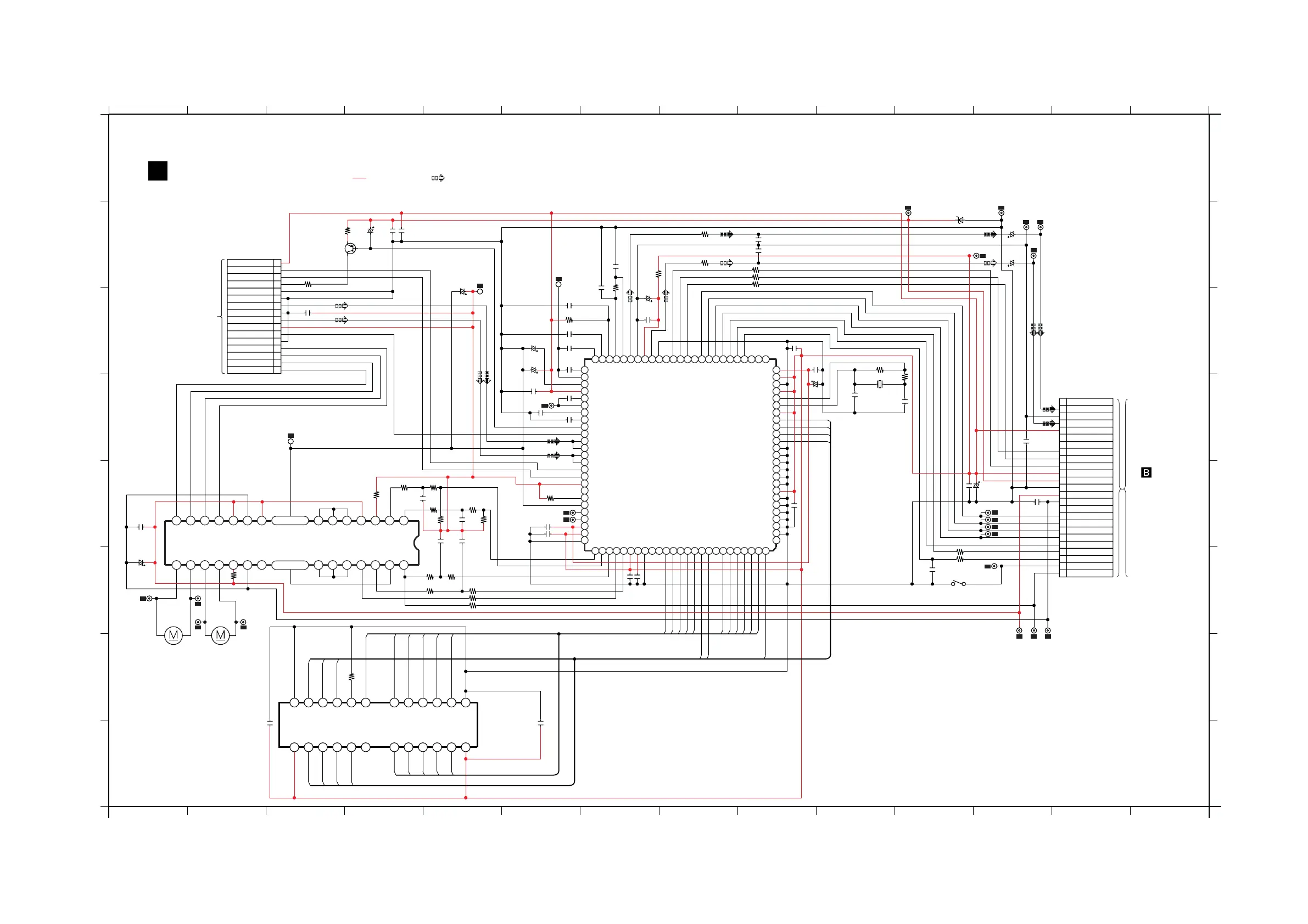
17 Schematic Diagram
17.1. CD SERVO CIRCUIT
A
B
C
D
E
F
G
H
1 2 3 4 5 6 7 8 9 10 11 12 13 14
1 2 3 4 5 6 7 8 9 10 11 12 13 14
A
B
D
E
F
H
G
C
A
1
25
TO
VERTICAL
MAIN CIRCUIT
(CN7002)
IN SCHEMATIC
DIAGRAM - 4
SC-HC30EF/EG CD SERVO CIRCUIT
: +B SIGNAL LINE
CD SERVO CIRCUIT
SCHEMATIC DIAGRAM - 1
TO OPTICAL
PICKUP UNIT
: CD AUDIO INPUT SIGNAL LINE
50V1
C7227
1KR7217
1000P
C7225
4.7
R7601
D7650
MAZ8056GML
0.1
C7670
0.1
C7626
C7601
6.3V33
A8
A10
A0
A7
470
R7214
X7201
H0H169500013
1MR7220
0.1
C7234
0.1
C7161
C7203
6.3V220
0.1
C7230
82K
R7211
0.015
C7244
680P
C7216
0.1
C7263
C7223
50V4.7
A3
A2
A4
R7331
22K
A5
C7402
16MB DRAM
0.1
1KR7332
3.3K
R7315
1K
R7339
0.018
C7339
5.6K
R7330
10K
R7328
C7338
0.056
0.47
C7315
MDATA
MCLK
C7166
0.01
1KR7254
10R7253
S7201
C7164
10
A0
A2
NRAS
A4
A6
A8
A9
A7
NWE
A5
NCAS
A3
A1
A10
C7165
10
C7155 0.1
C7142
3300P
0.1
C7243
0.1C7233
C7232
6.3V220
10K
R7111
15P
C7221
16V10
C7235
C7222
15P
470P
C7253
D1
D2
D3
D0
0.47C7102
0.022
C7107
C7154 0.1
6
5
8
9
19
13
10
12
11
17
18
15
14
16
22
21
23
20
7
2
1
4
3
25
24
CN7002
0.1C7264
0.1
C7204
A1
A6
1KR7327
3.3K
R7323
R7325
330
1K
R7329
18K
R7349
C7352
0.018
C7241
1000P
LB7263 220
LB7264 220
LB7262 220
820
R7212
100
R7221
C7231
6.3V220
1000P
C7226
1KR7218
50V1
C7228
C7218
0.082
0.1
C7217
C7613 0.1
C7614
6.3V100
5.6R7650
6
5
8
9
10
12
11
7
2
1
4
3
14
13
16
15
CN7001
Q7601
B1ADCF000001
+
M7301*
C7334
10V220
C7335
0.1
D2
R7401 0
NCAS
D1
NRAS
NWE
D3
D0
A9
C7401
0.1
22 2124 2326 25 151719 18 16 14
3 4 5 612 131089 11 12
IC7003
C3ABMB000050
R7335 100
0
R7110
+
M7302*
10
R7336
F+
F+
T-
T+
DGND
PGND
7.5V
IPFLAG
LRCK(ST REQ)
LDSW
3.3V
SRDATA(ST IN)
MCLK
MDATA
STAT
BLKCK
MLD
TX
BCL(ST CLK)
SRDATA1
AGND
NC
LCHOUT
3.3V
RCHOUT
SRDATA2
REST SW
RST
REST SW
LOADING
F-
T-
T+
F+
GND(GUARD)
B
F
(RF)
A
E
LD
(VREF)
VCC
GND
LDGND
LPD
VREF
GND(GUARD)
TRAVERSE MOTOR SPINDLE MOTOR
A1
A3
VCC
A5A2
GND1
NWE
NCAS
NRAS NOE
DQ1
VCC
DQ4
VSS
DQ2 DQ3
A10
A0
NC
A6
A4
VSS
A8
A7
A9
191817 2015 16
14 12 9 811 1013
22 233021 282724 25 26
2167
29
345
IC7002
BA5948FPE2
PVCC1
D4+D1-
PVCC2
NC
NC
NC
NC
NC
NC
NC
IN2
NC
PC1
PC2
IN1
GND
PGND1
GND
IN4
IN3
VCC
VREF
PGND2
D3+D2-
D3-D2+
D1+ D4-
79
77
76
78
49
47
48
50
7471 7267 685655 58575251 5453 65 6661 6259 60 6463 7069 73 75
10
879
12 11
99
100
95
94
96
97
90
91
89
93
92
98
465 213
81
82
80
86
87
88
84
83
85
45
19 17 15 141618
43
23 21 2022
41
24
39
37
33
35
34
29
30
27
26
28
32
31
36
38
25
40
42
44
13
46
MN6627954AMA
IC7001
[51] ARFIN
IREF
OUTR
OUTL
TX
MLD
MCLK
NRST
STAT
FLAG
PLLF
DVDD2
AVSS1
DVSS3
BLKCK
MDATA
AVDD1
PLLF0
ARFFB
[52] DSLF
[74]
SMCK
[75] PMCK
[1] NWE
[2] A9
[24] TRP
SERVO PROCESSOR
[25] FOP
RFIN X2
X1
REGON
A
B
F
E
D
C
PD
LD
D5
D7
D8
D9
D15
D13
D11
D10
D12
D14
D6
SDRCK
DRVDD
VREF
TRVP
BA1
A0
A2
A4
A6
A8
A7
A5
A3
A1
A10
NWE
BA0
PC
NRAS
NCAS
PRAMVDD33
PRAMVDD15
PRAMVSS33
SPOUT
NTEST
D1
D3
D4
D0
D2
CENV
AVDD2
RFENV
AVSS2
IODD2
DVSS1
DVDD1
OSCIN
RFOUT
IODD1
DVSS2
DQSYTXT
ARFDC
NSRVMONON
EXT1 / LRCK (ST_REQ)
EXT2 / BCLK (ST_CLK)
EXT0 / SRDATA (ST_IN)
ARFOUT
CTRCRS
SRVMON0
SRVMON1
90
TP
14
TP
16
TP
18
TP
19
TP
17
TP
13
TP
12
TP
7
TP
8
TP
9
TP
2
TP
1
TP
10
TP
11
TP
88
TP
50
TP
89
TP
28
TP
51
TP
39
TP
37
TP
38
TP
36
TP
4CH DRIVER
LASER DRIVE

Table of Contents

Related product manuals