EasyManua.ls Logo

Panasonic SC-HC30EF - Audio Block Diagram

Panasonic SC-HC30EF
120 pages
Print Icon
To Next Page IconTo Next Page
To Next Page IconTo Next Page
To Previous Page IconTo Previous Page
To Previous Page IconTo Previous Page
Loading...
80
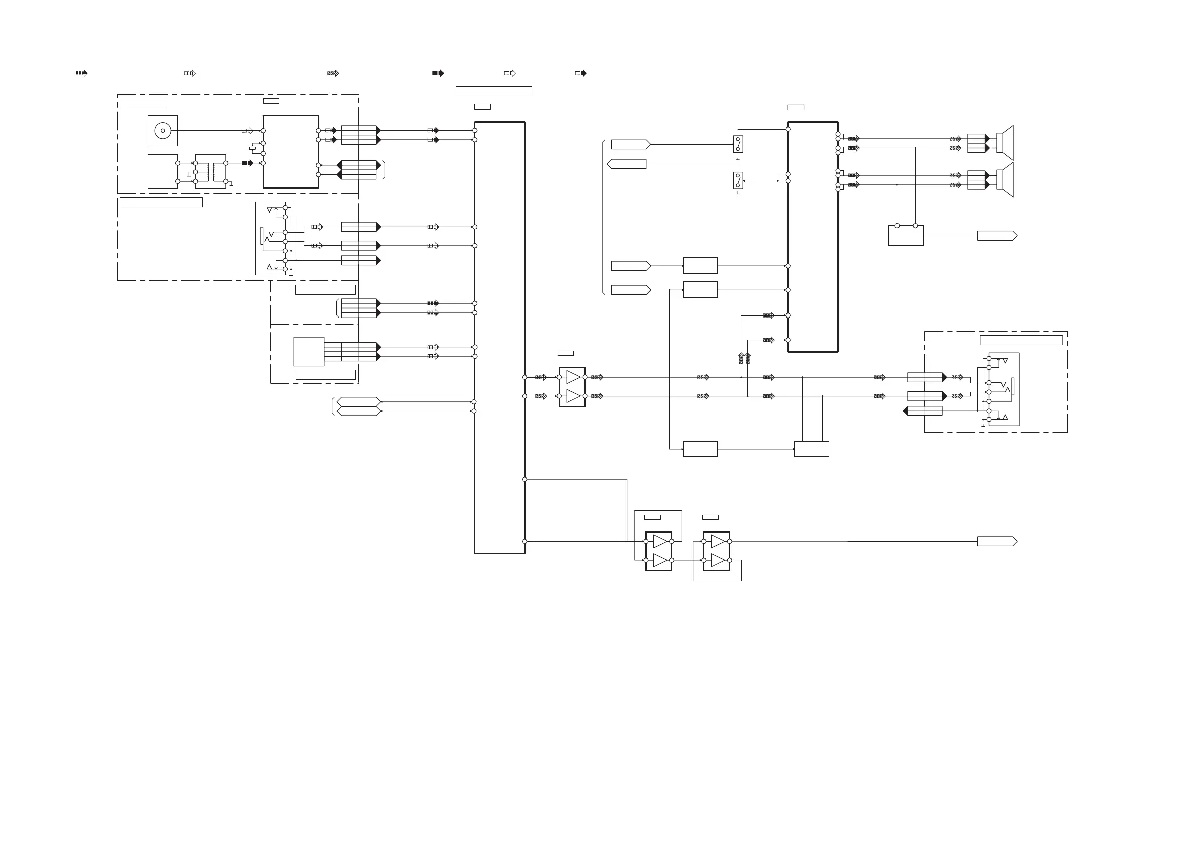
14.2. AUDIO BLOCK DIAGRAM
D9,D10,D11
FM ANT
JK51
46
CN350CN51
37
CN350CN51
224
CN7002CN7002
82
CN350CN51
64
CN350CN51
AM/FM RADIO RECEIVER
VUEALLPT039
IC52
ASP
C1AB00003256
IC101
TU L
TU R
LOUT 14
ROUT 13
SDIO 8
SCLK 7
2 FMI
37 TU L
3 TU R
MPORT L
MPORT R
38 MPORT L
2 MPORT R
CD L
40 CD L
422
CN7002CN7002
CD R
52 CD R
20 SCL
19 SDA
17 DCLK
9 RCLK
AM ANT
JK52
L52
4
6
3
1
2
4 AMI
ASP CLK
ASP DA
DAMP BP
AUDIO DET
FROM
SERVO/SYSTEM CONTROL
FROM/TO
SERVO/SYSTEM CONTROL
TO
SERVO/SYSTEM CONTROL
FROM/TO
SERVO/SYSTEM CONTROL
FROM/TO
SERVO/SYSTEM CONTROL
TUNER P.C.B.
CD SERVO P.C.B.
72
CN107CN106
54
CN107CN106
63
CN106CN107
81
CN106CN107
54
CN106CN107
18
CN107CN106
PDET2
LOUT 22
HP LOUT 34
ROUT 17
3
1
5
7
OP-AMP
C0ABBB000216
IC103
Q102,Q106
MUTING
INVERTER
QR101
QR4
MUTING
CONTROL
HP L
HP R
MPORT L
MPORT R
MPORT SW
LCH
RCH
HP SW
R
L
TO
SERVO/SYSTEM CONTROL
TO
SERVO/SYSTEM CONTROL
SIG DET
TO
POWER SUPPLY
HEADPHONE
JK952
2
3
1
6
7
5
4
L
R
AUX
JK951
3
2
1
6
7
5
4
HEADPHONE/AUX P.C.B.
44 iPod L
47 iPod R
iPod L
iPod R
11 5
CN1002 CN381
97
CN1002
28
CN1001
27
CN1001 CN381
iPod/iPhone
POWER AMPLIFIER
C1AB00003012
IC1
1IN1
20 MUTEX
QR1
SWITCH
QR3
SWITCH
25 ROSC
18 WARNING
19 ERR
DAMP BP
MUTE A
MUTE A
INVERTER
QR2
21 SHUTDOWN
PCONT2
PCONT 2
PDET2
44 IN2
OUT2N 32
OUT2N 31
OUT2P 36
OUT2P 35
OUT1N 14
OUT1N 13
OUT1P 10
OUT1P 9
-
+
SPEAKER (LEFT)
SP1
SP2
-
+
SPEAKER (RIGHT)
4
CN2
3
CN2
2
CN3
1
CN3
HEADPHONE/AUX P.C.B.
X51
1
2
SC-HC30EF/EG AUDIO BLOCK DIAGRAM
iPod/iPhone P.C.B.
HP ROUT 6
2
1
6
7
OP-AMP
C0ABBB000179
IC2801
2
1
5
7
OP-AMP
C0ABBB000179
IC2802
VERTICAL MAIN P.C.B.
SIG DET
CIRCUIT
: AUX/iPod/iPhone AUDIO INPUT SIGNAL LINE : AUDIO OUTPUT SIGNAL LINE: CD AUDIO INPUT SIGNAL LINE
: AM SIGNAL LINE : AM/FM SIGNAL LINE: FM SIGNAL LINE

Table of Contents

Related product manuals