EasyManua.ls Logo

Panasonic SC-HC30EF - Disassembly of Passive Radiator (SP6); Disassembly of Front Speaker (SP1)

Panasonic SC-HC30EF
120 pages
Print Icon
To Next Page IconTo Next Page
To Next Page IconTo Next Page
To Previous Page IconTo Previous Page
To Previous Page IconTo Previous Page
Loading...
34
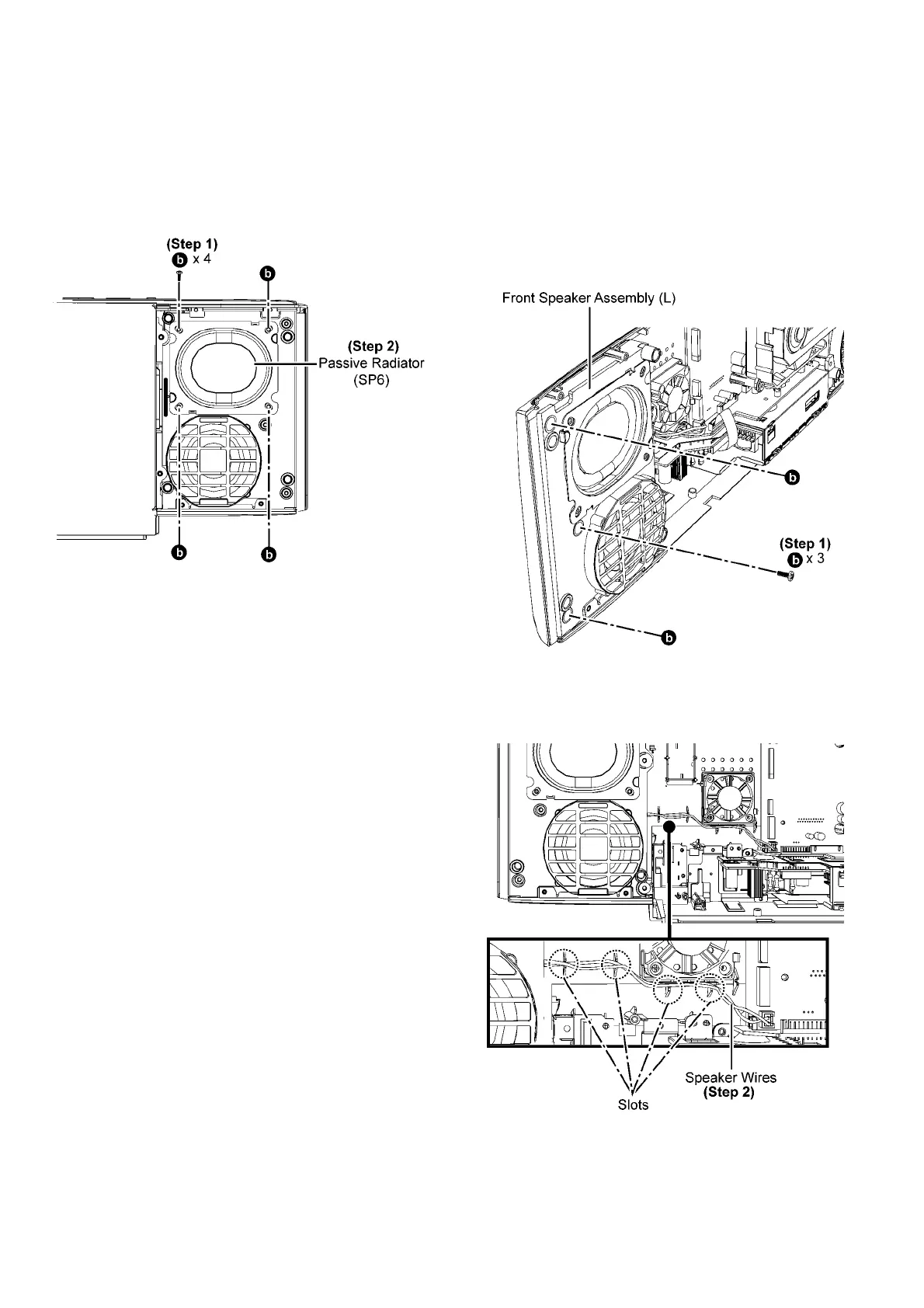
9.11. Disassembly of Passive Radia-
tor (SP6).
Refer to “Disassembly of Net Frame Assembly (R)”.
Step 1 : Remove 4 screws.
Step 2 : Remove Passive Raidator (SP6).
9.12. Disassembly of Front Speaker
(SP1).
Refer to “Disassembly of Stand Unit”.
Refer to “Disassembly of CD Door Ass’y”.
Refer to “Disassembly of Net Frame Assembly”.
Refer to “Disassembly of Front Panel Block”.
Refer to “Disassembly of Top Ornament Unit”.
Step 1 : Remove 3 screws.
Step 2 : Remove the speaker wires from the slots.
Caution : Ensure the speaker wires is properly dressed.

Table of Contents

Related product manuals