EasyManua.ls Logo

Panasonic SC-HC30EF - Page 56

Panasonic SC-HC30EF
120 pages
Print Icon
To Next Page IconTo Next Page
To Next Page IconTo Next Page
To Previous Page IconTo Previous Page
To Previous Page IconTo Previous Page
Loading...
56
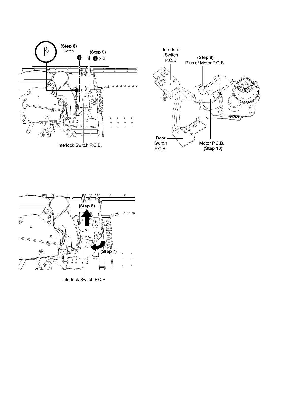
Step 5 : Remove 2 screw.
Step 6 : Release 1 catch.
Step 7 : Slightly rotate Interlock Switch P.C.B..
Step 8 : Lift up Interlock Switch P.C.B. as arrow shown.
Step 9 : Desolder 2P on Motor P.C.B..
Step 10 : Remove the Motor P.C.B., Door Switch P.C.B. and
Interlock Switch P.C.B. altogether.

Table of Contents

Related product manuals