EasyManua.ls Logo

Panasonic SC-HC30EF - Page 78

Panasonic SC-HC30EF
120 pages
Print Icon
To Next Page IconTo Next Page
To Next Page IconTo Next Page
To Previous Page IconTo Previous Page
To Previous Page IconTo Previous Page
Loading...
78
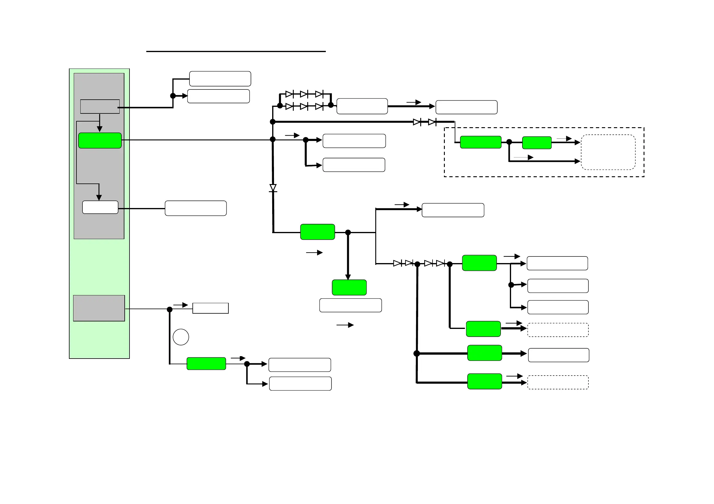
㫃㫆㪺㫂㩷㪛㫀㪸㪾㫉㪸㫄㩷㪑 㩷㪭㫆㫃㫋㪸㪾㪼㩷㪆㩷㪚㫌㫉㫉㪼㫅㫋㩷㪛㫀㪸㪾㫉㪸㫄
+7.5V
Standby
SMPS
CD
Main
SMPS
ASP
Pre AMP
㪩㪜㪣㪘㪰
Remote IR
㪇㪅㪇㪌㪘㩷㪆㩷㪇㪅㪇㪈㪘
㪇㪅㪇㪍㪘
+3.3V
㪇㪅㪈㪊㪘
㪇㪅㪇㪏㪏㪘
FAN
iPod
㪇㪅㪌㪘
㪇㪅㪇㪏㪘㩷㩿㪤㫆㫋㫆㫉㪀
㪇㪅㪇㪇㪎㪘
㪇㪅㪇㪌㪘
㪇㪅㪈㪎㪮
㪂㪌㪭
Digital Amplifier
-Vp / FL1 / FL2
+9V DC-DC
㪠㪚
㪛㫀㫊㪺㫉㪼㫋㪼
CD
Tuner
FL
㪂㪊㪅㪊㪭
㪂㪊㪅㪊㪭
SD (3.3V)
㪛㫀㫊㪺㫉㪼㫋㪼
+5.5V
CD LID MOTOR
㪂㪌㪅㪇㪭
SD
㪠㪚
㪟㪚㪋㪇㩷㫆㫋㪿㪼㫉㩷
㫊㪼㫉㫀㪼㫊
㪠㪚
㪟㪚㪋㪇㩷㪡㪸㫇㪸㫅㩷
㪪㪼㫉㫀㪼㫊
㪇㪅㪇㪋㪘㩷㩿㪛㫀㪾㫀㫋㪸㫃㪀
㪇㪅㪇㪊㪘㩷㩿㪛㫀㪾㫀㫋㪸㫃㪀
㪇㪅㪇㪈㪌㪘㩷
㪇㪅㪇㪏㪌㪘
㪇㪅㪉㪆㪇㪅㪋㪘
㪇㪅㪇㪊㪘
㩷㪛㫀㪾㫀㫋㪸㫃
㩷㪤㫆㫋㫆㫉
MCU SYS 3.3V
USB/BT
㪇㪅㪌㪘㪆㪇㪅㪇㪌㪘
㪛㪘㪙㩷㪄㪕㩷㪛㪙㪜㪙
㪛㪘㪙㪂㩷㪄㪕㩷㪛㪙㪞㪥
㪂㪌㪅㪇㪭
㪇㪅㪈㪉㪘
㪩㪼㪾㩷㪠㪚
㪈㪅㪇㪌㪌㪘
㪇㪅㪈㪉㪘㪆㩷㪉㫊㪼㪺
㩿㪈㪅㪎㪍㪉㪘㪀
㪈㪅㪏㪘
㪂㪐㪅㪇㪭
㪂㪈㪎㪭
-Vp / FL
㪂㪈㪎㪭
DAB / DAB+
㪇㪅㪊㪇㪇㪘
㪇㪅㪈㪉㪇㪘
+3.3V
+1.2V
㪟㪚㪋㪇㩷㪡㪸㫇㪸㫅㩷
㪪㪼㫉㫀㪼㫊
㪂㪌㪭

Table of Contents