EasyManua.ls Logo

Philips JL2.1E - Page 109

Philips JL2.1E
254 pages
Print Icon
To Next Page IconTo Next Page
To Next Page IconTo Next Page
To Previous Page IconTo Previous Page
To Previous Page IconTo Previous Page
Loading...
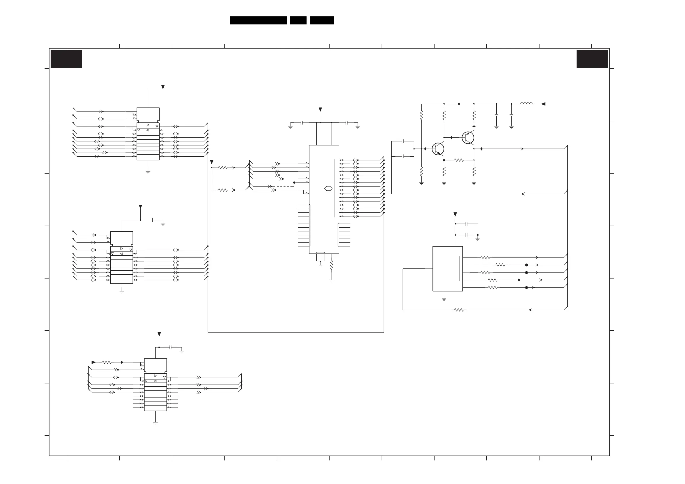
Circuit Diagrams and PWB Layouts
109JL2.1E AA 7.
SSB (v2): NAND Flash
G3
1
2
3EN2
3EN1
2
1
CLKOUT
3
CLK
VDD
4
GND
REF
G3
1
2
3EN2
3EN1
0
1
2
3
4
5
6
7
CLE
ALE
CE
RE
WE
VCCQ
NC
8
9
10
11
12
13
14
15
I/O
BY
RY
GND
WP
VCC
VSS
NC
G3
1
2
3EN2
3EN1
2F33 C2
2F34 F2
2F35 C8
2F36 D8
2F37 B7
2F38 B7
2F39 A9
2F40 A9
3F30 E9
3F31 D8
3F32 D9
3F33 D8
12345678910
12
B
C
D
E
F
G
2F31 A5
2F32 A6
NAND FLASH
CLOCK - BUFFER
3
PCI
45678910
A
B
C
D
E
F
G
A
3F34 D9
3F35 A7
3F38 E8
3F39 B3
3F40 C3
3F41 D5
3F44 F1
3F45 B7
3F46 A8
3F47 B8
3F48 A8
3F70 B8
3F71 B8
5F10 A9
7F50 A2
7F51 F2
7F52 D1
7F53 B5
7F54 D7
7F55-1 B8
7F55-2 B8
9F21 C5
FF30 E9
FF31 D9
FF33 D9
IF10 A8
IF11 B7
IF12 B8
IF13 B8
IF14 B8
IF15 D9
IF17 C5
IF60 F2
IF61 B8
8V6
4V8
8V0
3V2
2V6
+3V3
+3V3
+3V3
330R
47K
3F45
3F47
33R
3F30
330R
3F70
IF17
1u0
2F37
11
1
10
19
20
7
8
9
18
17
16
15
14
13
12
74LVC245APW
7F50
2
3
4
5
6
10K
3F41
3F48
33R
3F71
10K
33R
3F34
2
5
7
8
4
1
6
DELAY
ZERO
Φ
BUFFER
CY2305SC-1
7F54
3
220R
5F10
2F32
100n
2F33
100n
+3V3
IF13
100n
2F34
3F35
82K
1u0
2F38
BC847BPN
33R
7F55-2
2F36
1u0
3F33
IF14
IF12
IF15
+3V3
33R
3F32
19
20
18
17
16
15
14
13
12
11
1
10
74LVC245APW
7F52
2
3
4
5
6
7
8
9
+3V3
7F55-1
BC847BPN
+3V3
25
48
18
19
+8V6
4
5
10
11
14
15
8
7
12
3713
22
23
24
34
35
36
38
39
2
3
30
32
40
42
44
46
27
29
1
20
21
16
6
26
28
31
33
41
43
45
47
7F53
TC58DVM82F1TGI0
(16Mx16)
EEPROM
Φ
17
9
3F39
10K
3F44
10K
2F31
100n
1K0
3F46
FF31
2F39
100n
16V
2F40
1u0
IF61
IF10
3F40
2K2
9F21
19
20
2F35
100n
18
17
16
15
14
13
12
11
1
10
7F51
2
3
4
5
6
7
8
9
74LVC245APW
IF11
33R
3F38
IF60
3F31
33R
FF33
FF30
NAND-AD(0)
NAND-AD(8)
NAND-AD(1)
NAND-AD(9)
NAND-AD(2)
NAND-AD(10)
NAND-AD(3)
NAND-AD(11)
PCI-AD16
XIO-SEL0
PCI-CBE2
PCI-AD23
PCI-AD31
PCI-AD22
PCI-AD30
PCI-AD21
PCI-AD29
PCI-AD20
PCI-CBE2
PCI-CBE2
PCI-AD0
PCI-AD1
PCI-CBE1
NAND-REN
NAND-CLE
NAND-ALE
NAND-WEN
XIO-SEL0
PCI-AD26
NAND-AD(4)
NAND-AD(12)
NAND-AD(5)
NAND-AD(13)
NAND-AD(6)
NAND-AD(14)
NAND-AD(7)
NAND-AD(15)
Y-CVBS-MON-OUT
DAC-CVBS
NAND-AD(0)
NAND-AD(1)
NAND-AD(10)
NAND-AD(11)
NAND-AD(12)
NAND-AD(13)
NAND-AD(14)
NAND-AD(15)
NAND-AD(2)
NAND-AD(3)
NAND-AD(4)
NAND-AD(5)
NAND-AD(6)
NAND-AD(7)
NAND-AD(8)
NAND-AD(9)
PCI-AD24
PCI-AD18
PCI-AD19
PCI-AD27
PCI-AD17
PCI-AD25
PCI-AD28
NAND-REN
NAND-WEN
NAND-CLE
NAND-ALE
XIO-SEL0
PCI-CLK-ETHERNET
PCI-CLK-VPR
PCI-CLK-SLOT
PLL-OUT
XIO-SEL0
STBY-WP-NAND-FLASH
PCI-CLK-USB20
XIO-SEL0
XIO-ACK
XIO-ACK
PCI-CLK-SPIDER
8204 000 8361.7
B8B
B8B
F_15710_055.eps
140905

Table of Contents

Related product manuals