EasyManua.ls Logo

Philips JL2.1E - Block Diagram Supply + Standby (42)

Philips JL2.1E
254 pages
Print Icon
To Next Page IconTo Next Page
To Next Page IconTo Next Page
To Previous Page IconTo Previous Page
To Previous Page IconTo Previous Page
Loading...
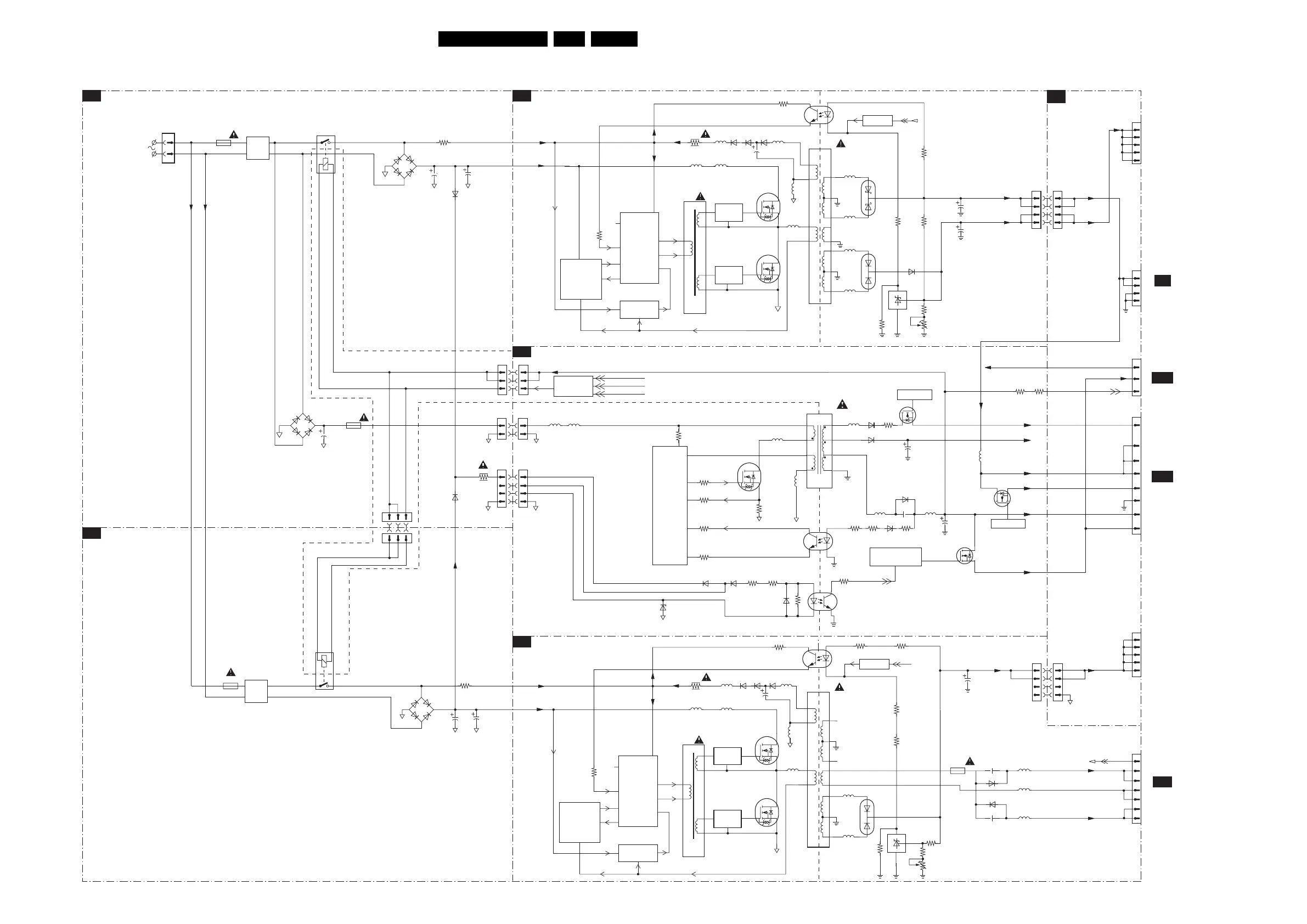
40JL2.1E AA 6.
Block Diagrams, Testpoint Overview, and Waveforms
Block Diagram Supply + Standby (42”)
F_15710_126.eps
190905
SUPPLY PART A
A2
STANDBY
SA2
SUPPLY PART B
A4
CONNECTIONS
SA1
MAINS FILTER + STANDBY
PART B
A3
MAINS FILTER + STANDBY PART A
A1
SUPPLY 42"
6807
GBJ6J
-
+
7001
MC34067P
15
7017
7018
7007
HIGH
SIDE
DRIVE
7004
7009
5001
BIAS SUPPLY
SOFT
START
+
CURRENT
PROTECTION
CONTROL
VCC
OSCC
ERROR
SOST
OB
OA
FI
2
4
11
7
11
14
12
10
7005
STP15NK50ZFP
6
7
5
3
7
8
9
10
11
3
1
2
12
13
5002
7008
LOW
SIDE
DRIVE
7006
STP15NK50ZFP
10
9
6044
STPS20L45CT
3007
7010
TL431ACD
VS Voltage
Adj.
+12V_A
+12V_+24V
5400
5401
5403
2
3
MAINS
FILTER
1
4
6506
DF06M
-
+
1450
OVER
VOLTAGE
PROTECTION
400V_HOT_A
25V_HOT_A
14
15
16
1
2
6021
STTH2003CFP
5027
5025
5026
5028
6H07
GBJ6J
-
+
7U01
MC34067P
15
7U17
7U18
7U07
HIGH
SIDE
DRIVE
7U04
7U09
5U01
BIAS SUPPLY
SOFT
START
+
CURRENT
PROTECTION
CONTROL
VCC
OSCC
ERROR
SOST
OB
OA
FI
2
4
11
7
11
14
12
10
7U05
STP15NK50ZFP
6
7
5
3
7
8
9
10
11
12
13
5U02
7U08
LOW
SIDE
DRIVE
7U06
STP15NK50ZFP
10
9
7U10
TL431ACD
VS Voltage
Adj.
+24V
HOT COLD
1D00
3A15
5D00
5D01
5D03
2
3
MAINS
FILTER
14
1D50
OVER
VOLTAGE
PROTECTION
400V_HOT_B
25V_HOT_B
14
15
16
1
2
6U21
STPS20H100
5U25
5U26
1U07
T5A
400V_HOT_B
HOT COLD
HOT COLD
TO 1M02
AUDIO
HOT
COLD
HOT
COLD
HOT COLD
3
VSND_POS
VSND_NEG
3
MAINS INPUT
HOT
COLD
CONTROL
3
7501
TCET1102
2
1
4
3
7100
7101
7105
7150
TCET1102
2
14
7511
7131
VTUN
+11V
+8V6
+5V2
+5V_SW
5500
7531
+12V
6
7
10
STANDBY
7507
7506
7512
STANDBY
OVERVOLTAGE
PROTECTION
8
3
5
2
1
7102
+5V2
STANDBY: LOW = ON
HIGH = STBY
3V MAX
1V MAX STBY
2020
2022
CONTROL
7505/7509/7560/
Prot-OVV
STANDBY
+12V_A
DC_PROT
DC_PROT
DC_PROT
DC_PROT
PROT-OVV
VREF
5
TO
DISPLAY
TO
DISPLAY
AL
TO 1M10
AMBI LIGHT
+24V_2
7002
TCET1102
2
14
3
7U02
TCET1102
2
14
3
VREF
5
5B92
2
1308
1
1400
3A15
1401
T1A
2503
6156
3810
2815
China
2816
6157
3406
2H15
China
2H16
1305
11
1305
22
33
1306
11
1306
22
1307
11
1307
22
33
44
1C05
11
1B06
22
33
3000
6080
6078
2003
5040
3022
3052
3026
3030
1304
44
1304
33
22
11
3057
+12V
+24Va
7030
6014
3025
6504
6140
3509
5110
5507
5103
6107
6122
3158
PROT_AUDIOSUPPLY
2512
5506
2513
3128
3113
3124
2141
5504
5505
5104
5105
3108
3127
3104
3150
3101
3155
6151
6150
3156
6153
3157
6156
3U07
3U57
6U78
6U79
2003
2B91
2B93
6B91
6B93
5B93
5B91
1303
11
1303
22
33
44
3U30
3U26
3U24
3U22
2U22
1316
1
2
3
4
5
1M10
1
2
1M46
3
4
5
7
8
1317
1
2
3
4
5
1M02
6
5
3
2
1
4
3U28
3U00
6U77
5U40
5U105U17
5U08
5U07
7
DC_PROT
3U25
6077
5010
5017
3028
5007
5008
5U09
5009
3U52
3U39
MAINS_L
MAINS_N
3H10
3100
11
9
6
+5V2-RELAY-IO2_PWM
B16A
TO 1M03
CONNECTIONS
1M03
9
5
2
+5V_SW
POR
3534
3539
SA3
N.C.
B16A
TO 1M46
CONNECTIONS
3
4

Table of Contents

Related product manuals