EasyManua.ls Logo

Philips JL2.1E - Block Diagrams

Philips JL2.1E
254 pages
Print Icon
To Next Page IconTo Next Page
To Next Page IconTo Next Page
To Previous Page IconTo Previous Page
To Previous Page IconTo Previous Page
Loading...
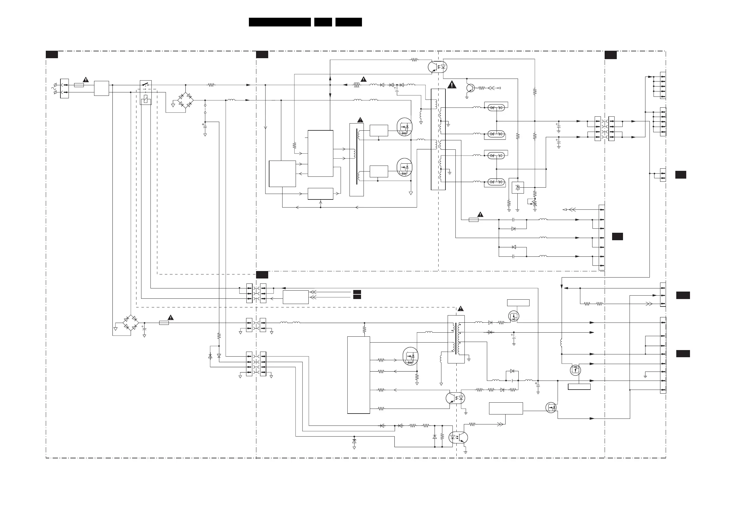
38JL2.1E AA 6.
Block Diagrams, Testpoint Overview, and Waveforms
Block Diagram Supply + Standby (32”)
F_15710_124.eps
190905
SUPPLY PART A
A2
STANDBY
SA2
CONNECTIONS
SA1
MAINS FILTER + STANDBY PART A
A1
SUPPLY 32"
6807
GBJ6J
-
+
7001
MC34067P
15
7017
7018
7007
HIGH
SIDE
DRIVE
7004
7009
5001
BIAS SUPPLY
SOFT
START
+
CURRENT
PROTECTION
CONTROL
VCC
OSCC
ERROR
SOST
OB
OA
FI
2
4
11
7
1
14
12
10
7005
STP15NK50ZFP
6
7
5
3
7
8
9
10
11
12
13
5002
7008
LOW
SIDE
DRIVE
7006
STP15NK50ZFP
10
9
3007
7010
TS2431AI
VS Voltage
Adj.
+12V_A
+12V_+24V
5401
5402
2
3
MAINS
FILTER
1
4
6506
DF06M
-
+
1450
OVER
VOLTAGE
PROTECTION
400V_HOT
25V_HOT
14
15
16
HOT COLD
HOT COLD
HOT
COLD
MAINS INPUT
HOT
COLD
CONTROL
7501
TCET1102
2
1
4
3
+5V2-RELAY-IO2_PWM
7100
7101
7105
7150
TCET1102
2
14
7511
7131
VTUN
+11V
+8V6
+5V2
+5V_SW
7531
+12V
STANDBY
7507
7506
7512
STANDBY
OVERVOLTAGE
PROTECTION
3
7102
+5V2
STANDBY: LOW = ON
HIGH = STBY
3V MAX
1V MAX STBY
2021
2022
CONTROL
7505/7509/7560/
Prot-OVV
+12V_A
DC_PROT
PROT-OVV
VREF
5
TO
DISPLAY
AL
TO 1M10
AMBI LIGHT
7002
TCET1102
2
14
3
2
1308
1
1400
F4A
1401
T1A
2503
3810
6155
RES
6154
RES
2816
1305
11
1305
22
33
1306
11
1306
22
1307
11
1307
22
33
44
3000
6080
6078
2003
5040
3022
3052
3026
3030
1304
44
1304
33
22
11
3057
+12V
+24V
3025
6504
6140
3509
5110
5507
5103
6107
6122
3158
PROT_AUDIOSUPPLY
2512
5506
2513
3128
3113
3124
2141
5504
5505
5104
5105
3108
3127
3104
3150
3101
3155
6151
6150
3156
6153
3157
6156
1316
1
2
3
4
5
1M10
1
2
1M03
9
1M46
3
4
5
7
8
6077
5010
5017
3028
5007
5008
5009
3100
11
9
6
1317
1
2
3
4
5
6044
STPS20L45CT
1
2
3
6045
1
2
3
5027
5028
5025
5026
6021
STPS20H100CT
1
2
3
6025
1
2
3
1M02
7
6
4
1007
T5A
2291
6291
2293
6293
5293
5291
5292
5
3
2
1
VSND_POS
VSND_NEG
GND_SND
DC_PROT
SA3
TO 1M02
AUDIO
TO
DISPLAY
3101
RES
7030
3031
5
2
+5V_SW
POR
3534
3539
SA1
SA2
B16A
TO 1M03
CONNECTIONS
B16A
TO 1M46
CONNECTIONS
3
5500
6
7
10
8
5
2
1
9814
5004

Table of Contents

Related product manuals