EasyManua.ls Logo

Philips JL2.1E - Ambi Light Panel (AL)

Philips JL2.1E
254 pages
Print Icon
To Next Page IconTo Next Page
To Next Page IconTo Next Page
To Previous Page IconTo Previous Page
To Previous Page IconTo Previous Page
Loading...
78JL2.1E AA 7.
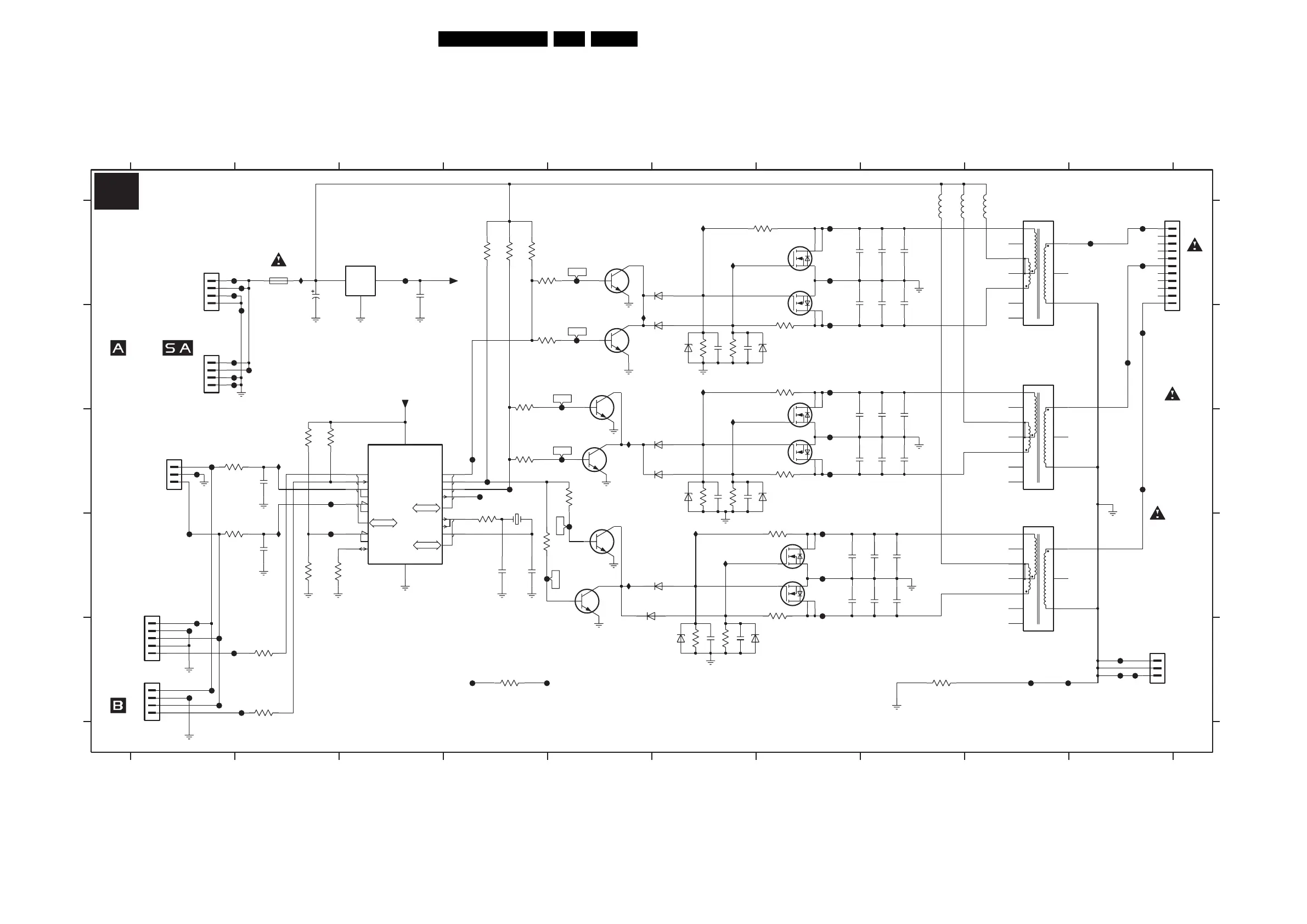
Circuit Diagrams and PWB Layouts
Ambi Light Panel
COM
OUTIN
P0<3:6>
X2
P2<0:1>
P1<0:3>
T0
SDA
P1.5
P1.7
CIN1B
X1
CLKOUT
CMP1
CMPREF
CIN1A
VDD
RST
INT0
SCL
RXD
TXD
VSS
F060 D5
F098 E4
F099 E4
I001 A2
I002 C2
I003 D2
I004 D5
I005 C5
I006 B5
I007 A6
I008 A6
I009 B6
I010 C6
I011 D6
I012 D6
SSB
F026 A3
F027 A10
F028 B10
F029 C10
F030 E10
F031 E10
F032 E9
F033 E9
F034 E7
F035 D7
F036 D7
F037 C7
F038 C7
F040 B7
F041 B7
F042 A7
F043 A7
F045 B5
F046 C5
LIGHT PWB
STANDBY
TO SDI SUPPLY
PDP
LIGHT PWB
AUDIO
(OPTIONAL)
F047 D5
F048 A5
F050 B5
F007 E2
F008 E1
F009 E1
F010 E1
F011 E1
F012 E1
F013 E1
F014 E1
F015 D1
F016 C1
F017 C1
F018 B2
F019 B2
F020 B2
F021 B1
F022 B1
F023 A2
F024 A2
F025 A1
TO 1M49
TO
CCFL
TO
TO
WARNING HIGH VOLTAGE
TO
(OPTIONAL)
CCFL
7015-1 A7
7015-2 A7
7016-1 C7
7016-2 C7
7017-1 D7
7017-2 D7
7018 A5
7019 B5
7020 D5
A001 E10
A002 B10
A003 A10
A004 A10
F001 C4
F002 C4
F003 C4
F004 C4
F005 C2
F006 D2
OR
SUPPLY
CCFL
OR
1M10 TO
5014 A9
5015 B9
5016 C9
6000 A6
6001 B6
6002 C6
6003 C6
6004 D6
6005 D5
6006 B6
6007 B6
6008 C6
6009 C6
6010 E6
6011 E6
7001 C3
7002 A3
7009 B5
7010 C5
7011 E5
NC
AMBI LIGHT
TO 2nd AMBI
SI4946
SI4946
3017 B4
3018 A4
3019 A4
3020 A4
3022 E2
3023 E2
3024 D4
3025 C4
3026 D2
3027 D2
3028 C2
3029 A4
3030 B4
3031 C5
3042 E8
3999 E4
5002 A9
5007 A8
5008 A8
1M10
3007 D7
3008 C6
3009 C6
3010 C7
3011 B7
3012 B6
3013 B6
3014 B7
3015 A7
3016 C2
2032 B8
2040 C7
2041 C8
2042 C8
2050 C7
2051 C8
2052 C8
2060 D7
2061 D8
2062 D8
2070 D7
2071 D8
2072 D8
3001 C1
3002 D1
3003 D4
3004 E6
3005 E6
3006 D7
F 3A
SI4946
TO
GREEN
2002 A3
2003 C2
2004 D2
2005 D4
2006 D4
2007 E6
2008 E6
2009 C6
2010 C6
2011 B6
2012 B6
2020 A7
2021 A8
2022 A8
2030 B7
2031 B8
TO 2nd AMBI
45678910
12345678910
A
B
C
D
E
CCFL
SI4946
SI4946
SI4946
BLUE
RED
A
B
C
D
E
1004 D1
1010 A2
1050 C4
1M08 A1
1M10 B1
1M11 B10
1M12 E10
1M48 C1
1M49 E1
2001 A2
123
F023
1M12
1
2
3
7
9
B03B-XASK-1
1
11
13
2
3
4
5
6
BD21416-00
5016
6003
BAS316
3104 313 6072.6
F_15710_023.eps
130905
1M0
3042
F032
F031
A002
A001
A003
4
5
A004
B5B-PH-K
1004
1
2
3
20M
DSX840GA
1050
4
3
I010
7015-2
5
6
F099
F002
1K0
3015
2030
47n
7009
BC847BW
BC847BW
7010
3024
4K7
3025
4K7
F003
2005
3016
4K7
15p
6000
BAS316
F022
6n82011
3012 470R
5
6
7
9
3011
1K0
1
11
13
2
3
4
5
6
4
3
BD21416-00
5015
7
8
2
1
7017-2
7017-1
3027
1K0
2
3
4
3004 470R
2
B4B-PH-K
1M08
1
7002
LD1117DT
1
3
6007
47n2072
BZX384-C18
2071 47n
6006
BZX384-C18
F015
5008
22u
F028
F027
F042
I002
6002
10K
BAS316
3999
7019
BC847BW
F060
BAS316
6005
6004
BAS316
F030
F009
F029
F010
+5V
22u
5007
7011
BC847BW
F004
2007 6n8
I005
GND-HV
7
8
2
1
4
113
7015-1
13
12
10
9
8
7
6
2
1
5
MICROCONTROLLER
Φ
7001
P87LPC760BDH
14
1
11
132
3
4
5
6
7
9
5014
BD21416-00
1010
15p
2006
I006
22u
5002
47n2021
F098
F008
F007
BAS316
6001
1
2
3
4
1M10
B4B-PH-K
I008
I007
3026
1K0
560R
3002
1n0
2003
I009
2004
1n0
3003
220R
3
4
F035
1M49
B4B-PH-K
1
2
6n82009
2070
47n
47n
2060
2002
100n
3018
4K7
2001
1m0 16V
F005
F011
3017
4K7
3014
1K0
F020
47n
2050
2010 6n8
4K7
3029
2041 47n
47n2042
3010
1K0
3005 560R
3028
10K
I012
2062 47n
2052 47n
47n
2020
9
4K7
3019
1
10
11
2
3
4
5
6
7
8
1M11
B11B-XASK-1
2031 47n
F048
BC847BW
7020
4K7
3031
BZX384-C18
6008
6010
BZX384-C18
6n82012
6009
BZX384-C18
7
8
2
1
7016-1
3030
4K7
F021
3013 560R
47n2051
47n2061
47n2032
F024
I011
F047
100R
3023
6n82008
1
2
3
B3B-PH-K
1M48
3006
1K0
F006
I004
3001
560R
2040
47n
100R
3022
F026
6
4
3
F043
7016-2
5
F040
F041
+5V
BZX384-C18
6011
1K0
3007
I001
2022 47n
F013
I003
560R
3009
3020
4K7
470R
3008
F025
F037
F038
F001
F036
F034
F033
F014
F012
F050
BC847BW
7018
F046
F045
F016
F017
F018
F019
AL

Table of Contents

Related product manuals