EasyManua.ls Logo

Philips JL2.1E - Circuit Descriptions, Abbreviation List, and IC Data Sheets; Introduction

Philips JL2.1E
254 pages
Print Icon
To Next Page IconTo Next Page
To Next Page IconTo Next Page
To Previous Page IconTo Previous Page
To Previous Page IconTo Previous Page
Loading...
Circuit Descriptions, Abbreviation List, and IC Data Sheets
EN 200 JL2.1E AA9.
9. Circuit Descriptions, Abbreviation List, and IC Data Sheets
Index of this chapter:
9.1 Introduction
9.2 LCD Power Supply
9.3 DC/DC Converters (on SSB)
9.4 Inputs
9.5 MPIF (PNX 3000)
9.6 PNX2015
9.7 PNX2015: AVIP
9.8 PNX2015: Columbus (Comb Filter)
9.9 PNX2015: HD Subsystem
9.10 PNX2015: LVDS Transmitter (if used)
9.11 PNX2015: Stand-by Processor
9.13 VIPER 2 (PNX 8550)
9.14 MOP
9.15 Ambient Light (if present)
9.16 Abbreviation List
9.17 IC Data Sheets
Notes:
•Only new circuits (circuits that are not published recently)
are described.
Figures can deviate slightly from the actual situation, due
to different set executions.
For a good understanding of the following circuit
descriptions, please use the wiring, block (chapter 6) and
circuit diagrams (chapter 7). Where necessary, you will find
a separate drawing for clarification.
9.1 Introduction
This chassis (development name “Jaguar “) is: The move from
the analog world to the digital world. W.o.w. from signal
processing via "hardware circuits" to signal processing via
"software algorithms". This means: no software = no picture
and sound!
Some key components are:
MPIF (PNX3000).
AVIP/COLUMBUS (PNX2015).
SPIDER.
VIPER 2 (PNX8550).
MOP (EPLD).
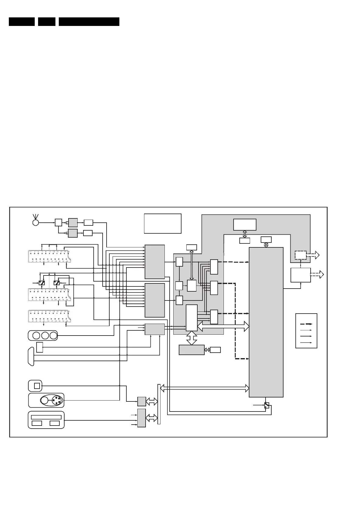
9.1.1 Chassis Block Diagram
Figure 9-1 Video Block Diagram
F_15710_177.eps
260905
HDMI
Standby
µProcessor
YC_Comb
CV BS-IF
CV BS1
CV BS2
CV BS3/Y C3
CV BS4/Y C4
I
2
D
CV I1
CV I2
MPIF
Main
MPIF
Sec
YC_Comb
CV BS-IF
CV BS1
CV BS2
CV BS3/Y C3
CV BS4/Y C4
CV I1
CV I2
DV 1
DV 2
DV 3
X
I
O
/
P
C
I
B
u
s
USB
2.0
Ether
net
LAN
Portable Memory
(free)
Selection by
Tri-State
XIO/PCI Bus
Main Video Out
Spider
Viper II
Tunnel
Inter f ac e
PNX
2015
SDRAM
SDRAM
Flash
DDR
LVDS
to
Display
LVDS
Transm.
External
Input Sources
Splitter
Analog
SAW
Analog
SAW
Main
Analog
Tuner
Antenna
(free)
Sec
Analog
Tuner
Colum-
bus
AVIP
Main
DV4
DV5
AVIP
Sec
DV 1
DV 2
DV 3
Switch
AVIP1
AVIP2
VO-1
Columbus
VO-2
AVIP1
AVIP2
VO-1
(656/Y)
Columbus
VO-1
VO-1
VO-2
VO-2
HD
Sub
syst e m
Tunnel
Tunnel
MOP
Rec Video Out
(DENC)
I/O 8
CVBS/YC Out
(Scart 2)
CVBS Terr Out
TS Out
CVBSTerr Out
BL2.1E
(Full Jaguar 2
nd spin)
Video Signal Flow
V2. 3
LAN
RJ
45
LAN
HDMI
DVI-I (analog RGB)
CVBS/Y/C -AV2
CV BS-A V1
CV I-A V1/3
CVI-AV2/4
SCART 2
SCART 1
FBL1
FBL2
G2
Cin
CVBS2/Yin
B1
G1 R1
CVBS1
Cout
B2
R2
FBL2FBL2
DVI
CVBSTerr Out
CVBS/Y/C-Side
SCART 3
Status 3
CV BS 3
Y
Pb
Pr
AV 4
Status 2
Status 1
Rec -Out
SD/HD CVI
Rec Out
(Scart 1)
DV I-D
Tri-Stateable
Signal Lines
Control
Lines
Signal
Lines
Legend
Unused
Lines
Memory Slot
USB 2
USB 2
Analog Tuner-IF Main
CVBS-AV1
CVBS-AV3
Y/C-AV1
CVBS/Y/C-AV2
CVBS/Y/C-Side
CV I-A V1/3
CVI-AV2/4
CVBS-AV1
CVBS-AV3
Y/C-AV1
CVBS/Y/C-AV2
CV BS/Y /C-Side
CV I-A V1/3
CV I-A V2/4
Analog Tuner
-IF Sec
SIDE
CV
BS
Hirate
CV I1
CV I2
HDMI#1HDMI#2
CV I3
(656/Y)
(656/Y)
(UV)
I
2
D

Table of Contents

Related product manuals