EasyManua.ls Logo

Philips JL2.1E - Page 112

Philips JL2.1E
254 pages
Print Icon
To Next Page IconTo Next Page
To Next Page IconTo Next Page
To Previous Page IconTo Previous Page
To Previous Page IconTo Previous Page
Loading...
112JL2.1E AA 7.
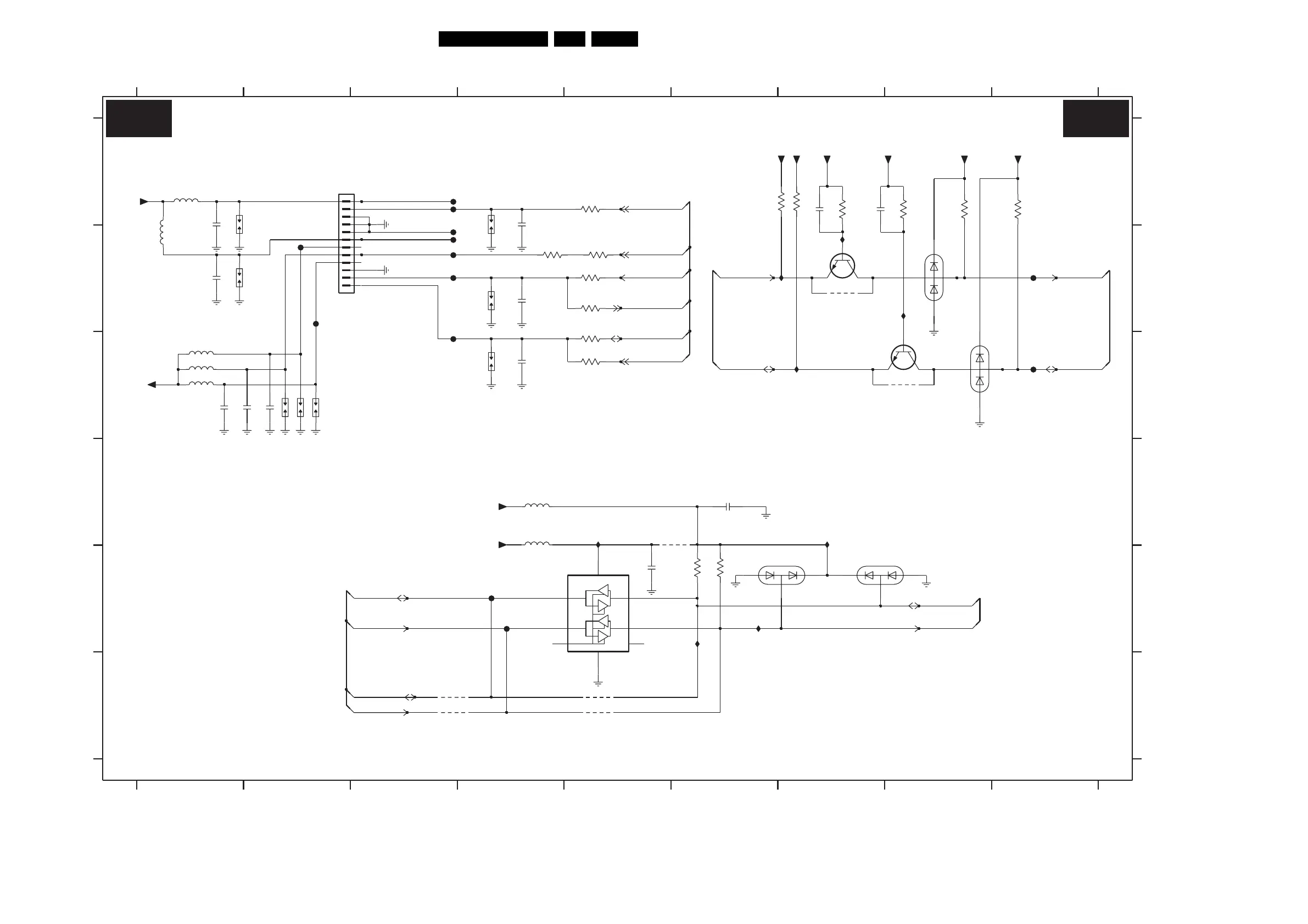
Circuit Diagrams and PWB Layouts
SSB (v2): MOP: Control
IG69 B8
IGB0 D5
IGB1 D7
IGB2 E6
IGB3 E6
NOT FOR
LCD SETS
FG68 A4
FG70 B4
FG71 B4
FG72 B4
FG73 B4
FG74 B2
FG75 B2
IG64 B7
IG65 C7
IG68 B7
3GC0 E6
3GC1 E6
5G66 A1
5G67 B1
5G69 C1
*
*
*
5G70 C1
5G71 C1
5GB5 D4
5GB6 D4
9GA5 F5
9GA6 F5
FG60 E4
FG61 E4
FG63 B9
FG64 C9
FG66 C3
FG67 A4
*
*
*
*
*
*
123456
*
*
MOP: CONTROL
*
*
3G71 A5
3G73 B5
3G74 C5
3G75 C5
3G80 A8
3G81 A7
3G82 A7
3G83 A6
A
B
C
D
E
F
1D40 A2
2G66 A4
2G67 A1
2G68 B1
2G69 B4
2G71 C4
6G02 C8
6G03 B8
6GA2 E6
6GA4 E8
7G66-1 B7
7G66-2 C7
7GA4 E5
9G66 C8
9G67 B7
9GA1 D6
9GA3 F3
9GA4 F3
I2C-BUFFER
*
*
*
*
*
*
*
789
123456789
*
*
A
B
C
D
E
F
2G72 C1
2G73 A7
2G74 A7
2G75 C1
2G76 C2
2GB0 D6
2GB1 E5
3G28 B4
3G66 B5
3G67 B5
3G68 A9
3G69 A8
3G69
4K7
4K7
3G68
FG67
470p
2G73
IG64
6G02
BAV99 COL
6G03
BAV99 COL
470p
2G74
10n
2G72
2GB1
100n
IG68
IG69
FG63
FG64
5G67
+3V3
3G71
100R
3G82
4K7
+5V2S +5V2S
2G67
5G66
100n
RES
9GA4
+3V3
RES
9GA3
IGB0
2G75
10n
2G68
10n
100R
3G66
+12VSW
3G67
100R
3G75
100R
3G81
10K
3G80
10K
9G66
RES
9G67
RES
4K7
3G83
RES
6GA4
BAV99 COL
BAV99 COL
6GA2
5
3
4
RES
7G66-2
BC847BS
FG73
FG66
FG61
FG60
2GB0
100n
+5V2S
RES
9GA1
RES
5GB5
+3V3
IG65
5G70
2G69
100p
3GC1
10K
RES
9GA6
+3V3
FG72
IGB1
+5VDISP
2G71
1n0
4
5
6
7
8
9
1
10
11
12
2
3
FG70
B12P-PH-K
1D40
5G69
FG71
6SDA1
8
VCC
RES
9GA5
PCA9515ADP
5EN
4
GND
1
NC
2 SCL0 7SCL1
3 SDA0
7GA4
5GB6
100R
3G74
100p
2G66
5G71
BC847BS
7G66-1
2
6
1
3G28
100R
100R
3G73
10n
2G76
FG75
FG74
+3V3
IGB3
IGB2
FG68
10K
3GC0
SCL-MOP
SDA-MOP
SCL-AMBI
SDA-AMBI
SDA-MM-BUS1
SCL-MM-BUS1
SDA-I2C4
CTRL1-VIPER
SCL-I2C4
DV-OUT-VS
ENABLE5V
SUPPLY-FAULT
SDA-I2C4
SCL-I2C4 SCL-I2C4-DISP
SDA-I2C4-DISP
8204 000 8514.2
B9B B9B
F_15710_058.eps
140905

Table of Contents

Related product manuals