EasyManua.ls Logo

Philips JL2.1E - Page 122

Philips JL2.1E
254 pages
Print Icon
To Next Page IconTo Next Page
To Next Page IconTo Next Page
To Previous Page IconTo Previous Page
To Previous Page IconTo Previous Page
Loading...
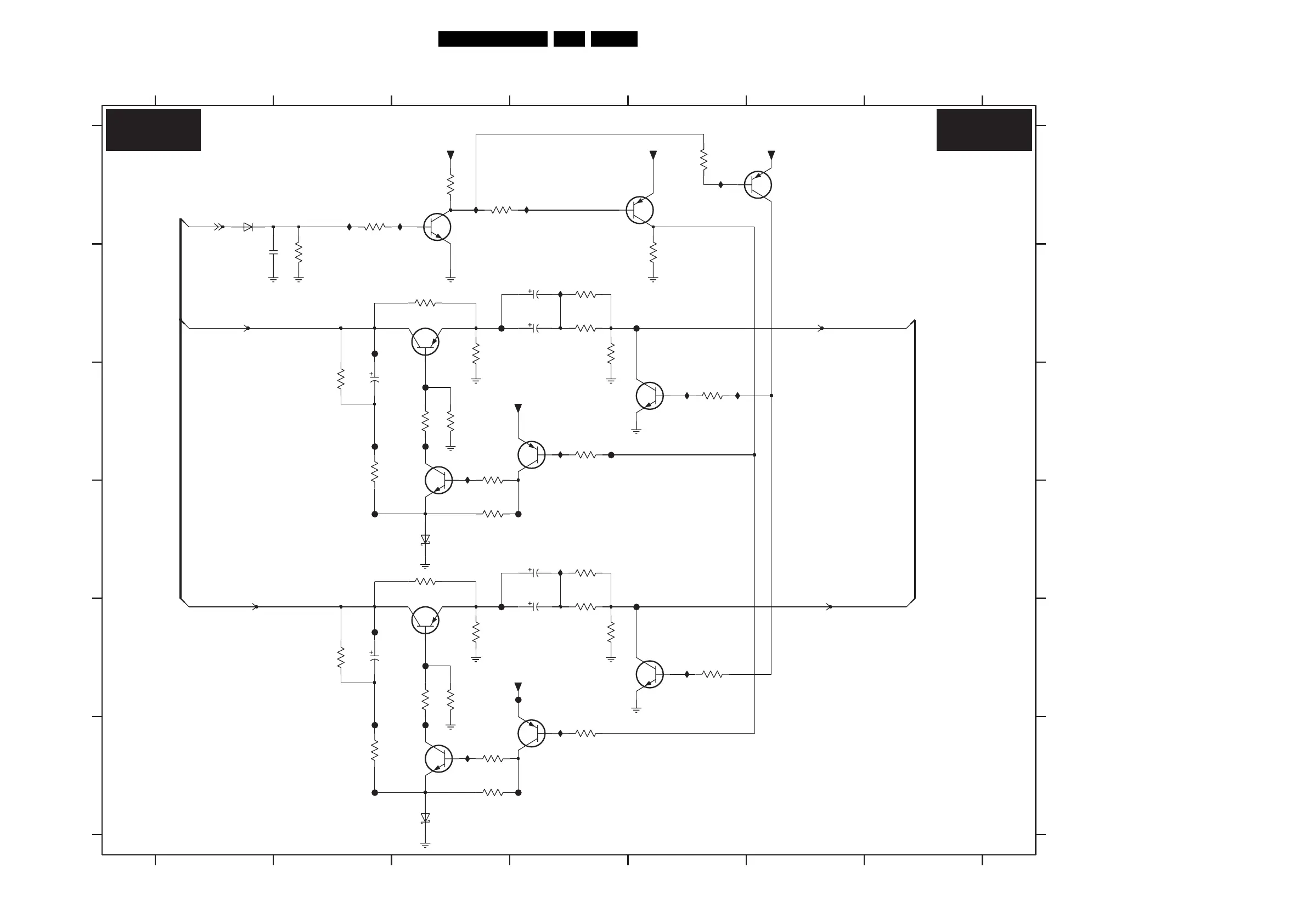
122JL2.1E AA 7.
Circuit Diagrams and PWB Layouts
SSB2: Headphone Antiplop
0V4
3S49 B4
3S50 B3
3S61 C2
3S62 E2
3S63 B4
3S64 C3
3S65 C2
0V4
1V2
0V3
4V7
5V2
4V6
5V2
1V2
0V4
1234
3S22 B5
3S23 E5
3S24 A5
3S46 B3
A
B
C
D
E
F
A
3S66 C3
3S67 D3
3S68 D3
3S69 E4
2S41 D4
2S42 B4
2S43 C2
2S44 D4
2S45 E2
3S12 B2
3S13 B4
3S96 F4
6I42 D3
6I44 F3
6S02 A1
7S00-1 A3
7S00-2 A5
7S03 B2
7S24 A5
FS23 B3
FS24 B5
FS25 B2
FS26 C3
FS27 C2
FS28 C3
567
1
3S19 A3
3S20 A3
3S21 A2
4567
IS23 E5
IS27 A5
IS28 C5
IS48 C4
IS49 C3
IS50 F4
IS51 F3
B
C
D
E
F
2S10 B1
2S40 B4
IS52 A3
IS53 A4
IS54 A2
IS55 A3
3S70 E3
3S71 E4
3S72 E3
3S14 C5
3S15 C3
3S16 D4
3S17 E3
3S73 F2
3S74 F3
3S75 F3
3S95 C4
7S05-1 C3
7S05-2 C4
7S06 E2
7S08-1 F3
7S08-2 F3
7S11 C5
7S12 E5
FS29 C4
FS30 D4
FS31 D2
FS32 E3
HEADPHONE ANTI PLOP
23
FS33 E5
FS34 E2
FS35 E3
FS36 E3
FS37 F2
FS38 F3
FS40 F4
FS41 F2
IS10 B4
IS11 D4
IS22 C5
10K
3S22
680K
3S21
10K
3S20
BAT54 COL
6I42
+5V2
IS11
FS32
BC857BW
7S24
+5V2
10K
3S24
150R
3S64
1K0
3S14
3S67
220K
IS48
IS50
2S41
100u16V
16V 100u
2S40
220K
3S17
33R
3S16
IS52
FS23
IS49
1K0
3S23
FS37
FS24
6S02
10K
3S66
BAS316
150R
3S72
3S75
FS27
220K
470K
3S61
100K
3S19
1K0
+5V2
33R
3S71
3S69
3S46
100K
7S12
BC817-25W
220R
3S65
BC817-25W
7S11
1K0
3S63
FS29
6I44
BAT54 COL
IS23
FS40
IS22
470K
3S12
16V
1u0
2S10
2S45
47u
7S08-1
BC847BPN
2S43
16V47u
IS53
220K
3S15
BC807-25W
FS25
7S06
+5V2
FS36
FS38
3S73
3S49
220R
100K
33R
RES
3S50
BC847BPN
7S05-2
IS10
7S05-1
BC847BPN
BC807-25W
7S03
33R
3S13
FS41
FS35
IS55IS54
FS33
IS51
BC847BPN
2
6
1
7S00-1
3S62
470K
IS27
IS28
FS28
FS31
2S42
100u
5
3
4
FS30
7S00-2
BC847BPN
+5V2
3S95
10K
2S44
100u
100K
3S68
3S96
10K
FS26
10K
3S74
7S08-2
BC847BPN
100K
FS34
3S70
RES
AUDIO-HDPH-L-AP
AUDIO-HDPH-R-AP
AUDIO-HDPH-L
AUDIO-HDPH-R
A-PLOP
8204 000 8413.7
B14A B14A
F_15710_068.eps
140905

Table of Contents

Related product manuals