EasyManua.ls Logo

Philips Q552.2E - Page 120

Philips Q552.2E
204 pages
Print Icon
To Next Page IconTo Next Page
To Next Page IconTo Next Page
To Previous Page IconTo Previous Page
To Previous Page IconTo Previous Page
Loading...
EN 120Q552.2E LA 10.
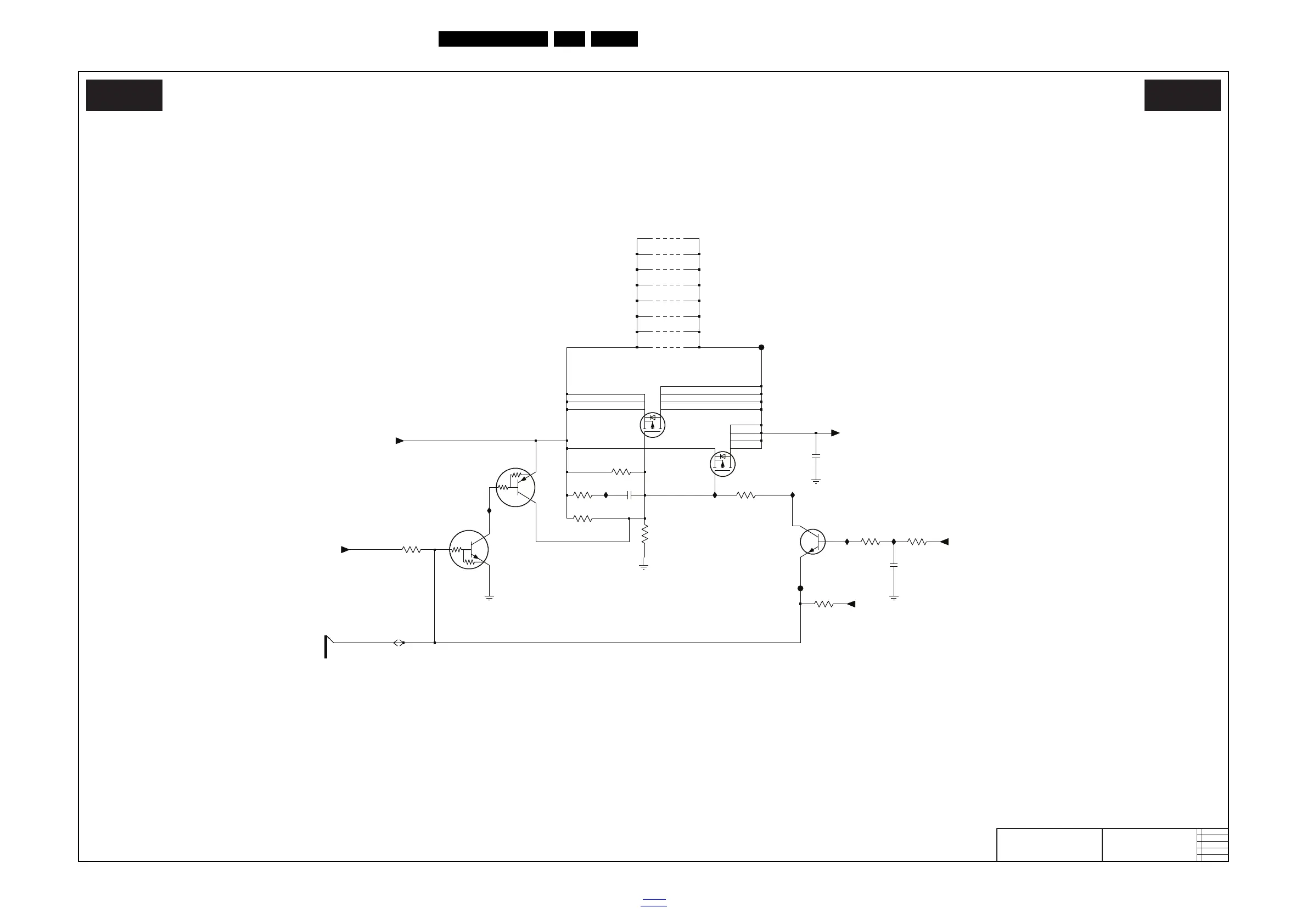
Circuit Diagrams and PWB Layouts
2011-Jun-01
back to
div. table
Vdisp switch
19100_028_110210.eps
110211
Vdisp switch
B03H B03H
2010-12-10
4
3139 123 6495
SPB SSB TV550
2K11 4DDR EU
VDISP-SWITCH
9UU1-2
2
7
9UU1-3
3
6
RES
9UU0-4
45
RES
22n
2UU2
RES
1
3
2
27
RES
BC847BW
7UU3
K74 SER
3UU3-2
RES
9UU0-1
1 8
7UU0
SI4835DDY
RES
3UU2
4K7
+3V3-STANDBY
+VDISP-INT
+3V3
9UU1-4
4
5
RES
IUU1
7UU1
RES
SI3441BDV
8 1
FUU1
72
47K
3UU0-1
1
47K
3UU0-2
47K
8
IUU0
RES
3UU3-1
47K
3UU3-4
456 3
RES
+12VD
+3V3
RES
3UU3-3
47K
9UU0-3
3 6
9UU0-2
27
RES
5
3
4
RES
7UU2-1
2
6
1
7UU2-2
PUMD12
3UU0-3
3 6
PUMD12
47K
IUU5
IUU2
1u0
2UU1
3UU1
47R
IUU3
RES
100n
2UU0
IUU4
8
FUU0
RES
9UU1-1
1
LCD-PWR-ONn

Table of Contents

Related product manuals