EasyManua.ls Logo

Philips Q552.2E - B04 313912365192

Philips Q552.2E
204 pages
Print Icon
To Next Page IconTo Next Page
To Next Page IconTo Next Page
To Previous Page IconTo Previous Page
To Previous Page IconTo Previous Page
Loading...
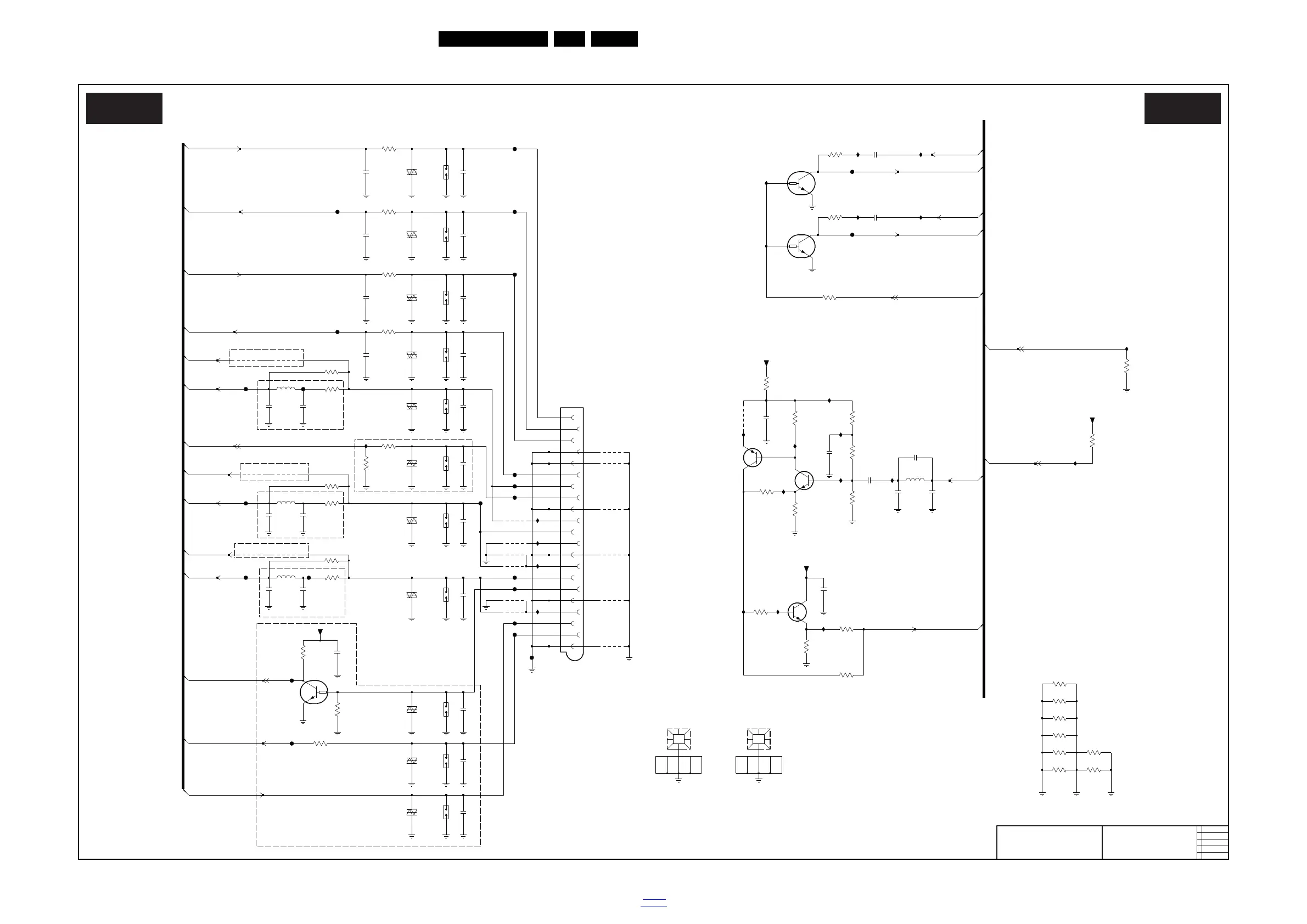
Circuit Diagrams and PWB Layouts
EN 165Q552.2E LA 10.
2011-Jun-01
back to
div. table
10-17 B04 313912365192
Analogue externals A
19101_038_110504.eps
110504
Analogue externals A
B04A B04A
2011-02-01
2
3139 123 6519
SPB SSB TV550
2K11 4DDR EU SD
* EU
AP
AP
AP
* EU
* EU
RES
RES
(AV1)
*
* 3139803190010 - RSI SM 0402 JUMP 0R05 Col at 2E44 & 2E75 for BRZ
RES
SCART1
*
4E03
4E02
RES
RES
4E01
RES
IE51
+3V3
3E73
4K7
IE05
3E17
4K7
1X02
5
6
7
8
9
REF EMC HOLE
14
15
16
17
18
19
2
20
21
3
4
1
10
11
12
13
RES
1750-821-591-56
1E01
2K2
3E24
IE16
IE17
IE14
IE08
9E09
9E08
FEA8
FEA6
FEA4
9E06
FEA2
1X06
EMC HOLE
2E75
100p
RES
4E05
BEC5
5K6
BEC3
3E06
IE67
IE68
2E99
4p7
2E98
18p
2E97
39p
5E80
10u
IE59
9E54
9E50
9E52
9E51
9E55
9E53
FEA7
3E77
18R
FEA5
3E74 18R
FEA3
GND_A
3E78 18R
150p
2E80
4E04
150p
2E79
RES
150p
2E86
150p
2E85
2E84
150p
2E83
150p
5E74
1u8
1u8
5E76
5E73
1u8
FE73
FE74
27R
3E62
3 6
470R
3EA7-3
3EA7-2
470R
27
3E07-3
1K0
3 6
27
3 6
1K0
3E07-2
9E10
3E37-3
100R
45
9E05
470R
3EB6-4
27
470R
3EB6-2
1
2
9E07
18K
3E19
100p
2E76RES
3E48
68R
RES
2EB3
IE13
1u0
1R0
100n
2EB1
+5V
3EA2
IE96
IE60
IE61
IE70
12
IE90
4
3EB1
820R
BC847BPN(COL)
7E06-2
5
3
2
6
1
3EA1
1K0
7E06-1
BC847BPN(COL)
3E18
39K
12
2E81
2u2
IE89
FE71
FE70
18R
3E75
18R
3E79
18R3E76
3EA7-4
470R
45
1
100R
3E37-1
8
6E28
CDS4C12GTA
12V
SERSER
6E23RES
12V
CDS4C12GTA
6E26
RES
CDS4C12GTA
12V
RES
12V
CDS4C12GTA
6E09
6E07
CDS4C12GTA
12V
RES
12V
CDS4C12GTA
10E
630E6
CDS4C12GTA
12V
RES
2E44
100p
IEC2
100R
3E37-2
27
IEC0
3EB6-3
470R
3 6
2
FEA1
330R
3EB3
1
9E01
68R
3E45
470R
3EA7-1
18
2EA4
1u0 16V
4
PUMH7
7E01-2
RES
5
3
2EA5
IE92
1u0 16V
+5V
IE91
100n
2E74
7E05
BC847BW
3EB6-1
470R
1 8
100p
41E221E2
100p 100p
2E15
2E24
100n
+3V3
FE72
1
1n0
2E91
PUMH7
7E09-1
2
6
2E882E90
0n10n1
2E87
1n0
1K0
3E07-1
1 8
FE85
FE84
FE83
FE81
FE82
FE80
GND_A
FE75
12V
RES
1E25
CDS4C12GTA
6E32
1E23
6E30
CDS4C12GTA
12V
RES
IEC1
1E22
12V
RES
FEA0
CDS4C12GTA
6E29
81E191E1
1
6E22
CDS4C12GTA
12V
RES
PUMH7
7E01-1
RES
2
6
1E55
3E31
12K
3E32
4K7
2E18
100p
1E12
2E04
100p
35E145E
1
100p
2E10
3E44
4K7
1E31
4
100p
2E06
3E37-4
100R
5
IE18
5
4E06
3E07-4
1K0
4
3E43
75R
1E00
2E01
100p
YPBPR1-SYNCIN1
YPBPR1-PB
YPBPR1-PR
AV2-STATUS
AV2-BLK
CVBS-MON-OUT1
CVBS-OUT-SC1
AUDIO-OUT-L
AP-SCART-OUT-L
AUDIO-OUT-R
AP-SCART-OUT-R
A-PLOP
AUDIO-IN1-L
AV1-STATUS
AV1-B
AV1-R
AV1-G
AV1-BLK
CVBS-OUT-SC1
AV1-CVBS
AP-SCART-OUT-R
AUDIO-IN1-R
AP-SCART-OUT-L

Table of Contents

Related product manuals