EasyManua.ls Logo

Philips Q552.2E - Page 164

Philips Q552.2E
204 pages
Print Icon
To Next Page IconTo Next Page
To Next Page IconTo Next Page
To Previous Page IconTo Previous Page
To Previous Page IconTo Previous Page
Loading...
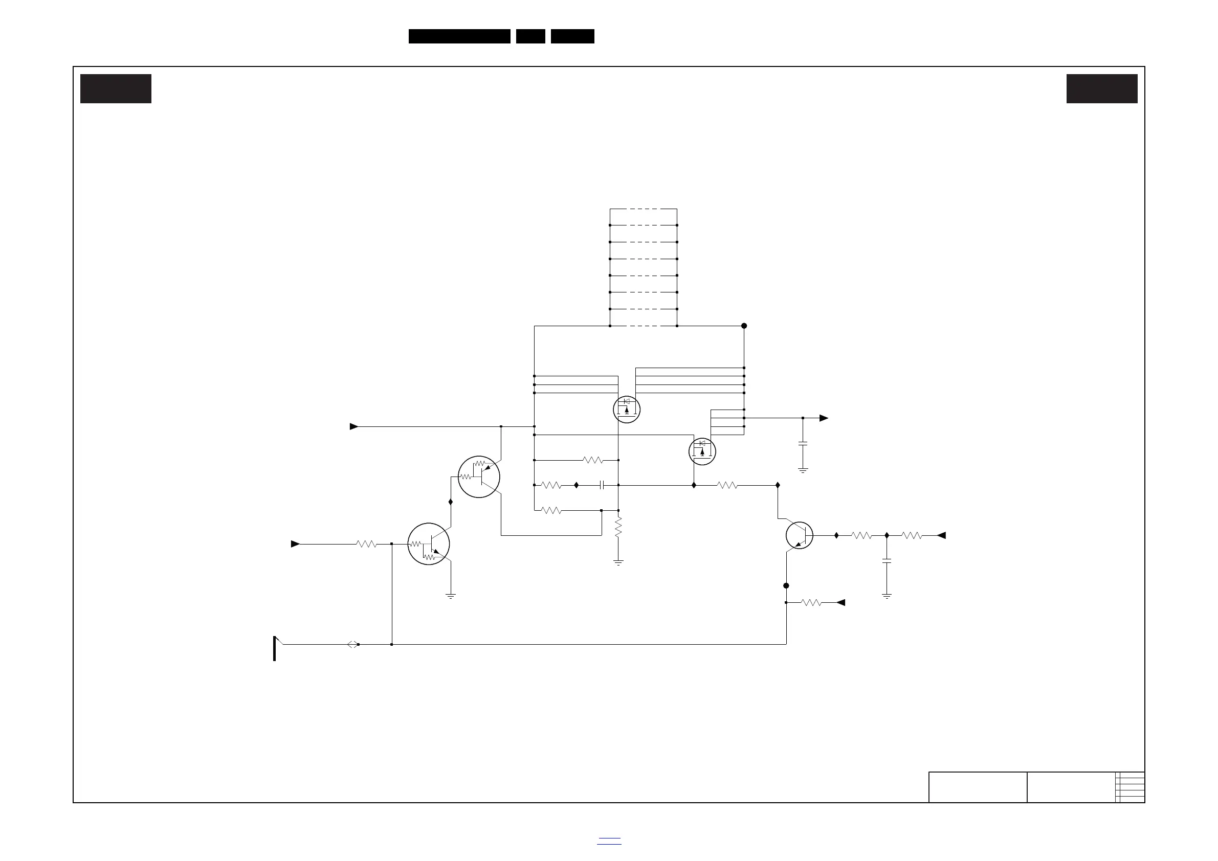
EN 164Q552.2E LA 10.
Circuit Diagrams and PWB Layouts
2011-Jun-01
back to
div. table
Vdisp switch
19101_037_110504.eps
110504
Vdisp-Switch
B03H B03H
2011-02-01
2
3139 123 6519
SPB SSB TV550
2K11 4DDR EU SD
VDISP-SWITCH
9UU1-1
RES
1
8
9UU1-2
RES
2
7
9UU1-3
RES
3
6
6
9UU0-4
RES
45
7
9UU0-3
RES
3
9UU0-2
RES
2
3
4
+3V3-STANDBY
+VDISP-INT
1
PUMD12
7UU2-2
5
7UU2-1
PUMD12
2
6
47K
36
47K
8 1
3UU0-3
72
3UU0-1
3UU0-2
47K
RES
8 1
IUU0
5
47K
3UU3-1
47K RES
4
47K
3UU3-3
RES
6 3
3UU3-4
RES
27
RES
1 8
3UU3-2
47K
9UU0-1
+12VD
SI4835DDY
7UU0
4K7
3UU2
RES
+3V3
RES
4
5
IUU1
9UU1-4
FUU1
IUU3
SI3441BDV
RES
7UU1
IUU4
IUU2
IUU5
2UU1
1u0
47R
3UU1
2UU0
100n
RES
RES
1
3
2
+3V3
7UU3
BC847BW
2UU2
22n
FUU0
LCD-PWR-ONn

Table of Contents

Related product manuals