EasyManua.ls Logo

Philips Q552.2E - B04 393912364954

Philips Q552.2E
204 pages
Print Icon
To Next Page IconTo Next Page
To Next Page IconTo Next Page
To Previous Page IconTo Previous Page
To Previous Page IconTo Previous Page
Loading...
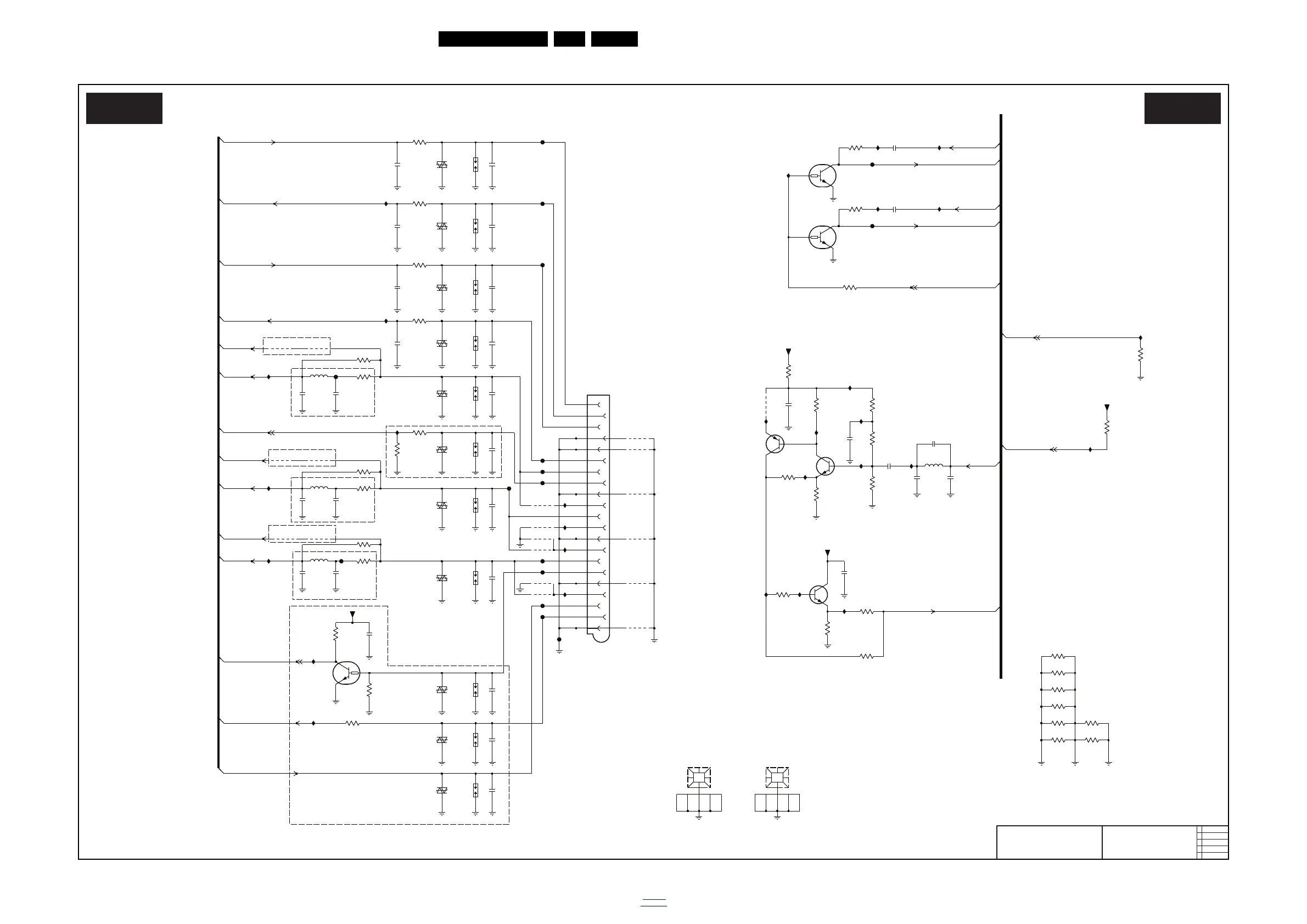
Circuit Diagrams and PWB Layouts
EN 121Q552.2E LA 10.
2011-Jun-01
back to
div. table
10-7 B04 393912364954
Analogue externals A
19100_029_110210.eps
110210
Analogue externals A
B04A B04A
2010-12-10
4
3139 123 6495
SPB SSB TV550
2K11 4DDR EU
RES
* EU
**
** Provision for ESD
(AV1)
AP
**
**
* EU
* EU
**
**
**
SCART1
**
AP
AP
RES
* 3139803190010 - RSI SM 0402 JUMP 0R05 Col at 2E44 & 2E75 for Brazil
*
RES
*
BEC3
BEC5
6
1
7E06-1
BC847BPN(COL)
2
3EA1
1K0
12
3E18
39K
4E04
4E02
RES
IE18
RES
2E24
100n
100p
2E12
45
3E07-4
1K0
100p
2E06 2E01
100p
IE05
1E001E53
39p
2E97
5E80
10u
1u8
5E76
2EA4
1u0 16V
RES
12V
CDS4C12GTA
6E26
2E18
100p
12V
CDS4C12GTA
6E09RES
1E12
FEA0
16V
2EA5
6E30
CDS4C12GTA
12V
RES
1u0
IE92
GND_A
1X06
EMC HOLE
FE83
FE81
FE82
150p
2E85
5
6
7
8
9
FE72
15
16
17
18
19
2
20
21
3
4
1
10
11
12
13
14
IE53
1E01
MTJ-505H-01 NI LF
9E07
3EA7-2
470R
27
RES
100p
2E10
3E43
1E22
75R
1
7E05
BC847BW
7E01-1
RES
2
6
GND_A
PUMH7
FE74
9E53
FE73
IE70
1R0
3EA2
1 8
1E23
470R
3EA7-1
3E78 18R
2E80
150p
+3V3
1E55
IE51
3E73
4K7
150p
2E79
IE54
5E74
1u8
3E17
4K7
RES
+5V
FE75
6E28
CDS4C12GTA
12V
FE80
2E84
150p
6E23RES
CDS4C12GTA
12V
1 8
2E83
150p
3EB6-1
470R
5
3
4
IE67
PUMH7
7E01-2
RES
100R
3E37-2
27
1K0
3E07-2
27
3EB6-3
470R
3 6
IE91
3E74 18R
18p
2E98
SER60E9
9E08
5E73
1u8
1K0
3 6
RES
3E07-3
3E06
5K6
IE08
9E09
9E10
9E55
RES
9E51
3
4
6E07
CDS4C12GTA
12V
BC847BPN(COL)
7E06-2
5
6E01
CDS4C12GTA
12V
RES
3EA7-4
470R
45
100p
2E15
1 8
1K0
3E07-1
1X02
REF EMC HOLE
CDS4C12GTA
6E32
12V
RES
1E25
3E31
12K
3E32
4K7
330R
3EB3
12
IE55
1u0
2EB3
IEC1
FE85
2E75
100p
RES
150p
2E86
2E14
100p
2u2
IE68
2E81
IEC0
18R
3E75
45
470R
3EB6-4
27
18R
3E79
470R
3EB6-2
RES
12V
CDS4C12GTA
6E03
2E04
100p
1n0
2E91
FE70
IE13
IE59
RES 9E05
FE84
CDS4C12GTA
6E29
12V
RES
3E44
4K7
4E05
+3V3
4E03
4E01
RES
RES
RES
100p
2E76
IE23
3E77
18R
1E31
+5V
IE96
IE16
IE14
12
IE89
3EB1
820R
3 6
1E54
470R
3EA7-3
2K2
3E24
RES
IE52
FEA1
1E19
IEC2
IE17
9E01
1E18
9E54
9E50
3E48
68R
RES
9E52
1n0
2E88
1
100n
2EB1
100R
3E37-1
8
IE22
18K
3E19
1
2
RES 6E22
CDS4C12GTA
12V
IE60
2E99
4p7
2E90
1n0
IE61
2E87
1n0
27R
3E62
3 6
100n
3E37-3
100R
2E74
PUMH7
7E09-1
2
6
1
2E44
100p
FE71
100R
54
IE48
3E37-4
4E06
68R
3E45
IE90
67E3 R81
AUDIO-IN1-R
CVBS-OUT-SC1
YPBPR1-SYNCIN1
YPBPR1-PB
YPBPR1-PR
AV2-STATUS
AV2-BLK
AP-SCART-OUT-R
A-PLOP
CVBS-MON-OUT1
CVBS-OUT-SC1
AUDIO-OUT-L
AP-SCART-OUT-L
AUDIO-OUT-R
AV1-CVBS
AP-SCART-OUT-R
AP-SCART-OUT-L
AUDIO-IN1-L
AV1-STATUS
AV1-B
AV1-R
AV1-G
AV1-BLK

Table of Contents

Related product manuals