EasyManua.ls Logo

Philips Q552.2E - Page 130

Philips Q552.2E
204 pages
Print Icon
To Next Page IconTo Next Page
To Next Page IconTo Next Page
To Previous Page IconTo Previous Page
To Previous Page IconTo Previous Page
Loading...
EN 130Q552.2E LA 10.
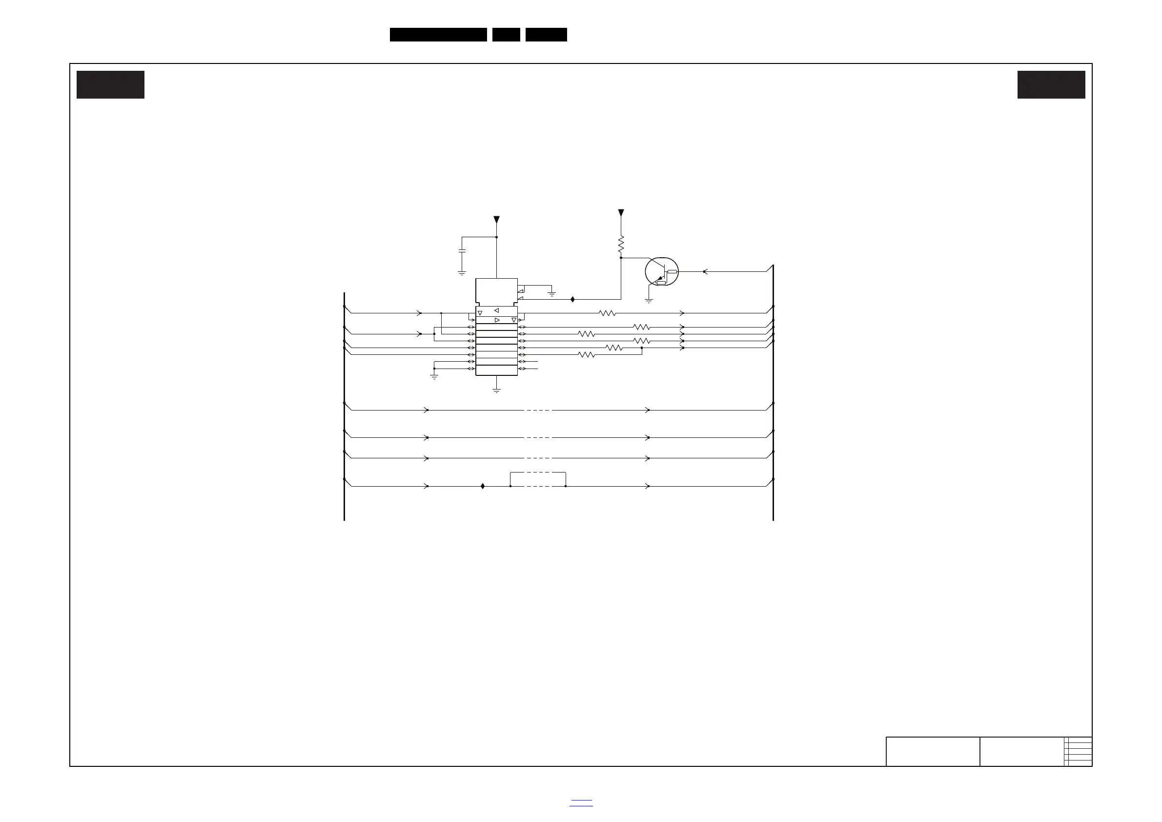
Circuit Diagrams and PWB Layouts
2011-Jun-01
back to
div. table
SPI buffer
19100_038_110210.eps
110211
SPI buffer
B06D B06D
2010-12-10
4
3139 123 6495
SPB SSB TV550
2K11 4DDR EU
G3
1
2
3EN2
3EN1
Buffer
Direct
3GE4
47R
RES
47R
3GE3
9GE1
9GE0-4
∗∗
5
4
3
9GE2
7
2
9GE0-3
6
9GE0-2
IGE0
IGE1
47R
3GE1-454
1 8
RES
6 3
47R
3GE0-1
3 6
R74 SER
3GE1-3
47R
3GE0-3
10K
3GE2
+3V3
7GE1
PDTC114EU
+3V3
100n
2GE0
13
12
11
1
10
19
20
4
5
6
7
8
9
18
17
16
15
14
7GE0
74LVC245A
2
3
PNX-SPI-SDI
BL-SPI-CSn
PNX-SPI-SDO
PNX-SPI-CLK BL-SPI-CLK
BL-SPI-SDO
PNX-SPI-SDI
PNX-SPI-CSBn
BL-SPI-SDI
BL-SPI-CLK
AMBI-SPI-CLK-OUT-R
PNX-SPI-CLK
PNX-SPI-SDO
AMBI-SPI-SDI-OUT_G1-R
BL-SPI-SDO
AMBI-SPI-SDO-OUT-R
BL-SPI-SDI
PNX-SPI-CS-BLn

Table of Contents

Related product manuals