EasyManua.ls Logo

Philips Q552.2E - Page 146

Philips Q552.2E
204 pages
Print Icon
To Next Page IconTo Next Page
To Next Page IconTo Next Page
To Previous Page IconTo Previous Page
To Previous Page IconTo Previous Page
Loading...
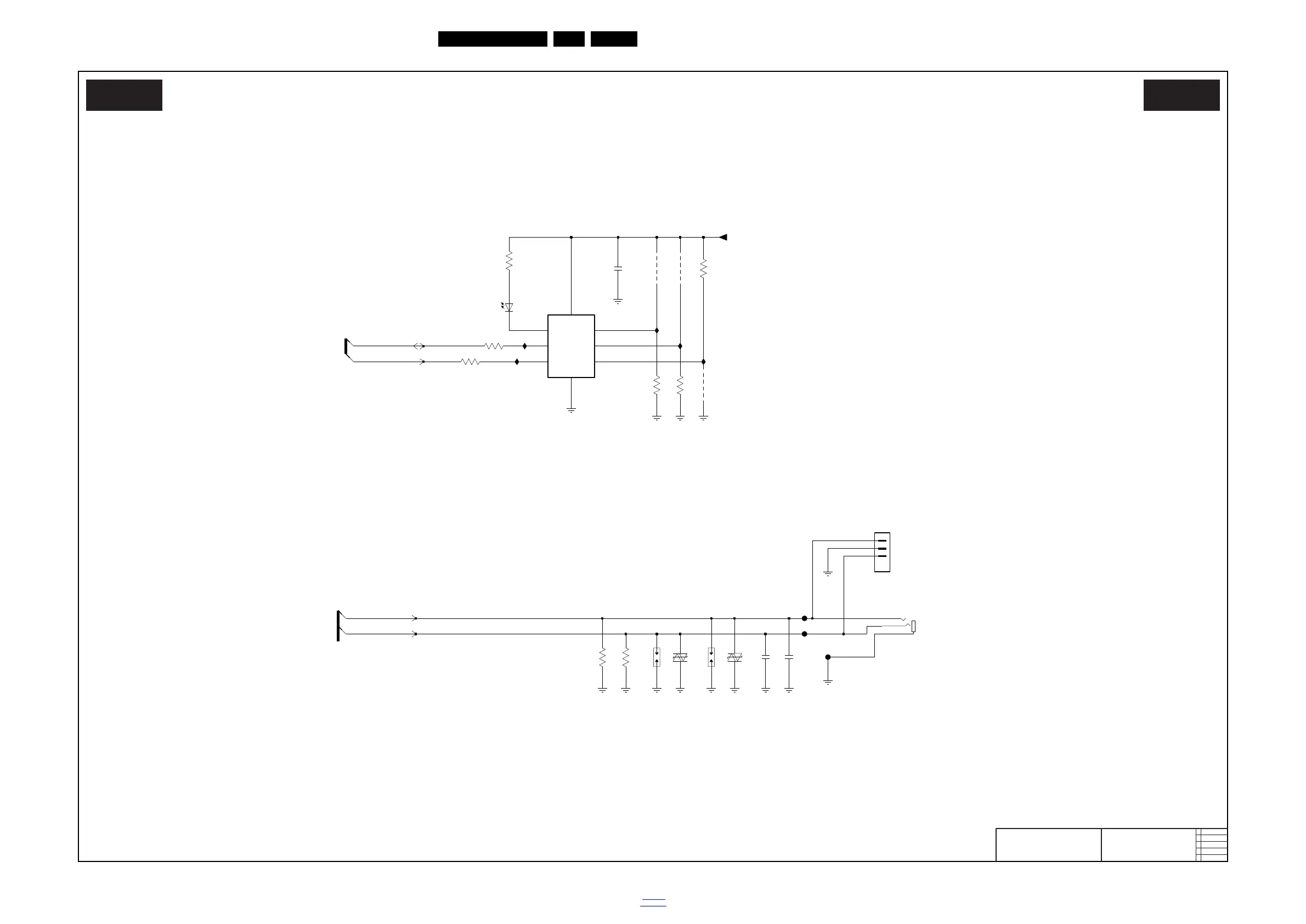
EN 146Q552.2E LA 10.
Circuit Diagrams and PWB Layouts
2011-Jun-01
back to
div. table
Temp sensor & headphone
19101_019_110504.eps
110504
Temperature sensor + headphone
B01J B01J
2011-02-01
2
3139 123 6519
SPB SSB
TV550 2K11 4DDR EU SD
9FD5
RES
1K0
3FD2
GND
4
3
OS
2
SCL
1
SDA
LM75BDP
7FD1
8
+VS
7
A0
A1
6
5
A2
2
1
3
5
MSJ-035-69A-B-RF-PBT-BRF
1328
RES
502382-0370
1
2
3
4
1329
FFDC
RES
12V
CDS4C12GTA
6FD2
1FD2
12V
RES
6FD3
CDS4C12GTA
1FD3
2FDC
22n
22n
2FDD
45
3FDG-4
1K0
FFDA
FFDB
1K0
1 8
3FDG-1
9FD2 RES
RES
9FD1
1K0
3FD7
1K0
3FD6
100R
3FD4
100R
3FD3
IFD4
IFD2
RES
3FD1
1K0
RES
LTST-C190KGKT
6FD1
IFD3
IFD5
IFD1
2FD1
100n
+3V3
SDA-SSB
SCL-SSB
AMP1
AMP2

Table of Contents

Related product manuals