EasyManua.ls Logo

Philips Q552.2E - Page 69

Philips Q552.2E
204 pages
Print Icon
To Next Page IconTo Next Page
To Next Page IconTo Next Page
To Previous Page IconTo Previous Page
To Previous Page IconTo Previous Page
Loading...
IC Data Sheets
EN 69Q552.2E LA 8.
2011-Jun-01
back to
div. table
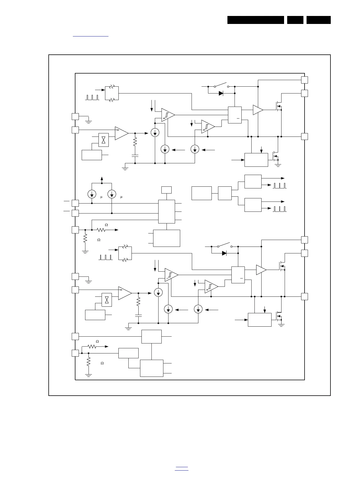
8.12 Diagram DVBS supply B08A, TPS54283PWP (IC 7T03)
Figure 8-12 Internal block diagram and pin configuration
18770_305_100217.eps
110601
Block diagram
7FB1
+
Soft Start
1
C
COMP
+
SQ
QR
R
+
Current
Comparator
BP
f(I
DRAIN1
) + DC(ofst)
2
1
3
Anti-Cross
Conduction
1.2 MHz
Oscilator
Divide
by 2/4
Ramp
Gen 1
Ramp
Gen 2
CLK1
CLK2
BP
CLK1
Weak
Pull-Down
MOSFET
5EN1
6EN2
6 A6 A
VDD2
Internal
Control
10SEQ
150 k
150 k
Output
Undervoltage
Detect
BP
FB1
FB2
CLK1
TPS54283PWP
4GND
8FB2
+
Soft Start
2
C
COMP
+
SQ
QR
R
+
Current
Comparator
BP
13
14
12
Anti-Cross
Conduction
BP
CLK2
Weak
Pull-Down
MOSFET
11BP
9ILIM2
150 k
150 k
BP
CLK2
4GND
Level
Select
5.25-V
Regulator
References
BOOT1
PVDD1
SW1
BOOT2
PVDD2
SW2
f(I
DRAIN2
) + DC(ofst)
0.8 V
REF
I
MAX2
(Set to one of two limits)
f(I
DRAIN1
)
f(I
MAX1
)
Overcurrent Comp
f(I
SLOPE1
)
Level
Shift
Level
Shift
f(I
DRAIN2
)
f(I
MAX2
)
f(I
SLOPE2
)
FET
Switch
TSD
PVDD2
f(I
SLOPE1
)
f(I
SLOPE2
)
SD1
SD2
UVLO
0.8 V
REF
SD2
0.8 V
REF
SD1
UDG-07007
Overcurrent Comp
R
COMP
R
COMP

Table of Contents

Related product manuals