EasyManua.ls Logo

Philips Q552.2E - Page 86

Philips Q552.2E
204 pages
Print Icon
To Next Page IconTo Next Page
To Next Page IconTo Next Page
To Previous Page IconTo Previous Page
To Previous Page IconTo Previous Page
Loading...
EN 86Q552.2E LA 10.
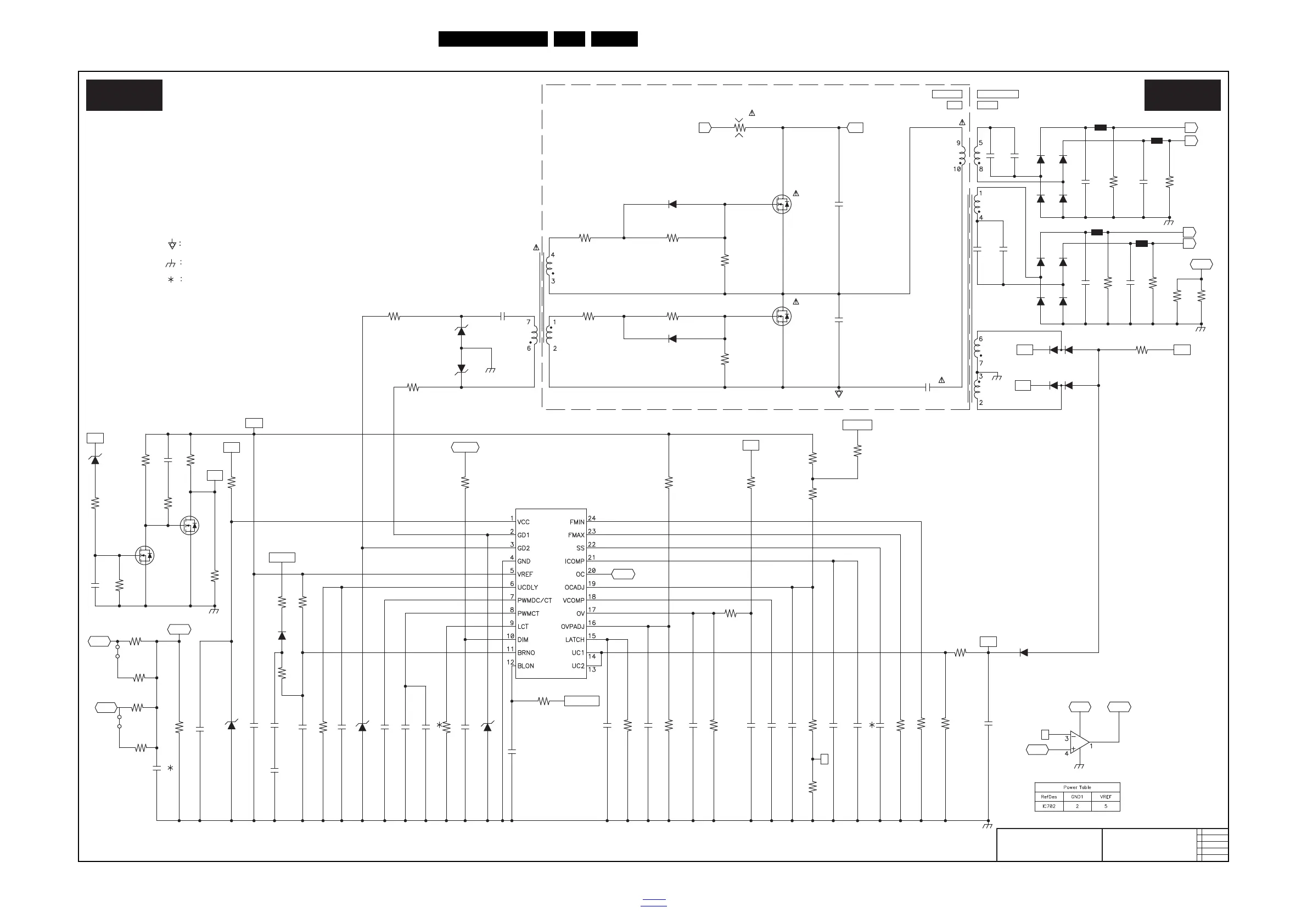
Circuit Diagrams and PWB Layouts
2011-Jun-01
back to
div. table
Switching Power Supply
18777_006_110525.eps
110525
Switching Power Supply
A02 A02
2011-01-19
5
DPS-139AP A
Switching Power Supply
Primary GND
Secondary GND
No Components
OCD
UC1'
BROWN
OCD'
C701
CP2
D707
Q701
Q702
R713
R718
R719
R730
R736
VREF
POK
12V''
C702
R717
R720
R721
R722
R738
ZD702
BL-DIM
R714
R733
VREF
C704
C710
C716AC716B
C717
CP1
R715
R716
R723
R737
ZD717
C712
C715
C729
C730
C732
C734
R732
R734
ZD707
ZD708
R746
R747
ZD709ZD710
C731
D702
R705 R706
T302
D703
R702R703
B+
B++
C703
Q701A
R634
C705
Q701B
R704R707
PRIMARY
SECONDARY
HOT
COLD
OV1
OV1
C706
D708D709
D710D711
D780A
D780B
C707A
C707B
C707C
C707D
D712D713
D714D715
T301
A1
A3
A2
A4
C752A
C752B
FB701
FB702
FB703
FB704
R782A
R782B
12V''
OCD
C752C
C752D
R750
R751
R760
R782C
R782D
BL-ON-OFF
C
C722
C723
C724
C725
C726
C728
C733
C745
C746
R727
R729
R735
R739
R788
R790
BL-I-CTRL
OCD'
OV1
OV1'
IC701
R711
R726
R728
R731
R786
R787
UC1'
D704
R791
VREF
OCD'
C
OCD
C727
C737
IC702
R724
R725
R792

Table of Contents

Related product manuals